Каталог вентилів 15кч19п Ру-16
Технічні характеристики чавунного вентиля 15кч19п
У таблиці вказані основні технічні характеристики чавунного фланцевого вентиля 15кч19п Ру16: тип запірного елемента, спосіб монтажу, матеріал ущільнення та корпусу, вид робочого середовища, гранична температура, умовний тиск.
| Вентиль | Тиск Ру, Бар | Робоче середовище | Тип затвору | Матеріал | Робоча температура, °С | Кріплення | Управління | |
| Корпуса | Ущільнення | |||||||
| 15кч19п | 16 | Вода, пара | Золотник | Ковкий чавун | Фторопласт | до 225 | Фланцеве | Ручне з висувним шпинделем |
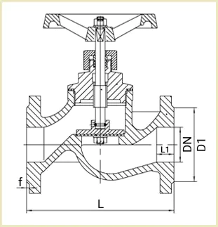
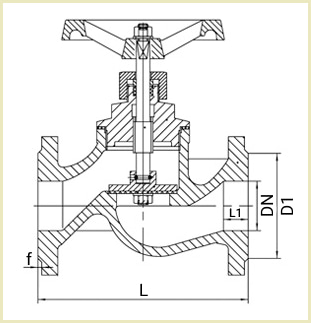
Розміри запірних вентилів 15кч19п
У таблиці вказані габарити та розміри запірного клапана 15кч19п Ру-16: будівельна довжина, діаметр проходу, висота, маса.
| Клапан запірний | Габаритно-приєднувальні розміри, мм | Вага, кг | ||||
| L | L1 | D1 | D2 | f | ||
| 15кч19п Ду25 | 120 | 16 | 85 | 68 | 14 | 2,2 |
| 15кч19п Ду32 | 140 | 17 | 100 | 78 | 18 | 3,2 |
| 15кч19п Ду40 | 170 | 21 | 110 | 88 | 18 | 4,4 |
| 15кч19п Ду50 | 200 | 22 | 125 | 102 | 18 | 6,4 |
Позначення та розшифрування маркування
На корпусі чавунного вентиля 15кч19п вказується марка у вигляді індексу системи ЦКБА (центрального конструкторського бюро арматуробудування). Позначення наносяться шляхом виливки або таврування, згідно з ГОСТ 4666.
Маркування фланцевого вентиля 15кч19п містить такі параметри та характеристики:
- Тип арматури;
- Матеріал корпуса;
- Робочий тиск;
- Тип приводу;
- Матеріал ущільнювальних кілець.
Купити вентиль 15кч19п Ру-16 фланцевий прохідний
У Систем Якості можете купити вентилі 15кч19п чавунні фланцеві прохідні під тиск Ру-16 та муфтові аналоги – 15кч18п для води, пари, повітря. Вся запірна арматура проходить випробування, перевірку на стенді з манометром на відповідність параметрам, зазначеним у ГОСТ. У комплекті поставки: запірний клапан 15кч19п, паспорт сумісний з інструкцією з експлуатації та обслуговування, сертифікат (може додаватись в залежності від фірми виробника та серії).
Виконаємо діагностику та ремонт 15кч19п, усунемо несправності та дефекти, проведемо ревізію та притирання (заміна прокладок, набивання, змащення), опресування (гідровипробування). Гарантія 12 місяців за умови дотримання умов експлуатації та СНіП (будівельні норми та правила).
Ціна клапана запірного 15кч19п в Україні.
Ціна вентиля 15кч19п Ру-16 залежить від діаметра ДК, виробника (Україна, Китай, Росія, Польща, Туреччина, Словаччина, вітчизняні СРСР із зберігання), технічного стану та року виробництва (нова, складське зберігання, після ревізії). У таблиці вказані ціни на вентилі чавунні фланцеві 15кч19п на 01.06.2022.
| Ду вентиля 15кч19п | Ціна, грн с НДС | |
| мм | дюйм | |
| 25 | 1” | Договірна |
| 32 | 1 1/4” | Договірна |
| 40 | 1 1/2” | Договірна |
| 50 | 2” | Договірна |
Для опту діє система знижок 5-15% від прайсу. Для уточнення актуальної вартості 15кч19п зверніться до менеджера або відправте запит на пошту.
Компанія Системи Якості постачальник надійної запірної арматури





Виктория Владимировна