Технічні характеристики
У таблиці вказані основні технічні характеристики засувок батерфляй Ду100: спосіб монтажу, матеріал диска та корпусу, вид робочого середовища, гранична температура, тип керування.
| Засувка поворотна дискова | Умовний діаметр проходу | Номінальний тиск, кгс/см2 | Матеріал | Призначення | Максимальна температура, °С | Кріплення | |
| Диска | Корпуса | ||||||
| Баттерфляй Ду 100 | 100 мм | Ру10, Ру16 | Чавун, нержавіюча сталь, сталь | Чавун, нержавіюча сталь | Вода, повітря, нафтопродукти, агресивні середовища | 425 | Стяжне |
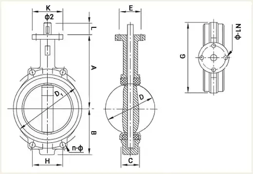
Приєднувальні розміри затворів батерфляй Ду 100 мм

У таблиці вказані розміри затвора батерфляй Dn-100 Pn-10: будівельна довжина та висота, діаметри, діаметри.
| Засувки дискові поворотні | Габаритні та приєднувальні розміри, мм | Вага, кг | |||||||||
| A | В | С | D | D1 | L | H | К | E | G | ||
| Баттерфляй Dn100 | 200 | 114 | 52,1 | 104 | 180 | 32 | 70,80 | 92 | 69,85 | 156 | 5,5 |
Купити поворотну дискову засувку батерфляй Ду100
У Систем Якості можна придбати засувки батерфляй Ду-100 EPDM, NBR, PTFE, RBV-16-10, RBV-16-30 фланцеві дискові поворотні затвори виробництва заводів України, Китаю, Росії, Польщі, Туреччини, Словаччини. Підберемо затвор батерфляй Ду-100 з електроприводом, фланцеву засувку Ду100, вентиль прохідний Ду-100, сталевий кран Ду-100, клапан зворотної дії Ду-100 для води, пари, газу, нафтопроводів. Все обладнання та вузли проходять випробування, перевірку на стенді з манометром на відповідність параметрам, зазначеним у ГОСТ. У комплекті поставки: заслінка міжфланцева батерфляй DN100 Pn16, паспорт суміщений з інструкцією з експлуатації та обслуговування, сертифікат (може додаватись в залежності від фірми виробника та серії).
Виконаємо діагностику та ремонт засувки Ду100 типу батерфляй, усунемо несправності та дефекти, проведемо ревізію та притирання арматури зі зберігання (заміна прокладок, набивання, мастила), опресовування (гідровипробування). Гарантія на засувки 12 місяців за умови дотримання умов експлуатації та БНіП (будівельні норми та правила).
Ціна в Україні
Ціна засувки батерфляй Ду-100 РУ-10 та Ру-16 від виробника та року випуску (нова, складське зберігання, після ревізії). Для опту діє система знижок 5-15% від прайсу. Для прорахунку вартості засувки батерфляй DN-100 – зверніться до менеджера або надішліть запит на пошту.
Компанія Системи Якості постачальник надійної запірної арматури






Виктория Владимировна