Технічні характеристики фланцевих клапанів 16ч3п
У таблиці вказані основні технічні характеристики фланцевого підйомного зворотнього клапану 16ч3п Ру16: тип запірного елементу, спосіб монтажу, матеріал ущільнення та корпусу, тип робочого середовища, гранична температура, робочий тиск.
| Клапан зворотний | Робочий тиск, Бар | Робоче середовище | Тип | Матеріал | Робоча температура, °С | Кріплення | Управління | |
| Корпусу | Ущільнювальних кілець | |||||||
| 16ч3п | Ру-16 | Вода, пара | Підйомний | Сірий чавун | Фторопласт | до 225 | Фланцеве | Автоматичне |
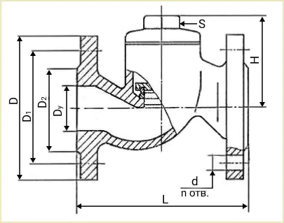
Приєднувальні розміри і будівельна довжина
Габаритно-приєднувальні розміри зворотного клапану 16ч3п можуть відрізнятися залежно від виробника – Кролевецький арматурний завод або китайські та європейські аналоги. Для полегшення монтажу фланцевого чавунного підйомного клапану 16ч3п погоджувайте будівельну довжину з менеджером.
| Клапан 16ч3п | Габаритные и присоединительные размеры, мм | n, шт | Масса, кг | |||||
| L | H | D | D1 | D2 | d | |||
| 16ч3п Ду-25 | 120 | 70 | 115 | 85 | 68 | 14 | 4 | 3,4 |
| 16ч3п Ду-32 | 140 | 75 | 135 | 100 | 78 | 18 | 5,0 | |
| 16ч3п Ду-40 | 170 | 92,5 | 145 | 110 | 88 | 18 | 7,0 | |
| 16ч3п Ду-50 | 200 | 105 | 160 | 125 | 102 | 18 | 9,4 | |
Обозначение и расшифровка маркировки
- 16 – клапан обратный подъёмный;
- Ч – серый чугун;
- 3 – номер модели;
- П – фторопластовое уплотнение;
- Ду – условный диаметр прохода;
- Ру – рабочее давление.
Маркировка чугунной клапана 16ч3п содержит такие параметры и характеристики:
Купить обратный клапан 16ч3п
У Систем Качества можете купить клапаны 16ч3п Ру-16 и 16ч3р обратные подъёмные фланцевые чугунные для воды, пара, нефти. Вся запорная арматура проходит испытания, проверку на стенде с манометром на соответствие параметрам указанным в ГОСТ. В комплекте поставки: обратный клапан 16ч3п с КОФ, паспорт совмещенный с инструкцией по эксплуатации и обслуживанию, сертификат (может прилагаться в зависимости от фирмы производителя и серии).
Выполним диагностику и ремонт 16ч3р Ру16, устраним неисправности и дефекты, проведем ревизию и притирку, гидроиспытания. Гарантия 12 месяцев при условии соблюдения условий эксплуатации и СНиП (строительные нормы и правила).
Цена чугунного клапана 16ч3п и 16ч3р в Украине
Цена подъёмного клапана 16ч3п Pn16 зависит от диаметра ДУ, производителя (Украина, Китай, Россия, Польша, Турция, Словакия, отечественные СССР с хранения), технического состояния и года производства (новая, складское хранение, после ревизии). В таблице указаны цены на фланцевые клапаны 16ч3п на 01.07.2021.
| Диаметр клапана 16ч3п, мм | Цена, грн без НДС | Цена, грн с НДС |
| 16ч3п Ду25 | договорная | договорная |
| 16ч3п Ду32 | договорная | договорная |
| 16ч3п Ду40 | договорная | договорная |
| 16ч3п Ду50 | договорная | договорная |
Для опта действует система скидок 5-15% от прайса. Для уточнения актуальной стоимости 16ч3п – обратитесь к менеджеру или отправьте запрос на почту.
Компания Системы Качества поставщик надежной запорной арматуры





Виктория Владимировна