
Застосовується для комплектації ПТО – кранів, приводів редукторів мостових і козлових кранів, лебідок, тельферів, редукторів кран-балок, електричних талей та інших механізмів переміщення вантажів.
Таблиця технічних характеристик
Короткозамкнуті двигуни МТКН 011-6 1,4 кВт призначені для роботи з напругою 220/380 та 380/660 В, зі схемами підключення виводів обмоток зірка і трикутник. Підбір кабеля виробляється згідно ГОСТ 31996—2012. В таблиці вказані технічні характеристики: фактична частота обертання та діаметр валу, потужність, максимальний та пусковий крутні моменти, ККД, вага тощо.
| Тип двигуна | Характеристики | ||||||||||
| P, кВт (ПВ=40%) | N, об/хв | КПД, % | I пусковий, А | М, Нм | Соs ф | Вага, кг | Розміри валу, мм | Термостойкість, °C | |||
| max | пусковий | Ø | L | ||||||||
| МТКН 011 6 | 1,4 | 920 | 70 | 18 | 41 | 41 | 0,67 | 46 | 28 | 110 | 180 |
| MTKF 011-6 | 150 | ||||||||||
| МТКВ 011-6 | 130 | ||||||||||
Види електродвигунів МТК 011

В Україні найпоширеніші такі моделі кранових двигунів із короткозамкненим ротором та потужністю 11 кВт:
- МТКН 011-6 – класичний двигун виробництва Сибелектромотор (клас ізоляції до 180 °C)
- МТКF 011-6 – продукція «Ржевського кранобудівного заводу» (ізоляція до 155 °C)
- MTKB 011-6 – застаріла модель з температурною межею ізоляції 130 °C;
- МТКНУ 011-6 – імпорт із Китаю.
Де придбати двигун МТКН 011-6?
«Системи Якості» пропонують купити кранові електродвигуни МТКН 011-6 1,4 кВт 920 об/хв виробництва Сибелектромотор або Ржевського заводу зі складських запасів. Ви отримаєте надійний російський електромотор, який пройшов підготовку заводу, випробування на стендах, з українською гарантією 12 місяців і наступним сервісом в України.
Ціни
У порівнянні з фазними двигунами мтн 011 6, асинхронні короткозамкнені електродвигуни застосовуються набагато рідше – мають обмеження частоти пусків, складність у регулюванні частоти обертання. Менш затратні у виробництві, різниця у ціні до 30%.
| Електродвигун типу МТКН 1,4 кВт 920 об/хв | Ціна, грн | |
| без ПДВ | з ПДВ | |
| МТКН 011-6 | 9960 | 8300 |
| МТКН 011-6 БУ* | від 7200 | від 6000 |
| МТКФ 011-6 | 9600 | 8000 |
| МТКВ 011-6 | 9720 | 8100 |
| Імпорт нового із Росії | договірна | договірна |
| Виробництво України | не існує | не існує |
* Купівля двигунів БУ вкрай не рекомендується у зв’язку з небезпекою експлуатації в приводах підйомних механізмів.
Справка
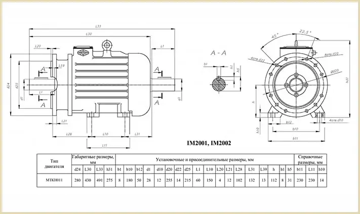
Креслення та габаритні розміри
Нижче представлені габаритні, довідкові та настановно-приєднувальні розміри: довжина, висота діаметр валу; кріплення по лапах, діаметр фланця і т.д. Щоб розглянути креслення ближче, натисніть на картинку.
Підшипники, мастило, опір
У таблиці наведено маркування підшипників, тип та обсяг мастила застосовуваних при експлуатації електромоторів МТКН 011-6, опір обмоток та вібростійкість.
| Підшипники | Мастило | Опір обмоток, МОм | Вібростійкість, мм/с | ||
| Маркування | Розмір | Тип | Об `єм, кг | ||
| 76-80307С9Ш2У | 35×80×21 | УНИОЛ 2М/1 | 0,2 | >10 | 1,8 |
Монтажні виконання
Для виконання IM 1002, IM 2002 сумарне навантаження на двох валах, не повинно перевищувати допустиму для даної моделі електродвигуна. Виготовляємо спец виконання з циліндричними валами, нестандартною довжиною або діаметром за кресленнями замовників.




Розшифровка маркування
Для правильного оформлення замовлення наводимо розшифровку асинхронного двигуна МТКН 011-6 У1 IM 1001.
- МТК – серія електродвигуна із короткозамкненим ротором
- Н – клас ізоляції
- 0 – умовний габарит
- 1 – номер серії
- 1 – довжина осердя статора
- 6 – кількість полюсів
- У1 – кліматичне виконання, категорія розміщення
- IM 1001 – монтажне виконання
Телефонуйте та дізнайтесь актуальні ціни, наявність на складі електродвигунів МТКН 011-6!






Виктория Владимировна