
Застосовується для комплектації ПТО – кранів, приводів редукторів мостових і козлових кранів, лебідок, тельферів, редукторів кран-балок, електричних талей та інших механізмів переміщення вантажів.
Таблиця технічних характеристик
Короткозамкнуті двигуни МТКН 111-6 3,5 кВт призначені для роботи з напругою 220/380 и 380/660 В, зі схемами підключення виводів обмоток зірка і трикутник. Підбір кабеля виробляється згідно ГОСТ 31996—2012. В таблиці вказані технічні характеристики: фактична частота обертання та діаметр валу, потужність, максимальний та пусковий крутні моменти, ККД, вага тощо.
| Тип двигуна | Характеристики | ||||||||||
| P, кВт (ПВ=40%) | N, об/хв | КПД, % | I пусковий, А | М, Нм | Соs ф | Вага, кг | Розміри валу, мм | Термостойкість, °C | |||
| max | пусковий | Ø | L | ||||||||
| МТКН 111 6 | 3,5 | 865 | 74,5 | 34 | 106 | 106 | 0,80 | 78 | 35 | 592 | 180 |
| MTKF 111-6 | 150 | ||||||||||
| МТКВ 111-6 | 130 | ||||||||||
Види електродвигунів МТК 111

В Україні найпоширеніші такі моделі кранових двигунів із короткозамкненим ротором та потужністю 3,5 кВт:
- МТКН 111-6 – класичний двигун виробництва Сибелектромотор (клас ізоляції до 180 °C)
- МТКF 111-6 – продукція «Ржевського кранобудівного заводу» (ізоляція до 155 °C)
- MTKB 111-6 – застаріла модель з температурною межею ізоляції 130 °C;
- МТКНУ 111-6 – імпорт із Китаю.
Де придбати двигун МТКН 111-6?
«Системи Якості» пропонують купити кранові електродвигуни МТКН 111-6 3,5 кВт 865 об/хв виробництва Сибелектромотор або Ржевського заводу зі складських запасів. Ви отримаєте надійний російський електромотор, який пройшов підготовку заводу, випробування на стендах, з українською гарантією 12 місяців і наступним сервісом в України.
Ціни
У порівнянні з фазними двигунами мтн 111 6, асинхронні короткозамкнені електродвигуни застосовуються набагато рідше – мають обмеження частоти пусків, складність у регулюванні частоти обертання. Менш затратні у виробництві, різниця у ціні до 30%.
| Електродвигун типу МТКН 3,5 кВт 865 об/хв | Ціна, грн | |
| без ПДВ | з ПДВ | |
| МТКН 111-6 | 9000 | 10800 |
| МТКН 111-6 БУ* | від 7000 | від 8400 |
| МТКФ 111-6 | 8900 | 10680 |
| МТКВ 111-6 | 9000 | 10800 |
| Імпорт нового із Росії | договірна | договірна |
| Виробництво України | не існує | не існує |
* Купівля двигунів БУ вкрай не рекомендується у зв’язку з небезпекою експлуатації в приводах підйомних механізмів.
Справка
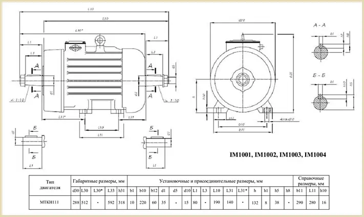
Креслення та габаритні розміри
Нижче представлені габаритні, довідкові та настановно-приєднувальні розміри: довжина, висота діаметр валу; кріплення по лапах, діаметр фланця і т.д. Щоб розглянути креслення ближче, натисніть на картинку.
Підшипники, мастило, опір
У таблиці наведено маркування підшипників, тип та обсяг мастила застосовуваних при експлуатації електромоторів МТКН 111-6, опір обмоток та вібростійкість.
| Підшипники | Мастило | Опір обмоток, МОм | Вібростійкість, мм/с | ||
| Маркування | Розмір | Тип | Об `єм, кг | ||
| 76-180309C9Ш2У | 45×100×25 | УНИОЛ 2М/1 | 0,2 | >10 | 1,8 |
Монтажні виконання
Для виконання IM 1002, IM 2002 сумарне навантаження на двох валах, не повинно перевищувати допустиму для даної моделі електродвигуна. Виготовляємо спец виконання з циліндричними валами, нестандартною довжиною або діаметром за кресленнями замовників.




Розшифровка маркування
Для правильного оформлення замовлення наводимо розшифровку асинхронного двигуна МТКН 111-6 У1 IM 1001.
- МТК – серія електродвигуна із короткозамкненим ротором
- Н – клас ізоляції
- 1 – умовний габарит
- 1 – номер серії
- 1 – довжина сердечника статора
- 6 – кількість полюсів
- У1 – кліматичне виконання, категорія розміщення
- IM 1001 – монтажне виконання
Телефонуйте та дізнайтесь актуальні ціни, наявність на складі електродвигунів МТКН 111-6!






Виктория Владимировна