
Застосовується для комплектації ПТО – кранів, приводів редукторів мостових і козлових кранів, лебідок, тельферів, редукторів кран-балок, електричних талей та інших механізмів переміщення вантажів.
Таблиця технічних характеристик
Короткозамкнуті двигуни МТКН 312-6 15 кВт призначені для роботи з напругою 220/380 і 380/660 В, зі схемами підключення виводів обмоток зірка і трикутник. Підбір кабеля виробляється згідно ГОСТ 31996—2012. В таблиці вказані технічні характеристики: фактична частота обертання та діаметр валу, потужність, максимальний та пусковий крутні моменти, ККД, вага тощо.
| Тип двигуна | Характеристики | ||||||||||
| P, кВт (ПВ=40%) | N, об/хв | КПД, % | I пусковий, А | М, Нм | Соs ф | Вага, кг | Розміри валу, мм | Термостойкість, °C | |||
| max | пусковий | Ø | L | ||||||||
| МТКН 312 6 | 15 | 915 | 78,5 | 120 | 385 | 386 | 0,80 | 222 | 50 | 690 | 180 |
| MTKF 312-6 | 150 | ||||||||||
| МТКВ 312-6 | 130 | ||||||||||
Види електродвигунів МТК 312-6

В Україні найпоширеніші такі моделі кранових двигунів із короткозамкненим ротором та потужністю 15 кВт:
- МТКН 312-6 – класичний двигун виробництва Сибелектромотор (клас ізоляції до 180 °C)
- МТКF 312-6 – продукція «Ржевського кранобудівного заводу» (ізоляція до 155 °C)
- MTKB 312-6 – застаріла модель з температурною межею ізоляції 130 °C;
- МТКНУ 312-6 – імпорт із Китаю.
Де купити двигун МТКН 312-6?
«Системи якості» пропонують купити кранові електродвигуни МТКН 312-6 15 кВт 915 об/хв і МТКН 312-8 виробництва Сибелектромотор або Ржевського заводу зі складських запасів. Ви отримаєте надійний російський електромотор, який пройшов заводську підготовку, випробування на стендах з українською гарантією 12 місяців та наступним сервісом в Україні.
Ціни
У порівнянні з фазними двигунами мтн 312 6, асинхронні короткозамкнені електродвигуни застосовуються набагато рідше – мають обмеження частоти пусків, складність у регулюванні частоти обертання. Менш затратні у виробництві, різниця у ціні до 30%.
| Електродвигун типу МТКН 15 кВт 915 об/хв | Ціна, грн | |
| без ПДВ | з ПДВ | |
| МТКН 312-6 | 18300 | 21960 |
| МТКН 312-6 БУ* | від 13500 | від 16200 |
| МТКФ 312-6 | 18000 | 21600 |
| МТКВ 312-6 | 18100 | 21720 |
| Імпорт нового із Росії | договірна | договірна |
| Виробництво України | не існує | не існує |
* Купівля двигунів БУ вкрай не рекомендується у зв’язку з небезпекою експлуатації в приводах підйомних механізмів.
Справка
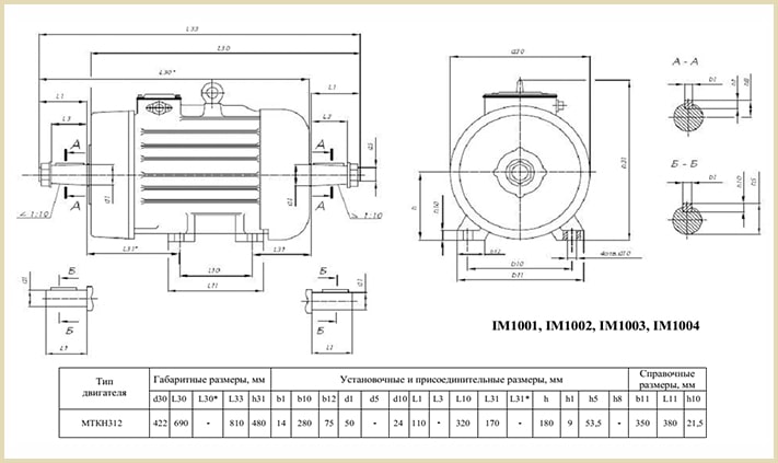
Креслення та габаритні розміри
Нижче представлені габаритні, довідкові та настановно-приєднувальні розміри: довжина, висота діаметр валу; кріплення по лапах, діаметр фланця і т.д. Щоб розглянути креслення ближче, натисніть на картинку.
Підшипники, мастило, опір
У таблиці наведено маркування підшипників, тип та обсяг мастила застосовуваних при експлуатації електромоторів МТКН 312-6, опір обмоток та вібростійкість.
| Підшипники | Мастило | Опір обмоток, МОм | Вібростійкість, мм/с | ||
| Маркування | Розмір | Тип | Об `єм, кг | ||
| ВО-60314Ш | 70х150х35 | УНІОЛ 2М/1 | 0,2 | >10 | 1,8 |
Монтажні виконання
Для виконання IM 1002, IM 2002 сумарне навантаження на двох валах, не повинно перевищувати допустиму для даної моделі електродвигуна. Виготовляємо спец виконання з циліндричними валами, нестандартною довжиною або діаметром за кресленнями замовників.




Розшифровка маркування
Для правильного оформлення замовлення наводимо розшифровку асинхронного двигуна МТКН 312-6 У1 IM 1001.
- МТК – серія електродвигуна із короткозамкненим ротором
- Н – клас ізоляції
- 3 – умовний габарит
- 1 – номер серії
- 2 – довжина сердечника статора
- 6 – кількість полюсів
- У1 – кліматичне виконання, категорія розміщення
- IM 1001 – монтажне виконання
Телефонуйте та дізнайтесь актуальні ціни, наявність на складі електродвигунів МТКН 312-6!






Виктория Владимировна