Каталог пожежних гідрантів
Технічні характеристики підземних пожежних гідрантів
У таблиці вказані технічні характеристики сталевих та чавунних гідрантів підземних пожежних: номінальний тиск, діаметр проходу Ду та параметри необхідні для експлуатації.
| Пожежний гідрант | Технічні характеристики | ||||
| Номінальний тиск Ру (Pn), кгс/см2 | Діаметр проходу Ду (Dn), мм | Хід клапана, мм | Число оборотів штанги до повного відкривання клапана | Люфт шпинделя в опорі по осі | |
| Підземний | 10, 16 | 125 | 24-30 | 12-15 | до 0, 4 мм |
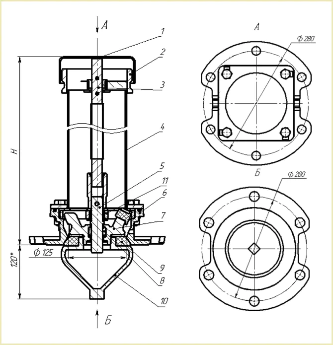
Креслення та розміри фланцевих підземних гідрантів
На кресленні загальний устрій підземного пожежного гідранта з вертикальним фланцевим монтажем.
У таблиці є матеріали основних деталей підземних гідрантів.
| № | Деталь | Матеріал |
| 1 | Кришка | морозостійка гума |
| 2 | Ніпель | латунь/чавун/сталь |
| 3 | Штанга | сталь |
| 4 | Корпус | чавун/сталь |
| 5 | Шток | 20X13 |
| 6 | Корпус клапана | ВЧ50/СЧ20 |
| 7 | Гайка | ВЧ50 |
| 8 | Втулка гайки | ЛС 59-1 |
| 9 | Сідло | морозостійка гума |
| 10 | Клапан | ВЧ50/СЧ20 |
| 11 | Фіксатор | чавун/сталь |
Пожежні підземні гідранти виготовляються з діаметром проходу ДУ-125 мм і мають ідентичні розміри крім довжини та ваги.
| Пожежний гідрант | Габаритні розміри та маса | ||||||||||||||
| Висота Н, м | 0,5 | 0,75 | 1,00 | 1,25 | 1,50 | 1,75 | 2,00 | 2,25 | 2,5 | 2,75 | 3,00 | 3,25 | 3,5 | 3,75 | 4,00 |
| Вага, кг | 26 | 28,6 | 31 | 33,6 | 36 | 38,5 | 41 | 43,5 | 46 | 48,5 | 51 | 53,5 | 56 | 58,5 | 61 |
Експлуатація пожежних гідрантів
- Пожежні підземні гідранти встановлюються у вертикальному положенні відповідно ГОСТ 12.3.006, ГОСТ 12.4.009.
- Зусилля затягування болтів, що додається, при монтажі пожежного підземного гідранту до підставки – не більше 5 кг*с*м.
- При встановленні гідранту, потрібно забезпечити можливість комфортного проведення ремонтних робіт, повне накручування пожежної колонки, відкривання кришки гідранту та вільне встановлення кришки в колодязях.
- Відкриття та закриття пожежного гідранту виконується вручну ключем пожежної колонки.
- У разі протікання при закриванні клапана, здійснити відкриття та повторне закриття. Причиною протікання води може бути потрапляння сторонніх частинок між сідлом та корпусом клапана.
- Зберігання гідрантів при закритому положенні пожежного клапана – за групою 5 по ГОСТ 15150.
Технічне обслуговування пожежних гідрантів підземних
Технічне обслуговування пожежних підземних гідрантів проводиться двічі на рік, яке включає перевірку:
- Працездатності підземного гідранту з пожежною колонкою та визначення витрати води;
- Клапана на герметичність;
- Легкості закриття та відкриття клапана;
- Справності кришки водопровідного колодязя та люка;
- Різьблення ніпеля та кришки;
- Корпуси гідранту та верхнього квадрата штанги;
- Присутності води в колодязі та корпусі пожежного гідранту.
Купити гідранти підземні пожежні
У Систем Якості можна купити гідранти підземні пожежні сталеві та чавунні виробництва України ГОСТ 8220-85. Підберемо підземні гідранти для пожежогасіння з довжиною 0,5, 0,75, 1,00, 1,25, 1,50, 1,75, 2,00, 2,25, 2,50, 2,75, 3,00 , 3,25, 3,50, 3750, 4,00 м. Все обладнання та вузли проходять випробування на відповідність параметрам, зазначеним у ГОСТ, DIN. У комплекті поставки: підземний пожежний гідрант, паспорт сумісний з інструкцією з експлуатації та обслуговування, сертифікат (може додаватись залежно від фірми виробника та серії).
Виконаємо діагностику та ремонт фільтрів сітчастих осадових, зворотних клапанів, кульових кранів, затворів батерфляй, засувок, електроприводів, затворів дискових поворотних, усунем несправності та дефекти, проведемо ревізію (заміна прокладок, набивання, мастила), опресування (гідровипробування). Гарантія 12 місяців за умови дотримання умов експлуатації та СНіП (будівельні норми та правила).
Ціна пожежних гідрантів ГОСТ 8220-85 в Україні
Ціна пожежного підземного гідранту залежить від матеріалу корпусу та довжини. Для опту діє система знижок 5-15% від прайсу.
| Гідрант підземний | Ціна, грн з ПДВ | |
| Сталевий | Чавунний | |
| ГП-500 | 6798 | 7110 |
| ГП-750 | 7260 | 7554 |
| ГП-1000 | 7614 | 8370 |
| ГП-1250 | 7980 | 10950 |
| ГП-1500 | 8562 | 10920 |
| ГП-1750 | 8886 | 10980 |
| ГП-2000 | 9234 | 12300 |
| ГП-2250 | 9660 | 12960 |
| ГП-2500 | 9822 | 13356 |
| ГП-2750 | 10860 | 14328 |
| ГП-3000 | 11232 | 14718 |
| ГП-3250 | 11484 | 15822 |
| ГП-3500 | 11778 | 16254 |
| ГП-3750 | 12330 | 16494 |
| ГП-4000 | 12360 | 16656 |
Для прорахунку вартості підставок для гідрантів, пожежних колонок та наземних гідрантів – зверніться до менеджера або відправте запит на пошту.
Компанія Системи Якості постачальник надійних пожежних гідрантів




Виктория Владимировна