Каталог дискових затворів
Затвори дискові поворотні з гумовим ущільненням
Поворотні дискові затвори з гумовим ущільненням використовуються для перекриття потоку робочого середовища в трубопроводах транспортування рідких та газоподібних середовищ нейтральних до матеріалів затворів. Сфера застосування – водопостачання, нафтогазопроводи, теплоенергетична та хімічна промисловості. Номінальний тиск робочого середовища Ру-2,5, Ру-6,3, Ру-10, Ру-16, Ру-25.
Технічні характеристики дискових затворів
| Затвор дисковий | Технічні характеристики | Гарантійне напрацювання | |||||
| Діаметр Ду, мм | Тиск Ру, МПа | Клас герметичності | Приєднання до трубопроводу | Будівельна довжина | Температура навколишнього середовища, °C | ||
| З гумовим ущільненням | 150…2400 | 0,25…2,5 | А, B, C, D | Фланцеве/під приварювання | ОСТ 26-07-1500/ДСТУ ISO 5752 | -60…+40С | 700 циклів |
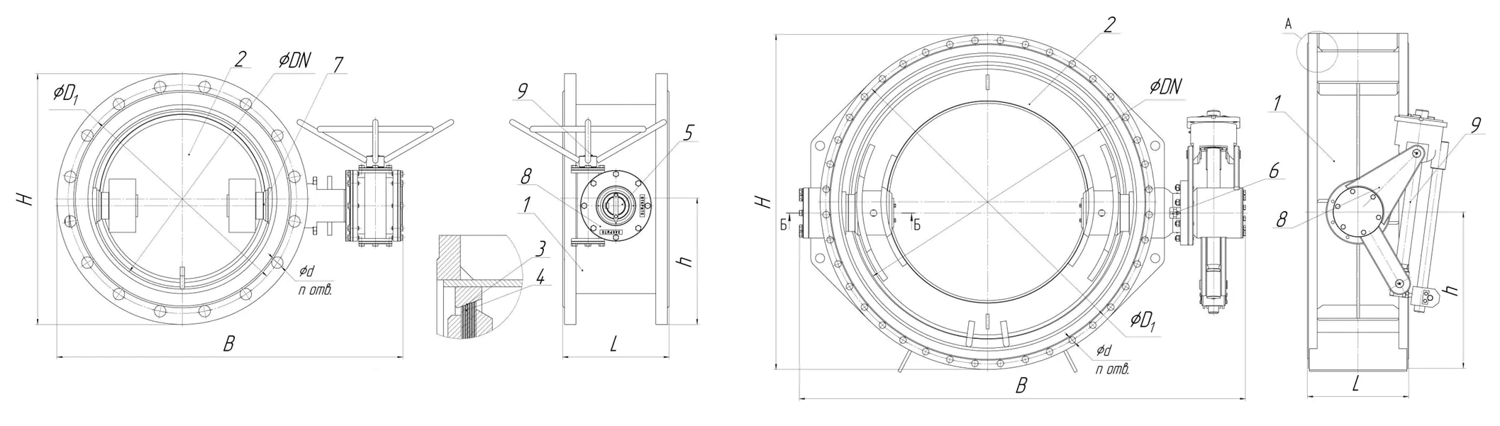
Пристрій та особливості конструкції фланцевих дискових затворів
Фланцеві дискові затвори виготовляються методом зварювання зі стандартною будівельною довжиною за ГОСТ 28908, ОСТ 26-07-1500. Гумове ущільнення поворотного сталевого дискового затвора забезпечує високу герметичність, а сферична конструкція диска – низький гідравлічний опір.
| № | Деталь | Матеріал | № | Деталь | Матеріал | № | Деталь | Матеріал |
| 1 | Корпус | Ст20, 09Г2С, 08Х18Н10Т/10Х17Н13М2T | 4 | Ущільнення на диску | гумовий профіль | 7 | Підшипник ковзання | БрАЖНМц10-3-1,5 |
| 2 | Диск | 5 | Вал, вісь | 20Х13, 10Х17Н13М2 | 8 | Редуктор | Ст20, 09Г2С | |
| 3 | Ущільнення у корпусі | 12Х18Н10Т/10Х17Н13М2T | 6 | Ущільнення валу, осі | Сальникове набивання з АП-31 | 9 | Шпіндель | 20Х13 |
Розміри сталевих дискових затворів під привод
| Затвор дисковий | Ру, кгс/см2 | Маркування затвора | Габаритні та приєднувальні розміри, мм | n, шт. | Маса фланцева/під приварювання, кг | |||||
| L фланець/сварка | В | Н | h | D1 | d | |||||
| Ду-150 | 10 | 32с310р, 32с910р | 210/250 | 510 | 280 | 140 | 240 | 22 | 8 | 119/107 |
| 16 | 32с316р, 32с916р | 210/250 | 510 | 280 | 140 | 240 | 22 | 8 | 119/107 | |
| 25 | 32с330р, 32с930р | 210/250 | 530 | 300 | 150 | 250 | 26 | 8 | 126/115 | |
| Ду-200 | 10 | 32с310р, 32с910р | 230/250 | 565 | 335 | 178 | 295 | 22 | 8 | 126/115 |
| 16 | 32с316р, 32с916р | 230/250 | 565 | 335 | 178 | 295 | 22 | 12 | 127/115 | |
| 25 | 32с330р, 32с930р | 230/250 | 590 | 360 | 180 | 310 | 26 | 12 | 140/126 | |
| Ду-250 | 10 | 32с310р, 32с910р | 210/300 | 620 | 390 | 195 | 350 | 22 | 12 | 140/120 |
| 16 | 32с316р, 32с916р | 250/300 | 625 | 405 | 203 | 355 | 26 | 22 | 146/132 | |
| 25 | 32с330р, 32с930р | 250/300 | 645 | 425 | 213 | 370 | 30 | 12 | 157/142 | |
| Ду-300 | 10 | 32с310р, 32с910р | 220/350 | 670 | 440 | 220 | 400 | 22 | 12 | 142/125 |
| 16 | 32с316р, 32с916р | 270/350 | 690 | 460 | 230 | 410 | 26 | 12 | 165/137 | |
| 25 | 32с330р, 32с930р | 270/350 | 715 | 485 | 243 | 430 | 30 | 16 | 173/150 | |
| Ду-350 | 10 | 32с310р, 32с910р | 290/375 | 730 | 500 | 250 | 460 | 22 | 16 | 164/126 |
| 16 | 32с316р, 32с916р | 290/375 | 750 | 520 | 260 | 470 | 26 | 16 | 186/143 | |
| 25 | 32с330р, 32с930р | 290/375 | 780 | 550 | 275 | 490 | 33 | 16 | 214/160 | |
| Ду-400 | 6,3 | 32с306р, 32с906р | 240/400 | 765 | 535 | 268 | 495 | 22 | 16 | 175/160 |
| 10 | 32с310р, 32с910р | 240/400 | 795 | 565 | 283 | 515 | 26 | 16 | 220/183 | |
| 16 | 32с316р, 32с916р | 310/400 | 810 | 580 | 290 | 525 | 30 | 16 | 247/194 | |
| 25 | 32с330р, 32с930р | 310/400 | 857 | 610 | 305 | 550 | 33 | 16 | 278/203 | |
| Ду-500 | 6,3 | 32с306р, 32с906р | 275/450 | 870 | 640 | 320 | 600 | 22 | 16 | 244/233 |
| 10 | 32с310р, 32с910р | 275/450 | 908 | 670 | 335 | 620 | 26 | 20 | 253/242 | |
| 16 | 32с316р, 32с916р | 350/450 | 940 | 710 | 355 | 650 | 33 | 20 | 336/238 | |
| 25 | 32с330р, 32с930р | 350/450 | 960 | 730 | 365 | 660 | 39 | 20 | 368/241 | |
| Ду-600 | 6,3 | 32с306р, 32с906р | 300/600 | 985 | 755 | 378 | 705 | 26 | 20 | 326/340 |
| 10 | 32с310р, 32с910р | 300/600 | 1010 | 780 | 390 | 725 | 30 | 20 | 391/380 | |
| 16 | 32с316р, 32с916р | 390/600 | 1070 | 840 | 420 | 770 | 39 | 20 | 549/427 | |
| 25 | 32с530р, 32с930р | 390/600 | 1129 | 840 | 420 | 770 | 39 | 20 | 602/508 | |
| Ду-700 | 6,3 | 32с306р, 32с906р | 325/675 | 1090 | 860 | 430 | 810 | 26 | 24 | 332/367 |
| 10 | 32с310р, 32с910р | 325/675 | 1275 | 895 | 448 | 840 | 30 | 24 | 576/552 | |
| 16 | 32с516р, 32с916р | 430/675 | 1290 | 910 | 455 | 840 | 39 | 24 | 693/605 | |
| 25 | 32с530р, 32с930р | 430/675 | 1340 | 960 | 480 | 875 | 45 | 24 | 829/661 | |
| Ду-800 | 6,3 | 32с306р, 32с906р | 350/750 | 1355 | 975 | 488 | 920 | 30 | 24 | 619/577 |
| 10 | 32с510р, 32с910р | 350/750 | 1339 | 1010 | 505 | 950 | 33 | 24 | 630/588 | |
| 16 | 32с516р, 32с916р | 470/750 | 1400 | 1020 | 510 | 950 | 39 | 24 | 821/670 | |
| 25 | 32с530р, 32с930р | 470/750 | 1455 | 1075 | 538 | 990 | 45 | 24 | 1150/1223 | |
| Ду-900 | 2,5 | 32с508р, 32с908р | 375/800 | 1475 | 1075 | 538 | 1020 | 30 | 24 | 830/795 |
| 6,3 | 32с506р, 32с906р | 375/800 | 1475 | 1075 | 538 | 1020 | 30 | 28 | 907/907 | |
| 10 | 32с510р, 32с910р | 375/800 | 1510 | 1110 | 555 | 1050 | 33 | 28 | 989/969 | |
| 16 | 32с516р, 32с916р | 510/800 | 1520 | 1120 | 560 | 1050 | 39 | 28 | 1329/1107 | |
| 25 | 32с530р, 32с930р | 510/800 | 1585 | 1185 | 593 | 1090 | 52 | 28 | 1610/1664 | |
| Ду-1000 | 2,5 | 32с508р, 32с908р | 400/800 | 1550 | 1175 | 588 | 1120 | 30 | 28 | 830/831 |
| 6,3 | 32с506р, 32с906р | 400/800 | 1550 | 1175 | 588 | 1120 | 30 | 28 | 880/923 | |
| 10 | 32с510р, 32с910р | 400/800 | 1556 | 1220 | 610 | 1160 | 33 | 28 | 1026/1088 | |
| 16 | 32с516р, 32с916р | 550/800 | 1635 | 1255 | 628 | 1170 | 45 | 28 | 1508/1253 | |
| 25 | 32с530р, 32с930р | 550/800 | 1708 | 1315 | 563 | 1210 | 56 | 28 | 2254/1782 | |
| Ду-1200 | 2,5 | 32с508р, 32с908р | 450/850 | 1755 | 1375 | 688 | 1320 | 30 | 32 | 1521/1556 |
| 6,3 | 32с506р, 32с906р | 450/850 | 1780 | 1400 | 700 | 1340 | 33 | 32 | 1701/1679 | |
| 10 | 32с510р, 32с910р | 450/850 | 1837 | 1455 | 728 | 1380 | 39 | 32 | 1879/1998 | |
| 16 | 32с516р, 32с916р | 630/850 | 1865 | 1485 | 743 | 1390 | 52 | 32 | 2547/2026 | |
| 25 | 32с530р, 32с930р | 850 | 2035 | 1350 | 675 | – | – | – | 2326 | |
| Ду-1400 | 2,5 | 32с508р, 32с908р | 500/1000 | 1955 | 1575 | 788 | 1520 | 30 | 36 | 1555/1687 |
| 6,3 | 32с506р, 32с906р | 500/1000 | 2000 | 1620 | 810 | 1560 | 33 | 36 | 1828/1820 | |
| 10 | 32с510р, 32с910р | 500/1000 | 2102 | 1675 | 838 | 1590 | 45 | 36 | 2704/2577 | |
| Ду-1600 | 2,5 | 32с508р, 32с908р | 550/1000 | 2165 | 1785 | 893 | 1730 | 30 | 40 | 2279/2418 |
| 6,3 | 32с506р, 32с906р | 550/1000 | 2200 | 1820 | 910 | 1760 | 33 | 40 | 2596/2774 | |
| 10 | 32с510р, 32с910р | 550/1000 | 2225 | 1915 | 958 | 1820 | 52 | 40 | 3406/3128 | |
| Ду-1800 | 2,5 | 32с508р, 32с908р | 600/1000 | 2467 | 1985 | 993 | 1930 | 30 | 44 | 2902/3139 |
| 6,3 | 32с506р, 32с906р | 870/1000 | 2675 | 2045 | 1023 | 1970 | 39 | 44 | 3296/3532 | |
| Ду-2000 | 2,5 | 32с508р, 32с908р | 650/1000 | 2825 | 2190 | 1095 | 2130 | 30 | 48 | 3601/3456 |
| 6,3 | 32с506р, 32с906р | 1000 | 2895 | 2265 | 1133 | – | – | – | 3800 | |
| Ду-2200 | 2,5 | 32с508р, 32с908р | 750/1050 | 3035 | 2405 | 1203 | 2340 | 33 | 52 | 5022/4706 |
| Ду-2400 | 2,5 | 32с508р, 32с908р | 900/1100 | 3235 | 2560 | 1280 | 2540 | 33 | 56 | 5673/5121 |
Затвори дискові триексцентрикові з ламінальним ущільненням
Триексцентрикові дискові поворотні затвори з ламінальним ущільненням призначені для експлуатації в умовах високої температури та агресивного середовища. Номінальний тиск робочого середовища Ру-2,5, Ру-6,3, Ру-10, Ру-16, Ру-25.
Технічні характеристики поворотних затворів із нержавіючим ущільненням
| Затвор поворотний | Технічні характеристики | Гарантійне напрацювання | |||||
| Діаметр Ду, мм | Тиск Ру, МПа | Клас герметичності | Приєднання до трубопроводу | Будівельна довжина | Температура робочого середовища, °C | ||
| Триексцентриковий з ламінальним ущільненням | 150…2400 | 0,25…2,5 | А, B, C, D | Фланцеве/під приварювання | ОСТ 26-07-1500/ДСТУ ISO 5752 | -600…+3000 | 500 циклів |
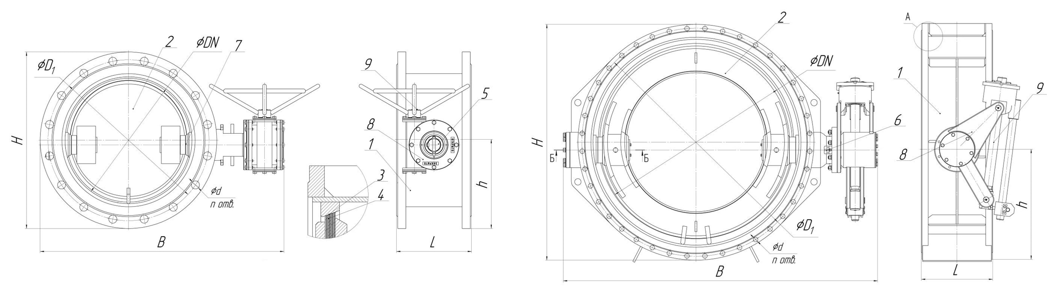
Пристрій та особливості конструкції дискових затврів з ручним керуванням
Триексцентрикові поворотні затвори мають збільшену пропускну здатність за рахунок профільованого диска. Особливість конструції диска забезпечує високий термін служби поворотного затвора за рахунок мінімального механічного зношування ущільнень. Ідеальний контакт поверхонь диска та корпусу, що виключає протікання по затвору. Ламінальне кільце виготовлене з нержавіючої сталі, що дає стійкість до агресивних середовищ та високих температур (-600°C..+2500°C сальникове набивання АП-31, від -400°C…+1500°C застосовуються прокладки з пароніту).
| № | Деталь | Матеріал | № | Деталь | Матеріал | № | Деталь | Матеріал |
| 1 | Корпус | Ст20, 09Г2С, 08Х18Н10Т/10Х17Н13М2T | 4 | Ущільнення на диску | 08Х18Н10+пароніт, 10Х17Н13М2+PTFE | 7 | Підшипник ковзання | БрАЖНМц10-3-1,5 |
| 2 | Диск | 5 | Вал, вісь | 20Х13, 10Х17Н13М2 | 8 | Редуктор | Ст20, 09Г2С | |
| 3 | Ущільнення у корпусі | Наплавка нержавіюча зносостійка | 6 | Ущільнення валу, осі | Сальникове набивання з ТРГ/АП-31 | 9 | Шпіндель | 20Х13 |
Розміри та діаметри поворотних затворів
| Затвор повортний | РУ, МПа | Габаритні та монтажні розміри, мм | n, шт. | Вага фланцева/під приварювання, кг | ||||||
| Модель затвора | L фланець/приварювання | В | Н | h | D1 | d | ||||
| Ду150 | 1,0 | 32с310нж, 32с910нж | 210/250 | 510 | 280 | 140 | 240 | 22 | 8 | 110/99 |
| 1,6 | 32с316нж, 32с916нж | 210/250 | 510 | 280 | 140 | 240 | 22 | 8 | 110/99 | |
| 2,5 | 32с330нж, 32с930нж | 210/250 | 530 | 300 | 150 | 250 | 26 | 8 | 117/106 | |
| Ду200 | 1,0 | 32с310нж, 32с910нж | 230/250 | 565 | 335 | 178 | 295 | 22 | 8 | 117/106 |
| 1,6 | 32с316нж, 32с916нж | 230/250 | 565 | 335 | 178 | 295 | 22 | 12 | 117/106 | |
| 2,5 | 32с330нж, 32с930нж | 230/250 | 590 | 360 | 180 | 310 | 26 | 12 | 130/117 | |
| Ду250 | 1,0 | 32с310нж, 32с910нж | 210/300 | 620 | 390 | 195 | 350 | 22 | 12 | 130/111 |
| 1,6 | 32с316нж, 32с916нж | 250/300 | 625 | 405 | 203 | 355 | 26 | 22 | 135/122 | |
| 2,5 | 32с330нж, 32с930нж | 250/300 | 645 | 425 | 213 | 370 | 30 | 12 | 145/131 | |
| Ду300 | 1,0 | 32с310нж, 32с910нж | 220/350 | 670 | 440 | 220 | 400 | 22 | 12 | 131/116 |
| 1,6 | 32с316нж, 32с916нж | 270/350 | 690 | 460 | 230 | 410 | 26 | 12 | 153/127 | |
| 2,5 | 32с330нж, 32с930нж | 270/350 | 715 | 485 | 243 | 430 | 30 | 16 | 159/139 | |
| Ду350 | 1,0 | 32с310нж, 32с910нж | 290/375 | 730 | 500 | 250 | 460 | 22 | 16 | 152/116 |
| 1,6 | 32с316нж, 32с916нж | 290/375 | 750 | 520 | 260 | 470 | 26 | 16 | 172/132 | |
| 2,5 | 32с330нж, 32с930нж | 290/375 | 780 | 550 | 275 | 490 | 33 | 16 | 198/148 | |
| Ду400 | 0,63 | 32с306нж, 32с906нж | 240/400 | 765 | 535 | 268 | 495 | 22 | 16 | 142/127 |
| 1,0 | 32с310нж, 32с910нж | 240/400 | 795 | 565 | 283 | 515 | 26 | 16 | 185/149 | |
| 1,6 | 32с316нж, 32с916нж | 310/400 | 810 | 580 | 290 | 525 | 30 | 16 | 213/161 | |
| 2,5 | 32с330нж, 32с930нж | 310/400 | 840 | 610 | 305 | 550 | 33 | 16 | 242/169 | |
| Ду500 | 0,63 | 32с306нж, 32с906нж | 275/450 | 870 | 640 | 320 | 600 | 22 | 16 | 240/219 |
| 1,0 | 32с310нж, 32с910нж | 275/450 | 900 | 670 | 335 | 620 | 26 | 20 | 228/217 | |
| 1,6 | 32с316нж, 32с916нж | 350/450 | 940 | 710 | 355 | 650 | 33 | 20 | 346/250 | |
| 2,5 | 32с530нж, 32с930нж | 350/450 | 960 | 730 | 365 | 660 | 39 | 20 | 493/268 | |
| Ду600 | 0,63 | 32с306нж, 32с906нж | 300/600 | 985 | 755 | 378 | 705 | 26 | 20 | 320/334 |
| 1,0 | 32с310нж, 32с910нж | 300/600 | 1010 | 780 | 390 | 725 | 30 | 20 | 383/373 | |
| 1,6 | 32с516нж, 32с916нж | 390/600 | 1070 | 840 | 420 | 770 | 39 | 20 | 585/521 | |
| 2,5 | 32с530нж, 32с930нж | 390/600 | 1070 | 840 | 420 | 770 | 39 | 20 | 774/726 | |
| Ду700 | 0,25 | 32с308нж, 32с908нж | 325/675 | 1090 | 860 | 430 | 810 | 26 | 24 | 310/336 |
| 0,63 | 32с306нж, 32с906нж | 325/675 | 1090 | 860 | 430 | 810 | 26 | 24 | 325/423 | |
| 1,0 | 32с510нж, 32с910нж | 325/675 | 1275 | 895 | 448 | 840 | 30 | 24 | 664/621 | |
| 1,6 | 32с516нж, 32с916нж | 430/675 | 1290 | 910 | 455 | 840 | 39 | 24 | 736/650 | |
| 2,5 | 32с530нж, 32с930нж | 430/675 | 1340 | 960 | 480 | 875 | 45 | 24 | 1098/1008 | |
| Ду800 | 0,25 | 32с308нж, 32с908нж | 350/750 | 1205 | 975 | 488 | 920 | 30 | 24 | 555/479 |
| 0,63 | 32с306нж, 32с906нж | 350/750 | 1355 | 975 | 488 | 920 | 30 | 24 | 607/565 | |
| 1,0 | 32с510нж, 32с910нж | 350/750 | 1390 | 1010 | 505 | 950 | 33 | 28 | 717/676 | |
| 1,6 | 32с516нж, 32с916нж | 470/750 | 1400 | 1020 | 510 | 950 | 39 | 24 | 898/751 | |
| 2,5 | 32с530нж, 32с930нж | 470/750 | 1455 | 1075 | 538 | 990 | 45 | 24 | 1227/1228 | |
| Ду900 | 0,25 | 32с508нж, 32с908нж | 375/800 | 1475 | 1075 | 538 | 1020 | 30 | 24 | 892/854 |
| 0,63 | 32с506нж, 32с906нж | 375/800 | 1475 | 1075 | 538 | 1020 | 30 | 28 | 978/978 | |
| 1,0 | 32с510нж, 32с910нж | 375/800 | 1510 | 1110 | 555 | 1050 | 33 | 28 | 1063/1041 | |
| 1,6 | 32с516нж, 32с916нж | 510/800 | 1520 | 1120 | 560 | 1050 | 39 | 28 | 1429/1190 | |
| 2,5 | 32с530нж, 32с930нж | 510/800 | 1585 | 1185 | 593 | – | – | – | 1896 | |
| Ду1000 | 0,25 | 32с508нж, 32с908нж | 400/800 | 1555 | 1175 | 588 | 1120 | 30 | 28 | 1066/1074 |
| 0,63 | 32с506нж, 32с906нж | 400/800 | 1555 | 1175 | 588 | 1120 | 30 | 28 | 1170/1213 | |
| 1,0 | 32с510нж, 32с910нж | 400/800 | 1600 | 1220 | 610 | 1160 | 33 | 28 | 1216/1216 | |
| 1,6 | 32с516нж, 32с916нж | 550/800 | 1635 | 1255 | 628 | 1170 | 45 | 28 | 1700/1412 | |
| 2,5 | 32с530нж, 32с930нж | 800 | 1945 | 1315 | 658 | – | – | – | 2218 | |
| Ду1200 | 0,25 | 32с508нж, 32с908нж | 450/850 | 1755 | 1375 | 688 | 1320 | 30 | 32 | 1410/1450 |
| 0,63 | 32с506нж, 32с906нж | 450/850 | 1780 | 1400 | 700 | 1340 | 33 | 32 | 1613/1590 | |
| 1,0 | 32с510нж, 32с910нж | 450/850 | 1835 | 1455 | 728 | 1380 | 39 | 32 | 2119/2253 | |
| 1,6 | 32с516нж, 32с916нж | 630/850 | 1865 | 1485 | 743 | 1390 | 52 | 32 | 2872/2384 | |
| 2,5 | 32с530нж, 32с930нж | 850 | 2155 | 1525 | 763 | – | – | – | 2623 | |
| Ду1400 | 0,25 | 32с508нж, 32с908нж | 500/1000 | 1955 | 1575 | 788 | 1520 | 30 | 36 | 2301/2450 |
| 0,63 | 32с506нж, 32с906нж | 500/1000 | 2000 | 1620 | 810 | 1560 | 33 | 36 | 2609/2600 | |
| 1,0 | 32с510нж, 32с910нж | 500/1000 | 2055 | 1675 | 838 | 1590 | 45 | 36 | 3200/3098 | |
| Ду1600 | 0,25 | 32с508нж, 32с908нж | 550/1000 | 2165 | 1785 | 893 | 1730 | 30 | 40 | 2570/2727 |
| 0,63 | 32с506нж, 32с906нж | 550/1000 | 2200 | 1820 | 910 | 1760 | 33 | 40 | 2848/3072 | |
| 1,0 | 32с510нж, 32с910нж | 550/1000 | 2295 | 1915 | 958 | 1820 | 52 | 40 | 4515/3798 | |
| Ду1800 | 0,25 | 32с508нж, 32с908нж | 600/1000 | 2365 | 1985 | 993 | 1930 | 30 | 44 | 2637/2903 |
| 0,63 | 32с506нж, 32с906нж | 870/1000 | 2675 | 2045 | 1023 | 1970 | 39 | 44 | 3533/3360 | |
| Ду2000 | 0,25 | 32с508нж, 32с908нж | 650/1000 | 2790 | 2190 | 1095 | 2130 | 30 | 48 | 4840/4680 |
| Ду2200 | 0,25 | 32с508нж, 32с908нж | 750/1050 | 3005 | 2405 | 1203 | 2340 | 33 | 52 | 5400/5325 |
| Ду2400 | 0,25 | 32с508нж, 32с908нж | 900/1100 | 3305 | 2605 | 1303 | 2540 | 33 | 56 | 6100/5786 |
Позначення та розшифрування маркування
У таблиці вказано розшифрування умовних позначень матеріалів корпусу та кілець ущільнювачів штампосварних поворотних дискових затворів.
| Кільця ущільнювачів | Корпус | Привід | |||||||
| Матеріал | Код | Матеріал | Код | Матеріал | Код | Матеріал | Код | Тип | Код |
| Латунь та бронза | БР | Ебоніт | Е | Сталь вуглецева | С | Монель-металл | МН | Червячний | 3 |
| Монель-металл | МН | Гума | Р | Сталь легована | ЛС | Вініпласт | ВП | Циліндричний | 4 |
| Нержавіюча сталь | НЖ | Вініпласт | ВП | Сталь корозійностійка або нержавіюча | НЖ | Пластмас | П | Конічний | 5 |
| Нітрована сталь | НТ | Пластмас | П | Чавун сірий | Ч | Порцеляна | К | Пневматичний | 6 |
| Бабіт | БТ | Без вставних або наплавлених кілець | БК | Чавун ковкий | КЧ | Титан | ТН | Гідравлічний | 7 |
| Стелліт | СТ | Фторопласт | ФТ | Латунь або бронза | Б | Скло | СК | Електромагнітний | 8 |
| Сормайт | СР | Шкіра | ШК | Алюміній | А | Електричний | 9 | ||
Купити затвори дискові поворотні зварні
У Систем Якості можете купити затвори дискові поворотні зварні з електроприводом або редукторні з ручним керуванням. Усі зварні дискові затвори проходять випробування, перевірку на стенді з манометром на відповідність параметрам, зазначеним у ГОСТ. У комплекті поставки: сталевий затвор дисковий фланцевий або під приварювання під тиск Ру-2,5/6,3/10/16/25, паспорт суміщений з інструкцією з експлуатації та обслуговування, сертифікат.
Виконаємо діагностику та ремонт засувок литих, зворотних клапанів, кульових кранів, затворів міжфланцевих батерфляй, вентилів, штампозварних засувок усунем несправності та дефекти, проведемо ревізію та притирання арматури зі зберігання (заміна прокладок, набивання, мастила), опресування (гідровипробування). Гарантія на зварні затвори 12 місяців за умови дотримання умов експлуатації та СНіП (будівельні норми та правила).
Ціна дискового затвору в Україні
Ціна дискового поворотного затвора залежить від фігури, тиску Ру, діаметра Ду, монтажного виконання, типу і матеріалу ущільнень. Для опту діє система знижок 5-15% від прайсу. Для розрахунку вартості дискового затвора – зверніться до менеджера або надішліть запит на пошту.
Компанія Системи Якості постачальник надійної запірної арматури










Виктория Владимировна