Технічні характеристики
Основні технічні характеристики мотор-редукторів 3МП-100, заявлені у паспорті, зведені у каталозі.
| Мотор-редуктор | Частота обертання, об/хв | Потужність двигуна, кВт | Марка двигуна | Крутний момент, Нм | Радіальне навантаження, Н | Вага, кг |
| 3МП-100 триступінчастий | 2,2 | 1,1 | АИР90LB8 | 4345 | 16500 | 277 |
| 1,5 | АИР100L8 | 4590 | 294 | |||
| 3,5 | 1,1 | АИР90LB8 | 2731 | 16500 | 277 | |
| 1,5 | АИР100L8 | 3725 | 294 | |||
| 4,4 | 1,1 | АИР90LB8 | 2173 | 16500 | 277 | |
| 1,5 | АИР100L8 | 2963 | 294 | |||
| 5,6 | 1,5 | АИР90L6 | 2328 | 16500 | 270 | |
| 2,2 | АИР100L6 | 3414 | 283 | |||
| 7,1 | 2,2 | АИР90L4 | 2693 | 16500 | 270 | |
| 3,0 | АИР100S4 | 3672 | 279 | |||
| 9 | 3,0 | АИР100S4 | 2897 | 16500 | 279 | |
| 4,0 | АИР100L4 | 3862 | 282 | |||
| 12,5 | 4,0 | АИР100S2 | 2781 | 16500 | 275 | |
| 5,5 | АИР100L2 | 3824 | 279 | |||
| 16 | 4,0 | АИР100S2 | 2173 | 16500 | 275 | |
| 5,5 | АИР100L2 | 2987 | 279 | |||
| 3МП-100 двоступінчастий | 18 | 5,5 | АИР132M8 | 2743 | 15000 | 310 |
| 7,5 | АИР160S8 | 3740 | 363 | |||
| 22,4 | 7,5 | АИР132M6 | 3006 | 15000 | 307 | |
| 11 | АИР160S6 | 4408 | 355 | |||
| 28 | 7,5 | АИР132M6 | 2405 | 15000 | 307 | |
| 11 | АИР160S6 | 3527 | ||||
| 355 | ||||||
| 35,5 | 11 | АИР132M4 | 2782 | 15000 | 306 | |
| 15 | АИР160S4 | 3793 | ||||
| 355 | ||||||
| 45 | 15 | АИР160S4 | 2992 | 15000 | 355 | |
| 22 | АИР180S4 | 4389 | ||||
| 395 | ||||||
| 56 | 15 | АИР160S4 | 2405 | 15000 | 355 | |
| 22 | АИР180S4 | 3527 | ||||
| 395 | ||||||
| 71 | 22 | АИР180S2 | 2782 | 15000 | 395 | |
| 30 | АИР180M2 | 3793 | 415 | |||
| 90 | 22 | АИР180S2 | 2194 | 15000 | 395 | |
| 30 | АИР180M2 | 2992 | 415 | |||
| 3МП-100 одноступінчастий | 112 | 37 | АИР225M6 | 3060 | 9000 | 620 |
| 45 | АИР250S6 | 3722 | 790 | |||
| 140 | 45 | АИР250S6 | 2978 | 9000 | 790 | |
| 55 | АИР250M6 | 3639 | 790 | |||
| 180 | 55 | АИР225M4 | 2831 | 9000 | 595 | |
| 75 | АИР250S4 | 3860 | 750 | |||
| 224 | 75 | АИР250S4 | 3102 | 9000 | 750 | |
| 90 | АИР250M4 | 3722 | 755 | |||
| 280 | 75 | АИР250S4 | 2481 | 9000 | 750 | |
| 90 | АИР250M4 | 2978 | 755 |
Особливості експлуатації
Паспортний ресурс та максимальний термін служби забезпечить дотримання специфіки експлуатації планетарного мотор-редуктора 3МП-100:
- режим роботи S1 (ГОСТ 183-74);
- обертання валу у будь-який бік;
- вибухобезпечне неагресивне зовнішнє середовище;
- концентрація пилу до 10 мг/м3;
- кліматичне виконання – У1, У2 (ГОСТ 151100-69);
- висота над рівнем моря – до 1000 м.
Креслення та розміри
На лапах – G110, G120, G130, G140, G150, G160
| Тип мотор-редуктора | L | B | H | L1 | L2 | B1 | B2 | H1 | H2 | d1 | d | l | b | t | |
| Не більше | |||||||||||||||
| 3МП-100 | 3,55…16 | 850 | 415 | 420 | 200 | 340 | 340 | 415 | 235 | 40 | 35 | 80 | 160 | 22 | 85 |
| 18…90 | 1080 | 415 | 485 | ||||||||||||
| 112…280 | 1305 | 550 | 570 | ||||||||||||
Фланець – G310, G320, G330
| Планетарний мотор-редуктор | L | B | L3 | L4 | L5 | D | D1 | D2 | d2 | n | d | l | b | t | |
| Не більше | |||||||||||||||
| ЗМП-100- | 3,55…16 | 850 | 500 | 14 | 28 | 180 | 500 | 400 | 450 | 22 | 8 | 80 | 160 | 22 | 85 |
| 18…90 | 1080 | 500 | |||||||||||||
| 112…280 | 1305 | 550 | |||||||||||||
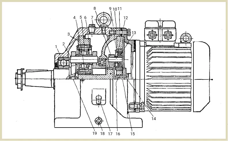
Будова планетарного мотор-редуктора 3МП-100

Монтажні виконання
На схемі зображені всі типи монтажних виконань мотор-редуктора 3МП-100, що визначають спосіб кріплення редуктора (лапи або фланець) та розташування відносно горизонтальної площини.
Довідкова інформація
Кількість заливаємого мастила
У таблиці вказано кількість заливання мастила в мотор-редуктори 3МП-100 для горизонтальних (G110, G140, G150, G160, G310) і вертикальних (G120, G130, G320, G330) монтажних виконань. Рекомендовані типи мастил ТС-з9 (–40…0 °С), ТСп-14,5, ТАп-15, ГСп-10 (0…+50 °С)
| Редуктор | Об’єм мастила з урахуванням типу виконання | |
| Горизонтальне | Вертикальне | |
| ЗМП-100 | 3-5 | 5-8 |
Розшифровка маркування
Умовне позначення містить інформацію про частоту обертання вихідного валу, монтажне та кліматичне виконання, потужність електродвигуна, радіус розташування сателітів. Нижче наводимо розшифрування маркування.
Де купити мотор-редуктори 3МП-100 та 4МП-100?
«Системи якості» відомі в Україні своїм підходом до надійності та контролю якості. Пропонуємо купити мотор-редуктори 4МП-100, 3МП-100 із частотою обертання валу 2,2; 3,5; 4,4; 5,6; 7,1; 9; 12,5; 16; 18; 22,4; 28; 35,5; 45; 56; 71; 90; 112; 140; 180, 224, 280 за заводською ціною. Кріплення на лапах або фланець з горизонтальним або вертикальним монтажним виконанням.
Ціни
Ціни на мотор-редуктор 3МП-100 уточнюйте по телефону. Кінцева вартість 4МП-100 залежатиме від потужності і країни виробника встановлюємого асинхронного електродвигуна.
| Редукторна частина | Частота обертання, об/хв | Ціна, грн с ПДВ |
| 4МП-100 | 3МП-100 | 2,2-16 | договірна |
| 18-90 | договірна | |
| 112-280 | договірна |
Виробляємо планетарні мотор-редуктори 3МП-100 відповідно до суворих вимог ОТК. Комплектуємо електродвигунами загальнопромислового, сільськогосподарського, морського, вибухобезпечного, тропічного виконання, постійного та змінного струму виробництва Україна, Китай або Білорусь, адаптуючи ціну під вимоги замовника.











Виктория Владимировна