Каталог
Переходьте до цікавої серії гідроштовхача ТЕ для детального перегляду інформації: технічні характеристики, ціна, інструкція, вага, паспорт, фото, об’єм масла, що заливається, габаритні розміри, пристрій, ГОСТ, ступінь захисту, розміри манжет, хід штока, принцип роботи, виробники, креслення.
Техничні характеристики
| Тип гидротовкача ТЕ | Зусилля підйому, Н | Частота включень, вкл/год | Хід штока, мм | Питома потужність, Вт | Час підйому штока, с | Час зворотнього хода штока, с | Маса робочлї рідини, л | Вага, кг | |
| номінальне | розвивається | ||||||||
| ТЕ30 | 300/320 | 450 | 780 | 32/50 | 160 | 0,3 | 0,3 | 1,2 | 11,62 |
| ТЕ50 | 500 | 620 | 720 | 60 | 180 | 0,5 | 0,4 | 1,6 | 12,5 |
| ТЕ80 | 800 | 1000 | 250 | 60 | 200 | 0,55 | 0,4 | 1,6 | 15 |
Експлуатаційні параметри
- Монтажне положення – вертикальне штоком вгору;
- Кліматичне виконання – У2 (ГОСТ 15150);
- Температура навколишнього середовища – від -40 до +40°C;
- Відносна вологість повітря – 80% при +20°C;
- Навколишнє середовище – не агресивне, вибухобезпечне;
- Тип робочої рідини – трансформаторна олія (ГОСТ 982-80);
- Висота над рівнем моря – не більше 1000м;
- Рід струму – змінний;
- Робоча напруга – 380/660В при 50-60 Гц;
- Режим роботи – повторно-короткочасний, трохи більше ПВ=60%.
Розшифровка позначення маркування
Розшифровка позначення електрогидротовкача ТЕ:
- Т – товкач;
- Е – електрогідравлічний;
- 80 – номінальне зусилля підйома;
- СУ – індекс виробника (модернізація);
- У2 – кліматичне виконання і категорія розміщення.
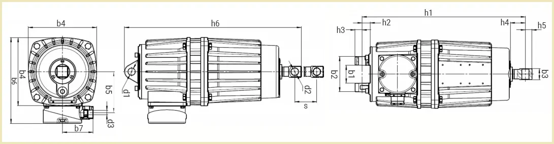
Креслення і габаритні розміри товкачів ТЕ
| Гідротовкач | d1 | d2 | d3 | h2 | h3 | h4 | h5 | h6 | b1 | b2 | b3 | b4 | b5 | b6 | b7 |
| ТЕ 30/50 | 16 | 16 | 12,5…20 | 18 | 16 | 34 | 15 | 401 | 40 | 80 | 25 | 155 | 93 | 195 | 70 |
| ТЕ 50/60 | 20 | 20 | 12,5…20 | 25 | 22 | 65 | 18 | 475 | 60 | 120 | 30 | 195 | 93 | 215 | 70 |
| ТЕ 80/60 | 20 | 20 | 12,5…20 | 25 | 22 | 45 | 18 | 490 | 60 | 120 | 30 | 195 | 93 | 215 | 70 |
Конструкція і принцип роботи
Принцип роботи електричного гідроштовхача серії ТЕ полягає у підйомі штока за рахунок створення надлишкового тиску робочої рідини електродвигуном. При обертанні двигуна робочі колеса створюють надлишковий тиск масла, нагнітаючи його під поршень, тим самим піднімаючи поршень разом зі штоком до верхнього положення. Шток залишається у верхньому положенні, поки включений мотор. При зупинці електромотора робоче колесо зупиняє і механізм повертається у вихідне положення.
Улаштування електричного гідротовкача ТЕ:
- Асинхронний електродвигун;
- Підшипниковий щит;
- Корпус;
- Робоче колесо;
- Корпус насоса;
- Циліндр;
- Поршень;
- Манжета штока;
- Сальникове кільце штока;
- Пробка для заливки масла;
- Ущільнююче кільце;
- Ушільнююче кільце;
- Манжета вала електродвигуна;
- Коробка виводів;
- Ущільнююче резинове кільце клемної панелі;
- Клемна панель;
- Захисна кришка;
- Болт заземлення;
- Зливний болт.
Технічне обслуговування електрогідравлічних товкачів ТЕ
Експлуатація кранових гідроштовхачів ТЕ передбачає виконання технічного обслуговування – 2 рази на рік, заміну робочої рідини – 1 раз на рік. Щоб уникнути виникнення несправностей та поломок під час експлуатації необхідно:
- Контролювати рівень трансформаторної олії;
- Слідкувати за появою сторонніх шумів, нагріванням;
- Не допускати забруднення вузла ущільнення штока та пошкодження ізоляції проводів;
- Перевіряти герметичність ущільнень та затяжку металовиробів.
Несправності і способи їх усунення
| Несправності | Причини | Рекомендації до усунення |
| Шток не піднімається чи не доходить до верхнього положення | Недостатній рівень масла | Долити недостаюче масло |
| Несправний електродвигун | Виконати ремонт двигуна | |
| Робоче колесо зачіпає корпус | Установити зазор в діапазоні 0,2-0,9 мм | |
| Витік масла по штоку | Ослаблений крепіж | Затягнути винти і болти |
| Підвищений витік по підшипниковому щиту двигуна | Знос ущільнення чи манжети вала двигуна | Виконати заміну |
| Підвищений нагрів гідротовкача ТЕ | Зносилась шийка валу | Пересунути манжету до упора в ущільнюючому гнізді щита |
| Підвищена напруга | Забезпечити напругу згідно паспорту | |
| Міжвиткове замикання двигуна | Полагодити обмотку | |
| Робоче колесо зачіпає корпус | Відрегулювати зазор | |
| Підвищений шум | Знос підшипників | Замінити |
| Не обертається електромотор | Нема напруги | Подати напругу |
| Обрыв проводов | Замінити провод | |
| Пошкоджена обмотка статора | Здійснити ремонт електродвигуна |
Купити товкач ТЕ в Україні
У Систем Якості можна купити гідротовкачі ТЕ для пружинних колодкових гальм ТКГ-160, ТКГ-200, ТКГ-300, ТКГ-400, ТКГ-500 та інших механізмів. Електрогідравлічні товкачі ТЕ відповідає ТУ У 29.2-31120036-002:2006, проходять випробування і перевірку ОТК. В комплект поставки входить:
- Електричний гідротовкач ТЕ;
- Ремкомплект манжет;
- Паспорт і інструкція по експлуатації.
Що впливає на ціну?
Ціна гідротовкача ТЕ для гальма ТКГ залежить від моделі, кліматичного виконання та ступеня захисту (загальнопромисловий або вибухозахищений). Купівля електрогідроштовхачів БО не рекомендується, оскільки механізм має певну кількість циклів роботи, може мати течі олії та критичний знос окремих деталей. Для актуалізації вартості штовхача ПЕ – зв’яжіться з менеджером або надішліть запит на електронну пошту. Для оптових та постійних клієнтів діє система знижок!










Виктория Владимировна