Каталог поворотных однодисковых клапанов 19ч16бр
Технические характеристики фланцевых клапанов 19ч16бр
В таблице указаны основные технические характеристики фланцевого поворотного обратного клапан 19ч16бр Ру-10: тип запорного элемента, способ монтажа, материал уплотнения и корпуса, вид рабочей среды, предельная температура, рабочее давление.
| Клапан обратный | Рабочее давление, Бар | Рабочая среда | Тип | Материал | Рабочая температура, °С | Крепление | Управление | |
| Корпуса | Уплотнительных колец | |||||||
| 19ч16бр | Ру-10 | Вода, пар | Поворотный | Серый чугун | Бронза/Латунь | до 225 | Фланцевое | Автоматическое |
Присоединительные размеры и строительная длина
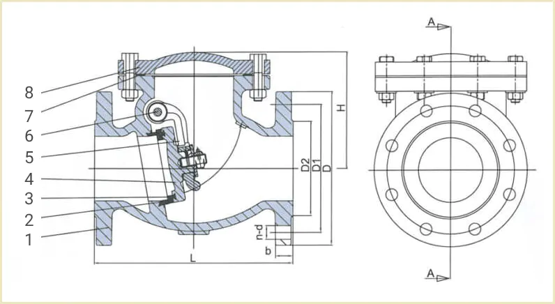
Габаритно-присоединительные размеры обратного клапана 19ч16бр могут отличаться в зависимости от завода производителя – Никопольский завод трубопроводной арматуры НЗТА или китайские и европейские аналоги. Для облегчения монтажа фланцевого чугунного поворотного клапана 19ч16бр согласовывайте строительную длину с менеджером.
| № | Деталь | Материал | № | Деталь | Материал |
| 1 | Корпус | СЧ25 | 5 | Коромысло | ВЧ50 |
| 2 | Кольцо корпуса | ЛЦ40С | 6 | Штифт | Нерж |
| 3 | Кольцо затвора | ЛЦ40С | 7 | Прокладка | Графит |
| 4 | Диск | СЧ25 | 8 | Крышка | Чугун |
| Клапан 19ч16бр | Габаритные и присоединительные размеры, мм | Масса, кг | ||||||
| D | D1 | D2 | L | H | b | n-d | ||
| 19ч16бр Ду-50 | 165 | 125 | 99 | 200/230 | 130 | 20 | 4-19 | 13.4/24,0 |
| 19ч16бр Ду-65 | 185 | 145 | 118 | 240 | 140 | 20 | 4-19 | 17.7 |
| 19ч16бр Ду-80 | 200 | 160 | 132 | 260/310 | 150 | 22 | 8-19 | 20.8/37,0 |
| 19ч16бр Ду-100 | 220 | 180 | 156 | 300/350 | 160 | 24 | 8-19 | 29.3/57,0 |
| 19ч16бр Ду-125 | 250 | 210 | 184 | 350 | 190 | 26 | 8-19 | 47.0 |
| 19ч16бр Ду-150 | 285 | 240 | 211 | 400/460 | 210 | 26 | 8-23 | 67.0/81,0 |
| 19ч16бр Ду-200 | 340 | 295 | 266 | 500 | 250 | 30 | 12-23 | 118.7/148,0 |
| 19ч16бр Ду-250 | 405 | 355 | 319 | 600 | 310 | 32 | 12-28 | 171.9 |
| 19ч16бр Ду-300 | 460 | 410 | 370 | 700 | 340 | 32 | 12-28 | 232.5 |
| 19ч16бр Ду-350 | 520 | 470 | 429 | 800 | 450 | 36 | 16-28 | 330.0 |
| 19ч16бр Ду-400 | 580 | 525 | 480 | 900 | 520 | 38 | 16-31 | 460.0 |
| 19ч16бр Ду-450 | 640 | 585 | 548 | 1000 | 550 | 40 | 20-31 | 580.0 |
| 19ч16бр Ду-500 | 715 | 650 | 609 | 1100 | 50 | 42 | 20-34 | 700.0 |
| 19ч16бр Ду-600 | 840 | 770 | 720 | 1300 | 680 | 48 | 20-37 | 780.0 |
| 19ч16бр Ду-600 | 840 | 770 | 720 | 1300 | 680 | 48 | 20-37 | 780.0 |
Обозначение и расшифровка маркировки
- 19 – клапан обратный поворотный;
- Ч – серый чугун;
- 16 – номер модели;
- Бр – латунное уплотнение;
- Ду – условный диаметр прохода;
- Ру – рабочее давление.
Маркировка чугунной клапана 19ч16бр содержит такие параметры и характеристики:
Купить поворотный обратный клапан 19ч16бр
У Систем Качества можете купить клапаны 19ч16бр Ру-10 и 19ч16р обратные поворотные фланцевые чугунные для воды, пара. Вся запорная арматура проходит испытания, проверку на стенде с манометром на соответствие параметрам указанным в ГОСТ. В комплекте поставки: обратный клапан 19ч16бр с КОФ, паспорт совмещенный с инструкцией по эксплуатации и обслуживанию, сертификат (может прилагаться в зависимости от фирмы производителя и серии).
Выполним диагностику и ремонт 19ч16р Ру 1,0 МПа, устраним неисправности и дефекты, проведем ревизию и притирку, гидроиспытания. Гарантия 12 месяцев при условии соблюдения условий эксплуатации и СНиП (строительные нормы и правила).
Цена чугунного фланцевого клапана 19ч16бр в Украине
Цена поворотного клапана 19ч16бр Pn10 зависит от диаметра ДУ, производителя (Украина, Китай, Россия, Польша, Турция, Словакия, отечественные СССР с хранения), технического состояния и года производства (новая, складское хранение, после ревизии). В таблице указаны цены на фланцевые клапаны 19ч16бр на 01.07.2021.
| Диаметр клапана 19ч16бр, мм | Цена, грн без НДС | Цена, грн с НДС |
| 19ч16бр Ду50 | 1000 | 1200 |
| 19ч16бр Ду80 | 1825 | 2190 |
| 19ч16бр Ду100 | 2275 | 2730 |
| 19ч16бр Ду150 | 4350 | 5220 |
| 19ч16бр Ду200 | 6750 | 8100 |
| 19ч16бр Ду250 | 11250 | 13500 |
| 19ч16бр Ду300 | 18250 | 21900 |
| 19ч16бр Ду400 | 26000 | 31200 |
Для опта действует система скидок 5-15% от прайса. Для уточнения актуальной стоимости 19ч16бр – обратитесь к менеджеру или отправьте запрос на почту.
Компания Системы Качества поставщик надежной запорной арматуры








Виктория Владимировна