Технические характеристики
В таблице указаны основные технические характеристики стальной задвижки 30с99нж Ру25: тип запорного элемента, способ монтажа, материал уплотнения и корпуса, вид рабочей среды, предельная температура, условное давление.
| Задвижка 30с99нж | Технические характеристики | ||||||||
| Номинальное давление, кгс/см2 | Рабочая среда | Тип затвора | Материал | max t, °С | Крепление | max момент на маховике, Н*м | Вес, кг | ||
| Корпуса | Колец | ||||||||
| 30с99нж Ду-50 | 25 | Вода, пар, нефтепродукты, природный газ | Клиновая двухдисковая | Cталь 20Л | Нержавеющая сталь | до 425 | Фланцевое | 75 | 25 |
| 30с99нж Ду-80 | 193 | 46 | |||||||
| 30с99нж Ду-100 | 230 | 74 | |||||||
| 30с99нж Ду-150 | 348 | 90 | |||||||
| 30с99нж Ду-200 | 550 | 170 | |||||||
| 30с99нж Ду-250 | 324 | 300 | |||||||
| 30с99нж Ду-300 | 444 | 418 | |||||||
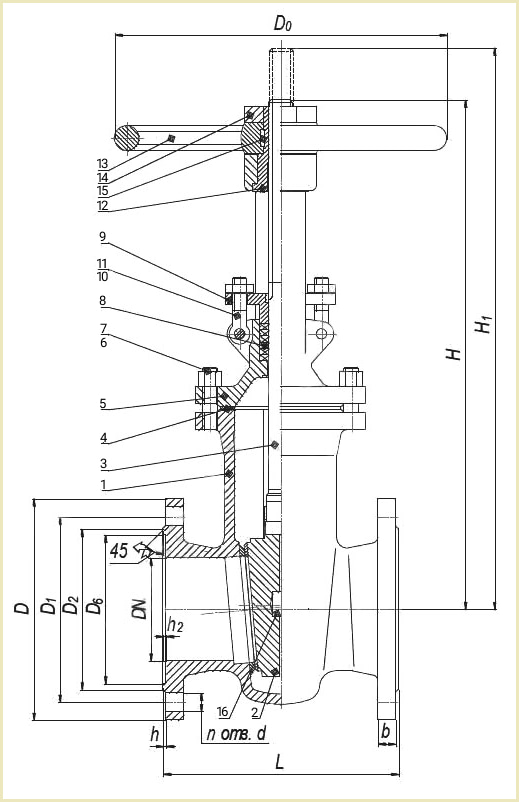
Устройство и габаритные размеры
Закрытие и открытие фланцевой задвижки 30с99нж Ру-25 выполняется в ручную маховиком. За счет поступательного перемещения шпинделя при вращении маховика, двухдисковый клин упирается в седло корпуса. В результате чего уплотнительные поверхности дисков прижимаются к уплотнительным кольцам корпуса обеспечивая закрытие прохода.
| № | Деталь 30с99нж | Материал |
| 1 | Корпус | сталь 20Л, 20х13 |
| 2 | Диски | |
| 3 | Выдвижной шпиндель | 20х13; 14Х17Н2 |
| 4 | Прокладка | Паронит ПМБ |
| 5 | Крышка | 20Л |
| 6 | Гайка | 25 |
| 7 | Шпилька | 35 |
| 8 | Сальниковая набивка | ТРГ |
| 9 | Стальной сальник | 20Л |
| 10 | Гайка | 25 |
| 11 | Откидной болт | 35 |
| 12 | Резьбовая втулка | Латунь Лц 40С |
| 13 | Маховик | 20Л |
| 14 | Контргайка | 35 |
| 15 | Шпонка | 40х |
| 16 | Ось | 20Л, 20х13 |
В таблице указаны размеры задвижки 30с99нж: строительная длина и высота, диаметры прохода, монтажных фланцев, отверстий, вес.
| Задвижки | Габаритные и присоединительные размеры, мм | Масса, кг | |||||||||
| Dn | L | D | D1 | D2 | D0 | H | H1 | n | d | ||
| 30с99нж Ду50 | 50 | 250 | 160 | 125 | 102 | 200 | 344 | 405 | 4 | 18 | 25 |
| 30с99нж Ду80 | 80 | 280 | 195 | 160 | 133 | 250 | 420 | 512 | 8 | 18 | 46 |
| 30с99нж Ду100 | 100 | 300 | 230 | 190 | 158 | 280 | 485 | 564 | 22 | 74 | |
| 30с99нж Ду150 | 150 | 350 | 300 | 250 | 212 | 300 | 612 | 830 | 26 | 90 | |
| 30с99нж Ду200 | 200 | 400 | 360 | 310 | 278 | 350 | 755 | 1010 | 12 | 170 | |
| 30с99нж Ду250 | 250 | 450 | 425 | 370 | 335 | 400 | 910 | 1120 | 30 | 300 | |
| 30с99нж Ду300 | 300 | 500 | 485 | 430 | 390 | 540 | 1193 | 1310 | 16 | 418 | |
Обозначение и расшифровка маркировки
На корпусе задвижки, указывается марка в виде индекса системы ЦКБА (центрального конструкторского бюро арматуростроения). Обозначения наносятся методом отливки либо клеймения, согласно ГОСТ 4666.
Маркировка стальной задвижки 30с99нж содержит такие параметры и характеристики:
- Тип арматуры;
- Условный диаметр прохода;
- Рабочее давление;
- Тип привода;
- Материал уплотнительных колец.
Купить стальную клиновую задвижку 30с99нж Ру25
У Систем Качества можете купить задвижки стальные 30с99нж РУ25 без электропривода клиновые двухдисковые для воды, газа, пара, нефти, масла, нефтепродуктов. Вся запорная арматура проходит испытания, проверку на стенде с манометром на соответствие параметрам указанным в ГОСТ и ТУ. В комплекте поставки: запорная фланцевая задвижка 30с99нж, паспорт совмещенный с инструкцией по эксплуатации и обслуживанию, сертификат (может прилагаться в зависимости от фирмы производителя и серии).
Выполним диагностику и ремонт клиновой двухдисковой 30с99нж, устраним неисправности и дефекты, проведем ревизию и притирку (замена прокладок, набивки, смазки), опрессовку (гидроиспытания). Гарантия 12 месяцев при условии соблюдения условий эксплуатации и СНиП (строительные нормы и правила).
Цена в Украине
Цена задвижки 30с99нж Pn25 фланцевой зависит от условного диаметра прохода – Ду-50, Ду-80, Ду-100, Ду-150, Ду-200, Ду-250, Ду-300, производителя (Украина, Китай, Россия, Польша, Турция, Словакия, отечественные СССР с хранения), технического состояния и года производства (новая, складское хранение, после ревизии). Для опта действует система скидок 5-15% от прайса. Для просчета стоимости – обратитесь к менеджеру или отправьте запрос на почту.
Компания Системы Качества поставщик надежной запорной арматуры








Виктория Владимировна