Каталог запорных вентилей 15с65нж Ру-16
Технические характеристики клапана запорного 15с65нж
В таблице указаны основные технические характеристики стального фланцевого запорного вентиля 15с65нж Ру16: тип запорного элемента, способ монтажа, материал уплотнения и корпуса, вид рабочей среды, предельная температура, условное давление.
| Вентиль | Давление Ру, Бар | Рабочая среда | Тип затвора | Материал | Рабочая температура, °С | Крепление | Управление | |
| Корпуса | Уплотнение | |||||||
| 15с65нж | 16 | Вода, пар, нефтепродукты | Золотник | Сталь 25Л | Нерж. сталь | до 425 | Фланцевое | Ручное с выдвижным шпинделем |
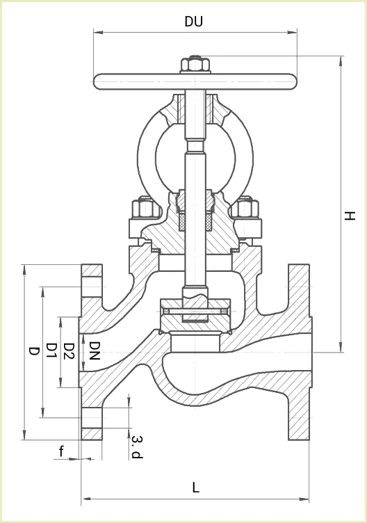
Габаритные размеры и чертеж вентилей 15с65нж
В таблице указаны габариты и размеры запорного клапана 15с65нж Ру-16: строительная длина, диаметр прохода, высота, масса.
| Вентиль15с65нж | Габаритные и присоединительные размеры, мм | Вес,кг | ||||||||
| L | H | D | D1 | D2 | DU | f | d | n | ||
| Ду-15 | 130 | 200 | 95 | 65 | 47 | 120 | 2 | 14 | 4 | 3,9 |
| Ду-20 | 150 | 240 | 105 | 75 | 58 | 140 | 2 | 14 | 4 | 4,6 |
| Ду-25 | 160 | 250 | 115 | 85 | 68 | 160 | 2 | 14 | 4 | 5,5 |
| Ду-32 | 180 | 280 | 135 | 100 | 78 | 160 | 2 | 18 | 4 | 9,5 |
| Ду-40 | 200 | 310 | 145 | 110 | 88 | 200 | 3 | 18 | 4 | 11,9 |
| Ду-50 | 230 | 320 | 160 | 125 | 102 | 200 | 3 | 18 | 4 | 18,4 |
| Ду-65 | 290 | 320 | 180 | 145 | 122 | 240 | 3 | 18 | 4 | 19,1 |
| Ду-80 | 310 | 350 | 195 | 160 | 133 | 240 | 3 | 18 | 4 | 40 |
| Ду-100 | 350 | 415 | 215 | 180 | 158 | 280 | 3 | 18 | 8 | 47,5 |
| Ду-125 | 400 | 460 | 245 | 210 | 184 | 280 | 3 | 18 | 8 | 65 |
| Ду-150 | 480 | 510 | 280 | 240 | 212 | 360 | 3 | 22 | 8 | 92 |
| Ду-200 | 600 | 590 | 335 | 295 | 268 | 360 | 3 | 22 | 12 | 153 |
Обозначение и расшифровка маркировки
На корпусе стального вентиля 15с65нж, указывается марка в виде индекса системы ЦКБА (центрального конструкторского бюро арматуростроения). Обозначения наносятся методом отливки либо клеймения, согласно ГОСТ 4666.
Маркировка фланцевого вентиля 15с65нж содержит такие параметры и характеристики:
- Тип арматуры;
- Материал корпуса;
- Рабочее давление;
- Тип привода;
- Материал уплотнительных колец.
Купить вентиль 15с65нж Ру-16 фланцевый стальной
У Систем Качества можете купить вентили 15с65нж фланцевые стальные проходные под давление Ру-16 для воды, пара, бензина, нефти и других нефтепродуктов. Вся запорная арматура проходит испытания, проверку на стенде с манометром на соответствие параметрам указанным в ГОСТ. В комплекте поставки: запорный клапан 15с65нж, паспорт совмещенный с инструкцией по эксплуатации и обслуживанию, сертификат (может прилагаться в зависимости от фирмы производителя и серии).
Выполним диагностику и ремонт 15с65нж, устраним неисправности и дефекты, проведем ревизию и притирку (замена прокладок, набивки, смазки), опрессовку (гидроиспытания). Гарантия 12 месяцев при условии соблюдения условий эксплуатации и СНиП (строительные нормы и правила).
Цена клапана запорного 15с65нж в Украине
Цена вентиля 15с65нж Ру-16 зависит от диаметра ДУ, производителя (Украина, Китай, Россия, Польша, Турция, Словакия, отечественные СССР с хранения), технического состояния и года производства (новая, складское хранение, после ревизии). В таблице указаны цены на фланцевые вентили запорные 15с65нж на 01.06.2022.
| Диаметр вентиля 15с65нж, мм | Цена, грн с НДС |
| 15 | Договорная |
| 20 | Договорная |
| 25 | Договорная |
| 32 | Договорная |
| 40 | Договорная |
| 50 | Договорная |
| 65 | Договорная |
| 80 | Договорная |
| 100 | Договорная |
| 125 | Договорная |
| 150 | Договорная |
| 200 | Договорная |
Для опта действует система скидок 5-15% от прайса. Для уточнения актуальной стоимости 15с65нж – обратитесь к менеджеру или отправьте запрос на почту.
Компания Системы Качества поставщик надежной запорной арматуры





Виктория Владимировна