Характеристики мотор-редуктора A/F-252
В таблице указаны технические характеристики мотор-редуктора A/F-252 с электродвигателем 1500 об/мин. Мощность двигателя рассчитана с учетом сервис-фактора, который равен “1”. Допустимая частота вращения электромотора – 3000, 1500, 1000, 750 об/мин, для подробных просчетов характеристик и параметров, свяжитесь с менеджером для бесплатной консультации.
| Мотор-редуктор | Передаточное число | Количество оборотов на выходе, об/мин | Номинальный крутящий момент, Нм | Мощность двигателя на 1400 об/мин | Радиальная нагрузка, кН | Габарит электродвигателя DIN | |||||
|---|---|---|---|---|---|---|---|---|---|---|---|
| Входной вал | Выходной вал | ||||||||||
| A252, AF252 | 47.93 | 29.2 | 200 | 0.61 | 1.3 | 5.5 | 71 | 80 | 90 | – | – |
| 42.00 | 33.3 | 0.70 | 1.2 | 71 | 80 | 90 | – | – | |||
| 38.46 | 36.4 | 0.76 | 71 | 80 | 90 | – | – | ||||
| 33.38 | 41.9 | 0.88 | 71 | 80 | 90 | – | – | ||||
| 30.15 | 46.4 | 0.97 | 5.3 | 71 | 80 | 90 | – | – | |||
| 26.79 | 52.3 | 1.09 | 1.1 | 5.0 | 71 | 80 | 90 | – | – | ||
| 24.19 | 57.9 | 1.21 | 4.8 | 71 | 80 | 90 | – | – | |||
| 23.04 | 60.8 | 1.27 | 4.7 | 71 | 80 | 90 | 100 | 112 | |||
| 20.19 | 69.3 | 1.45 | 4.4 | 71 | 80 | 90 | – | – | |||
| 18.49 | 75.7 | 1.59 | 1.0 | 4.2 | 71 | 80 | 90 | 100 | 112 | ||
| 17.05 | 82.1 | 190 | 1.63 | 4.1 | 71 | 80 | 90 | 100 | 112 | ||
| 14.91 | 93.9 | 170 | 1.67 | 71 | 80 | 90 | 100 | 112 | |||
| 13.94 | 100.4 | 170 | 1.79 | 3.9 | 71 | 80 | 90 | 100 | 112 | ||
| 11.97 | 117.0 | 145 | 1.78 | 71 | 80 | 90 | 100 | 112 | |||
| 10.32 | 135.7 | 140 | 1.99 | 0.9 | 3.7 | 71 | 80 | 90 | 100 | 112 | |
| 9.02 | 155.2 | 130 | 2.11 | 3.6 | 71 | 80 | 90 | 100 | 112 | ||
| 7.93 | 176.5 | 125 | 2.31 | 0.8 | 3.4 | 71 | 80 | 90 | 100 | 112 | |
| 6.36 | 220.0 | 105 | 2.42 | 3.3 | 71 | 80 | 90 | 100 | 112 | ||
| 4.80 | 291.8 | 95 | 2.90 | 0.7 | 3.0 | 71 | 80 | 90 | 100 | 112 | |
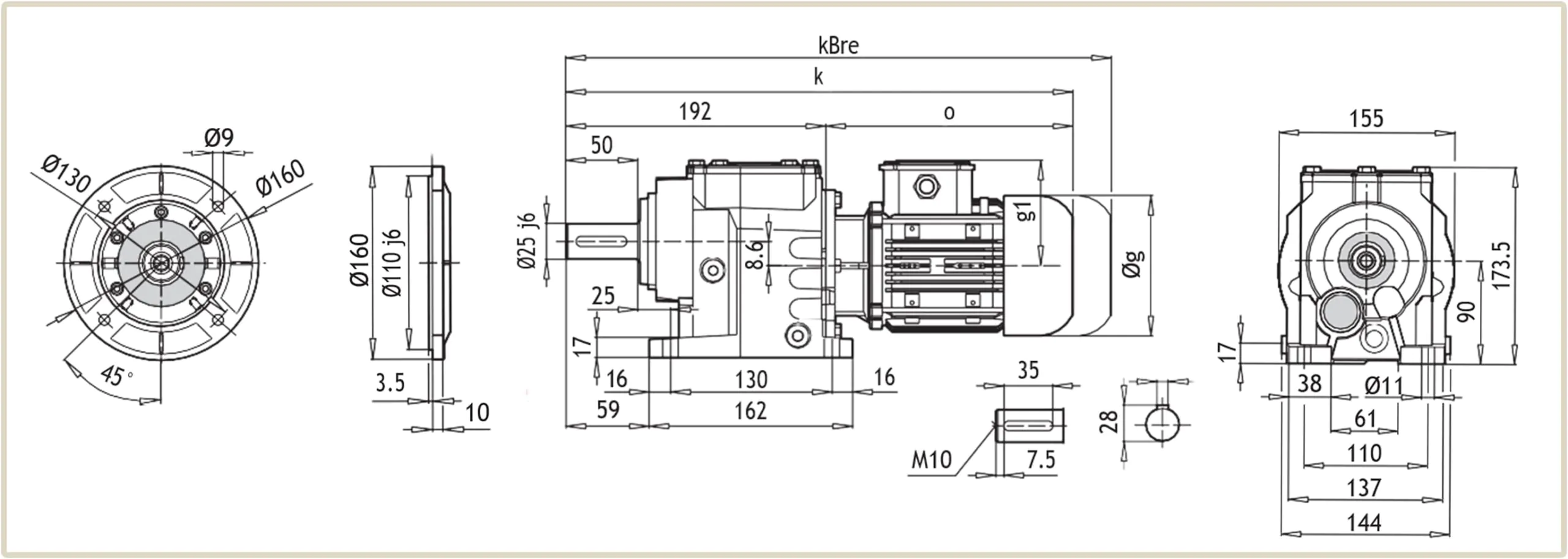
Чертеж размеров редуктора A/F-252
На чертеже указаны габаритные и присоединительные размеры редуктора A-252, отличие AF-252 в наличии фланца, размеры которого указаны в левой части чертежа.
| Условное обозначение | Размер в зависимости от габарита электродвигателя, мм | ||||||
| 63 M | 71 M | 80 M | 90 S | 90 L | 100 L | 112 M | |
| g | 124 | 140 | 159 | 193 | 193 | 217 | 232 |
| g1 | 111 | 119 | 127 | 151 | 151 | 160 | 168 |
| k | 404 | 433 | 459 | 505 | 525 | 526 | 585 |
| kBre | 456 | 493 | 521 | 578 | 598 | 607 | 665 |
| o | 212 | 241 | 267 | 313 | 333 | 334 | 393 |
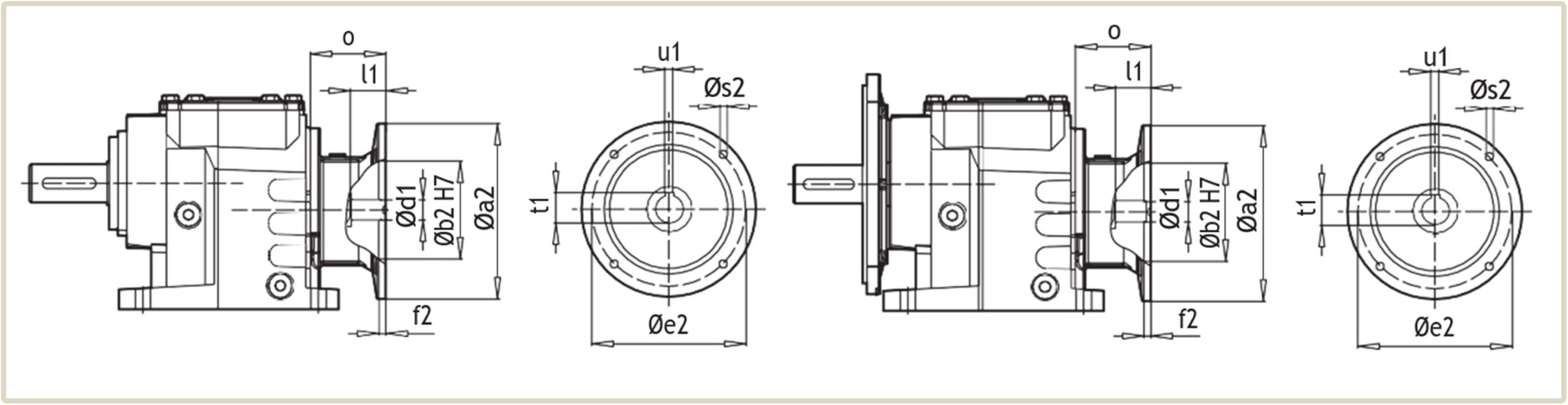
Присоединительные размеры под электродвигатель
Присоединительные размеры мотор-редукторов A/F-252 подходят для агрегатации с электродвигателями европейского стандарта DIN и двигателей АИР изготовленных по ГОСТ. Для подбора электрического двигателя – ознакомьтесь с таблицей присоединительных размеров фланцев.
| Мотор-редуктор | PAM | Присоединительные размеры под электродвигатель, мм | Вес редукторной части, кг | |||||||||
| Øa2 | Øb2 | Øe2 | f2 | Øs2 | Ød1 | l1 | t1 | u1 | o | |||
| A/F 252 | 63B5 | 140 | 95 | 115 | 4.5 | M8 | 11 | 25 | 12.8 | 4 | 57 | 12 |
| 63B14 | 90 | 60 | 75 | 2.5 | 6 | 11 | 25 | 12.8 | 4 | 57 | 11 | |
| 71B5 | 160 | 110 | 130 | 5 | M8 | 14 | 32 | 16.3 | 5 | 69 | 13 | |
| 71B14 | 105 | 70 | 85 | 2.5 | 7 | 14 | 32 | 16.3 | 5 | 69 | 12 | |
| 80B5 | 200 | 130 | 165 | 5 | M10 | 19 | 42 | 21.8 | 6 | 90 | 14 | |
| 80B14 | 120 | 80 | 100 | 3 | 7 | 19 | 42 | 21.8 | 6 | 90 | 13 | |
| 90B5 | 200 | 130 | 165 | 5 | M10 | 24 | 52 | 27.3 | 8 | 90 | 14 | |
| 90B14 | 140 | 95 | 115 | 3 | 9 | 24 | 52 | 27.3 | 8 | 90 | 13 | |
| 100B5 | 250 | 180 | 215 | 5.5 | M12 | 28 | 62 | 31.3 | 8 | 105 | 18 | |
| 100B14 | 160 | 110 | 130 | 3.5 | 9 | 28 | 62 | 31.3 | 8 | 105 | 14 | |
| 112B5 | 250 | 180 | 215 | 5.5 | M12 | 28 | 62 | 31.3 | 8 | 105 | 18 | |
| 112B14 | 160 | 110 | 130 | 3.5 | 9 | 28 | 62 | 31.3 | 8 | 105 | 14 | |
Монтажное положение и объем масла
Двухступенчатые соосные цилиндрические мотор-редукторы A/F-252 имеют возможность установки в горизонтальном и вертикальном положении.
В зависимости от варианта крепления, меняется количество заправляемой смазки. В таблице указан объем масла для каждого монтажного исполнения.
| Монтажное положение мотор-редуктора AF252 | Количество смазки, л |
| M1 | 0,8 |
|---|---|
| M2 | 1,2 |
| M3 | 1,1 |
| M4 | 1,3 |
| M5 | 1,0 |
| M6 | 1,0 |
Расшифровка обозначения маркировки A/F-252
Условное обозначение маркировки модели содержит информацию о габарите, передаточном отношении и варианте крепления.
Мотор редуктор A 252 11.97 FA PAM 80 — B5 80В / 4B BRE, где
- А — Мотор редуктор цилиндрический соосный;
- 252 — габарит редуктора (25 – диаметр вала, 2 – количество ступеней);
- 11,97 — передаточное отношение;
- FA — выходной фланец редуктора;
- PAM 80 — B5 — фланец для двигателя;
- 80В / 4B BRE — типоразмер электродвигателя.
Купить цилиндрический мотор-редуктор A/F-252
У нас вы можете купить соосно-цилиндрический мотор-редуктор AF-252 или А-252 производства немецкой компании NRW на турецком заводе PGR. Специалисты «Системы Качества» помогут вам подобрать и заказать нужный редуктор A/F-252 для конвейера, транспортерной ленты, подъёмника, насоса. Гарантия на оборудование – 12 месяцев. Оплата с НДС или без НДС, наложенным платежом на почте. Отправка перевозчиками: Новая Почта, Деливери, САТ, самовывоз со склада.
Цена редуктора A/F252 зависит от мощности и оборотов электродвигателя. Для опта действует система скидок 5-15% от прайса. Для просчета стоимости нужной модели – обратитесь к менеджеру или отправьте запрос на почту.









Виктория Владимировна