Характеристики мотор-редуктора A/F-351
В таблице указаны технические характеристики мотор-редуктора A/F-351 с электродвигателем 1500 об/мин. Мощность двигателя рассчитана с учетом сервис-фактора, который равен “1”. Допустимая частота вращения электромотора – 3000, 1500, 1000, 750 об/мин, для подробных просчетов характеристик и параметров, свяжитесь с менеджером для бесплатной консультации.
| Мотор-редуктор | Передаточное число | Количество оборотов на выходе, об/мин | Номинальный крутящий момент, Нм | Мощность двигателя на 1400 об/мин | Радиальная нагрузка, кН | Габарит электродвигателя DIN | |||||
|---|---|---|---|---|---|---|---|---|---|---|---|
| Входной вал | Выходной вал | ||||||||||
| A351, AF351 | 8.50 | 164.7 | 100 | 1.72 | 1.2 | 2.5 | 71 | 80 | 90 | – | – |
| 7.44 | 188.1 | 1.97 | 1.1 | 71 | 80 | 90 | – | – | |||
| 5.91 | 236.9 | 2.48 | 2.3 | 71 | 80 | 90 | 100 | 112 | |||
| 5.33 | 262.5 | 2.75 | 1.0 | 2.2 | 71 | 80 | 90 | 100 | 112 | ||
| 4.85 | 288.9 | 95 | 2.87 | 71 | 80 | 90 | 100 | 112 | |||
| 4.07 | 344.3 | 90 | 3.24 | 2.0 | 71 | 80 | 90 | 100 | 112 | ||
| 3.75 | 373.3 | 3.52 | 71 | 71 | 80 | 90 | 100 | 112 | |||
| 3.22 | 434.5 | 80 | 3.64 | 0.9 | 1.9 | 71 | 80 | 90 | 100 | 112 | |
| 2.62 | 534.5 | 70 | 3.92 | 1.8 | 71 | 80 | 90 | 100 | 112 | ||
| 2.17 | 646.2 | 60 | 4.06 | 1.7 | – | 80 | 90 | 100 | 112 | ||
| 1.45 | 964.4 | 6.06 | 0.6 | 1.5 | – | 80 | 90 | 100 | 112 | ||
| 1.30 | 1074.4 | 40 | 4.50 | 0.8 | – | 80 | 90 | 100 | 112 | ||
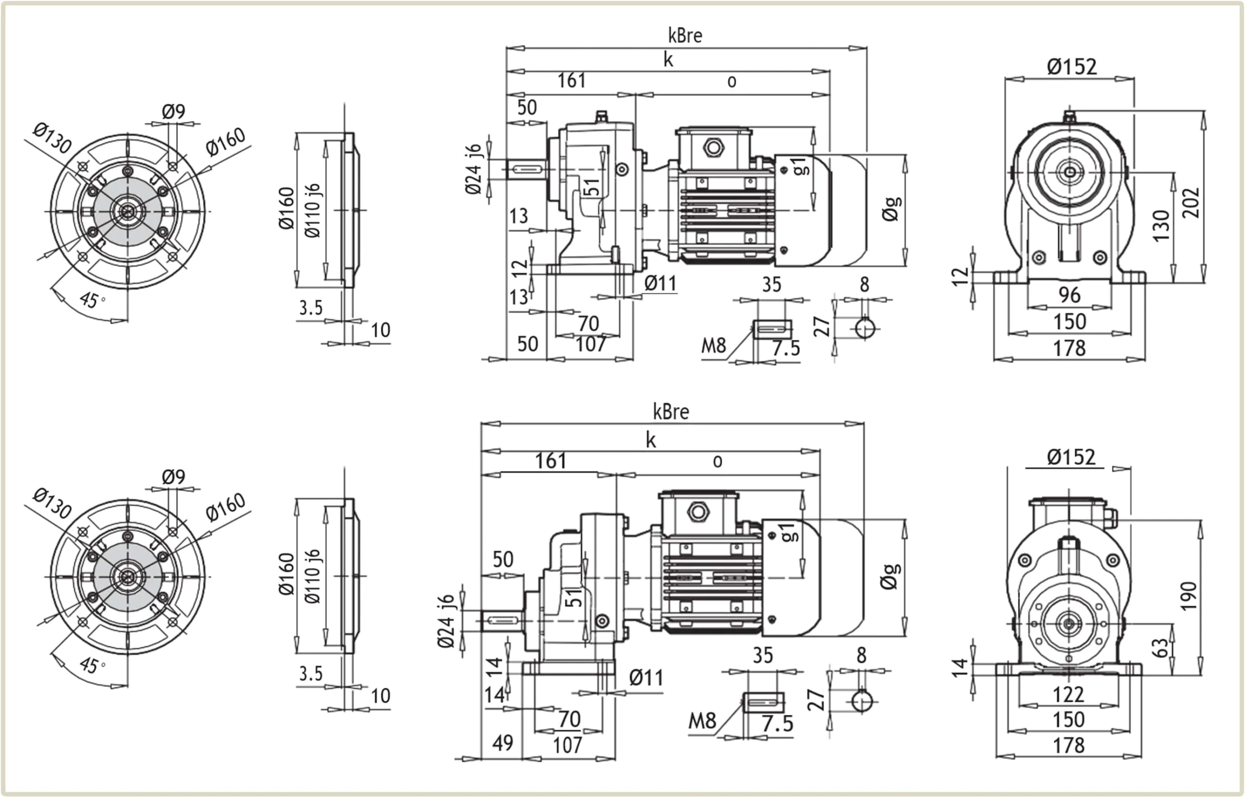
Чертеж размеров редуктора A/F-351
На чертеже указаны габаритные и присоединительные размеры редуктора A-351, отличие AF-351/AF-M-351 в наличии фланца, размеры которого указаны в левой части чертежа.
| Условное обозначение | Размер в зависимости от габарита электродвигателя, мм | |||||
| 71 M | 80 M | 90 S | 90 L | 100 L | 112 М | |
| g | 140 | 159 | 193 | 193 | 217 | 232 |
| g1 | 119 | 127 | 151 | 151 | 160 | 168 |
| k | 402 | 428 | 474 | 494 | 495 | 554 |
| kBre | 462 | 490 | 547 | 567 | 576 | 634 |
| o | 241 | 267 | 313 | 333 | 334 | 393 |
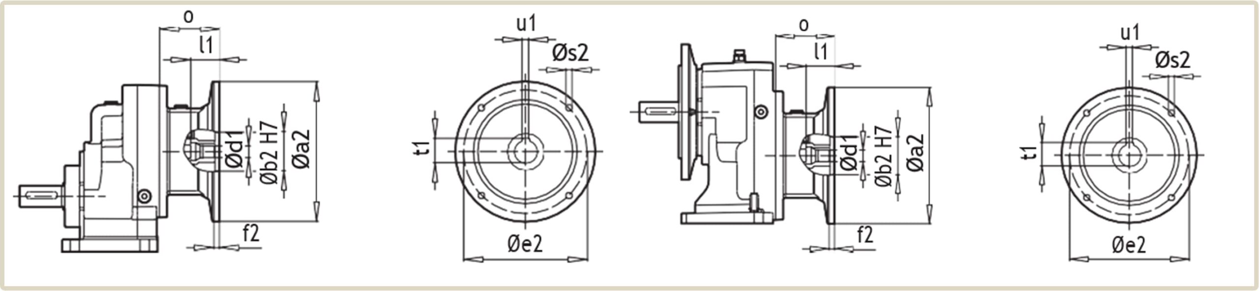
Присоединительные размеры под электродвигатель
Присоединительные размеры мотор-редукторов A/F-351 подходят для агрегатации с электродвигателями европейского стандарта DIN и двигателей АИР изготовленных по ГОСТ. Для подбора электрического двигателя – ознакомьтесь с таблицей присоединительных размеров фланцев.
| Мотор-редуктор | PAM | Присоединительные размеры под электродвигатель, мм | Вес редукторной части, кг | |||||||||
| Øa2 | Øb2 | Øe2 | f2 | Øs2 | Ød1 | l1 | t1 | u1 | o | |||
| A/F 351 | 71B5 | 160 | 110 | 130 | 5 | M8 | 14 | 32 | 16.3 | 5 | 69 | 8 |
| 71B14 | 105 | 70 | 85 | 2.5 | 7 | 14 | 32 | 16.3 | 5 | 69 | 7 | |
| 80B5 | 200 | 130 | 165 | 5 | M10 | 19 | 42 | 21.8 | 6 | 90 | 8,5 | |
| 80B14 | 120 | 80 | 100 | 3 | 7 | 19 | 42 | 21.8 | 6 | 90 | 7,5 | |
| 90B5 | 200 | 130 | 165 | 5 | M10 | 24 | 52 | 27.3 | 8 | 90 | 8,5 | |
| 90B14 | 140 | 95 | 115 | 3 | 9 | 24 | 52 | 27.3 | 8 | 90 | 7,5 | |
| 100B5 | 250 | 180 | 215 | 5.5 | M12 | 28 | 62 | 31.3 | 8 | 105 | 13 | |
| 100B14 | 160 | 110 | 130 | 3.5 | 9 | 28 | 62 | 31.3 | 8 | 105 | 9,5 | |
| 112B5 | 250 | 180 | 215 | 5.5 | M12 | 28 | 62 | 31.3 | 8 | 105 | 13 | |
| 112B14 | 160 | 110 | 130 | 3.5 | 9 | 28 | 62 | 31.3 | 8 | 105 | 9,5 | |
Монтажное положение и объем масла
Одноступенчатые цилиндрические мотор-редукторы A/F-351 имеют возможность установки в горизонтальном и вертикальном положении.
В зависимости от варианта крепления, меняется количество заправляемой смазки. В таблице указан объем масла для каждого монтажного исполнения.
| Монтажное положение мотор-редуктора AF351 | Количество смазки, л |
| M1 | 0,6 |
|---|---|
| M2 | 0,45 |
| M3 | 0,25 |
| M4 | 0,65 |
| M5 | 0,45 |
| M6 | 0,45 |
Расшифровка обозначения маркировки A/F-351
Условное обозначение маркировки модели содержит информацию о габарите, передаточном отношении и варианте крепления.
Мотор редуктор A 351 3,75 FA PAM 80 — B5 80В / 4B BRE, где
- А — Мотор редуктор цилиндрический;
- 351 — габарит редуктора;
- 3,75— передаточное отношение;
- FA — выходной фланец редуктора;
- PAM 80 — B5 — фланец для двигателя;
- 80В / 4B BRE — типоразмер электродвигателя.
Купить цилиндрический мотор-редуктор A/F-351
У нас вы можете купить цилиндрический мотор-редуктор AF-M-351 или А-351 производства немецкой компании NRW на турецком заводе PGR. Специалисты «Системы Качества» помогут вам подобрать и заказать нужный редуктор A/F-351 для конвейера, транспортерной ленты, подъёмника, насоса. Гарантия на оборудование – 12 месяцев. Оплата с НДС или без НДС, наложенным платежом на почте. Отправка перевозчиками: Новая Почта, Деливери, САТ, самовывоз со склада.
Цена редуктора A/F351 зависит от мощности и оборотов электродвигателя. Для опта действует система скидок 5-15% от прайса. Для просчета стоимости нужной модели – обратитесь к менеджеру или отправьте запрос на почту.









Виктория Владимировна