Характеристики мотор-редуктора A/F-352
В таблице указаны технические характеристики мотор-редуктора A/F-352 с электродвигателем 1500 об/мин. Мощность двигателя рассчитана с учетом сервис-фактора, который равен “1”. Допустимая частота вращения электромотора – 3000, 1500, 1000, 750 об/мин, для подробных просчетов характеристик и параметров, свяжитесь с менеджером для бесплатной консультации.
| Мотор-редуктор | Передаточное число | Количество оборотов на выходе, об/мин | Номинальный крутящий момент, Нм | Мощность двигателя на 1400 об/мин | Радиальная нагрузка, кН | Габарит электродвигателя DIN | |||||
|---|---|---|---|---|---|---|---|---|---|---|---|
| Входной вал | Выходной вал | ||||||||||
| A352, AF352 | 56.95 | 24.6 | 490 | 1.26 | 1.2 | 8.0 | 71 | 80 | 90 | – | – |
| 49.88 | 28.1 | 1.44 | 1.1 | 71 | 80 | 90 | – | – | |||
| 46.04 | 30.4 | 1.56 | 71 | 80 | 90 | – | – | ||||
| 39.59 | 35.4 | 1.81 | 71 | 80 | 90 | 100 | 112 | ||||
| 33.50 | 41.8 | 2.14 | 1.0 | 71 | 80 | 90 | – | – | |||
| 32.01 | 43.7 | 2.24 | 71 | 80 | 90 | 100 | 112 | ||||
| 28.89 | 48.5 | 2.49 | 7.9 | 71 | 80 | 90 | 100 | 112 | |||
| 26.59 | 52.6 | 2.70 | 0.9 | 7.6 | 71 | 80 | 90 | 100 | 112 | ||
| 25.13 | 55.7 | 470 | 2.74 | 7.5 | 71 | 80 | 90 | 100 | 112 | ||
| 22.03 | 63.6 | 3.13 | 7.1 | 71 | 80 | 90 | 100 | 112 | |||
| 20.31 | 68.9 | 460 | 3.32 | 0.8 | 6.9 | 71 | 80 | 90 | 100 | 112 | |
| 18.30 | 76.5 | 3.68 | 6.5 | 71 | 80 | 90 | 100 | 112 | |||
| 16.88 | 83.0 | 450 | 3.91 | 0.7 | 6.3 | 71 | 80 | 90 | 100 | 112 | |
| 14.52 | 96.4 | 430 | 4.34 | 0.6 | 6.0 | 71 | 80 | 90 | 100 | 112 | |
| 11.74 | 119.3 | 390 | 4.87 | 5.7 | 71 | 80 | 90 | 100 | 112 | ||
| 9.75 | 143.6 | 370 | 5.56 | 0.4 | 5.3 | 71 | 80 | 90 | 100 | 112 | |
| 8.73 | 160.4 | 340 | 5.71 | 5.2 | 71 | 80 | 90 | 100 | 112 | ||
| 7.06 | 198.4 | 290 | 6.02 | 0.3 | 5.1 | 71 | 80 | 90 | 100 | 112 | |
| 5.86 | 238.8 | 260 | 6.50 | 4.8 | 71 | 80 | 90 | 100 | 112 | ||
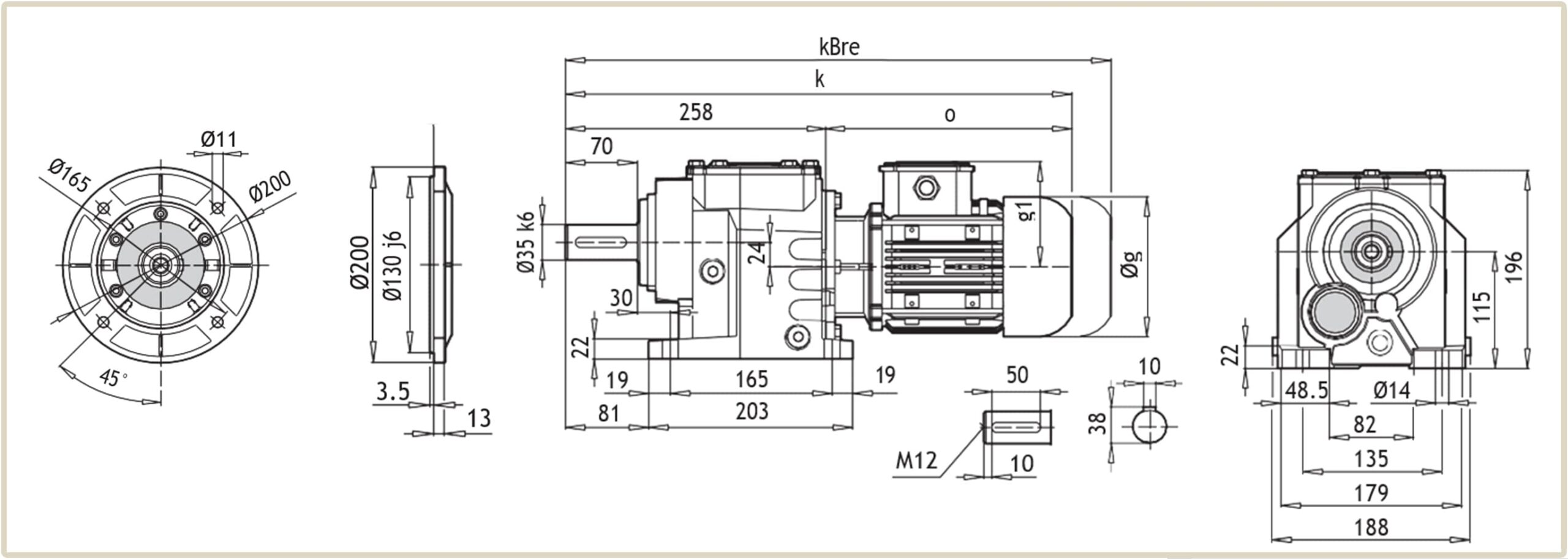
Чертеж размеров редуктора A/F-352
На чертеже указаны габаритные и присоединительные размеры редуктора A-352, отличие AF-352 в наличии фланца, размеры которого указаны в левой части чертежа.
| Условное обозначение | Размер в зависимости от габарита электродвигателя, мм | ||||||
| 63 M | 71 M | 80 M | 90 S | 90 L | 100 L | 112 M | |
| g | 124 | 140 | 159 | 193 | 193 | 217 | 232 |
| g1 | 111 | 119 | 127 | 151 | 151 | 160 | 168 |
| k | 470 | 499 | 525 | 571 | 591 | 592 | 651 |
| kBre | 522 | 559 | 587 | 644 | 664 | 673 | 731 |
| o | 212 | 241 | 267 | 313 | 333 | 334 | 393 |
Присоединительные размеры под электродвигатель
Присоединительные размеры мотор-редукторов A/F-352 подходят для агрегатации с электродвигателями европейского стандарта DIN и двигателей АИР изготовленных по ГОСТ. Для подбора электрического двигателя – ознакомьтесь с таблицей присоединительных размеров фланцев.
| Мотор-редуктор | PAM | Присоединительные размеры под электродвигатель, мм | Вес редукторной части, кг | |||||||||
| Øa2 | Øb2 | Øe2 | f2 | Øs2 | Ød1 | l1 | t1 | u1 | o | |||
| A/F 352 | 63B5 | 140 | 95 | 115 | 4.5 | M8 | 11 | 25 | 12.8 | 4 | 57 | 20 |
| 63B14 | 90 | 60 | 75 | 2.5 | 6 | 11 | 25 | 12.8 | 4 | 57 | 19 | |
| 71B5 | 160 | 110 | 130 | 5 | M8 | 14 | 32 | 16.3 | 5 | 69 | 21 | |
| 71B14 | 105 | 70 | 85 | 2.5 | 7 | 14 | 32 | 16.3 | 5 | 69 | 20 | |
| 80B5 | 200 | 130 | 165 | 5 | M10 | 19 | 42 | 21.8 | 6 | 90 | 22 | |
| 80B14 | 120 | 80 | 100 | 3 | 7 | 19 | 42 | 21.8 | 6 | 90 | 21 | |
| 90B5 | 200 | 130 | 165 | 5 | M10 | 24 | 52 | 27.3 | 8 | 90 | 22 | |
| 90B14 | 140 | 95 | 115 | 3 | 9 | 24 | 52 | 27.3 | 8 | 90 | 21 | |
| 100B5 | 250 | 180 | 215 | 5.5 | M12 | 28 | 62 | 31.3 | 8 | 105 | 26 | |
| 100B14 | 160 | 110 | 130 | 3.5 | 9 | 28 | 62 | 31.3 | 8 | 105 | 23 | |
| 112B5 | 250 | 180 | 215 | 5.5 | M12 | 28 | 62 | 31.3 | 8 | 105 | 26 | |
| 112B14 | 160 | 110 | 130 | 3.5 | 9 | 28 | 62 | 31.3 | 8 | 105 | 23 | |
Монтажное положение и объем масла
Двухступенчатые соосные цилиндрические мотор-редукторы A/F-352 имеют возможность установки в горизонтальном и вертикальном положении.
В зависимости от варианта крепления, меняется количество заправляемой смазки. В таблице указан объем масла для каждого монтажного исполнения.
| Монтажное положение мотор-редуктора AF353 | Количество смазки, л |
| M1 | 1,5 |
|---|---|
| M2 | 2 |
| M3 | 1,8 |
| M4 | 2,2 |
| M5 | 1,8 |
| M6 | 1,8 |
Расшифровка обозначения маркировки A/F-352
Условное обозначение маркировки модели содержит информацию о габарите, передаточном отношении и варианте крепления.
Мотор редуктор A 352 11.74 FA PAM 80 — B5 80В / 4B BRE, где
- А — Мотор редуктор цилиндрический соосный;
- 352 — габарит редуктора (35 – диаметр вала, 2 – количество ступеней);
- 11,74 — передаточное отношение;
- FA — выходной фланец редуктора;
- PAM 80 — B5 — фланец для двигателя;
- 80В / 4B BRE — типоразмер электродвигателя.
Купить цилиндрический мотор-редуктор A/F-352
У нас вы можете купить соосно-цилиндрический мотор-редуктор AF-352 или А-352 производства немецкой компании NRW на турецком заводе PGR. Специалисты «Системы Качества» помогут вам подобрать и заказать нужный редуктор A/F-352 для конвейера, транспортерной ленты, подъёмника, насоса. Гарантия на оборудование – 12 месяцев. Оплата с НДС или без НДС, наложенным платежом на почте. Отправка перевозчиками: Новая Почта, Деливери, САТ, самовывоз со склада.
Цена редуктора A/F352 зависит от мощности и оборотов электродвигателя. Для опта действует система скидок 5-15% от прайса. Для просчета стоимости нужной модели – обратитесь к менеджеру или отправьте запрос на почту.









Виктория Владимировна