Характеристики мотор-редуктора A/F-353
В таблице указаны технические характеристики мотор-редуктора A/F-353 с электродвигателем 1500 об/мин. Мощность двигателя рассчитана с учетом сервис-фактора, который равен “1”. Допустимая частота вращения электромотора – 3000, 1500, 1000, 750 об/мин, для подробных просчетов характеристик и параметров, свяжитесь с менеджером для бесплатной консультации.
| Мотор-редуктор | Передаточное число | Количество оборотов на выходе, об/мин | Номинальный крутящий момент, Нм | Мощность двигателя на 1400 об/мин | Радиальная нагрузка, кН | Габарит электродвигателя DIN | ||||
|---|---|---|---|---|---|---|---|---|---|---|
| Входной вал | Выходной вал | |||||||||
| A353, AF353 | 268.00 | 5.2 | 500 | 0.27 | 1.4 | 8.0 | 63 | 71 | – | – |
| 216.67 | 6.5 | 0.34 | 1.3 | 63 | 71 | – | – | |||
| 194.72 | 7.2 | 0.38 | 63 | 71 | – | – | ||||
| 157.42 | 8.9 | 0.47 | 63 | 71 | – | – | ||||
| 134.76 | 10.4 | 0.54 | 63 | 71 | 80 | 90 | ||||
| 108.95 | 12.9 | 0.67 | 63 | 71 | 80 | 90 | ||||
| 90.51 | 15.5 | 0.81 | 63 | 71 | 80 | 90 | ||||
| 72.58 | 19.3 | 1.01 | 1.2 | 63 | 71 | 80 | 90 | |||
| 58.68 | 23.9 | 1.25 | 63 | 71 | 80 | 90 | ||||
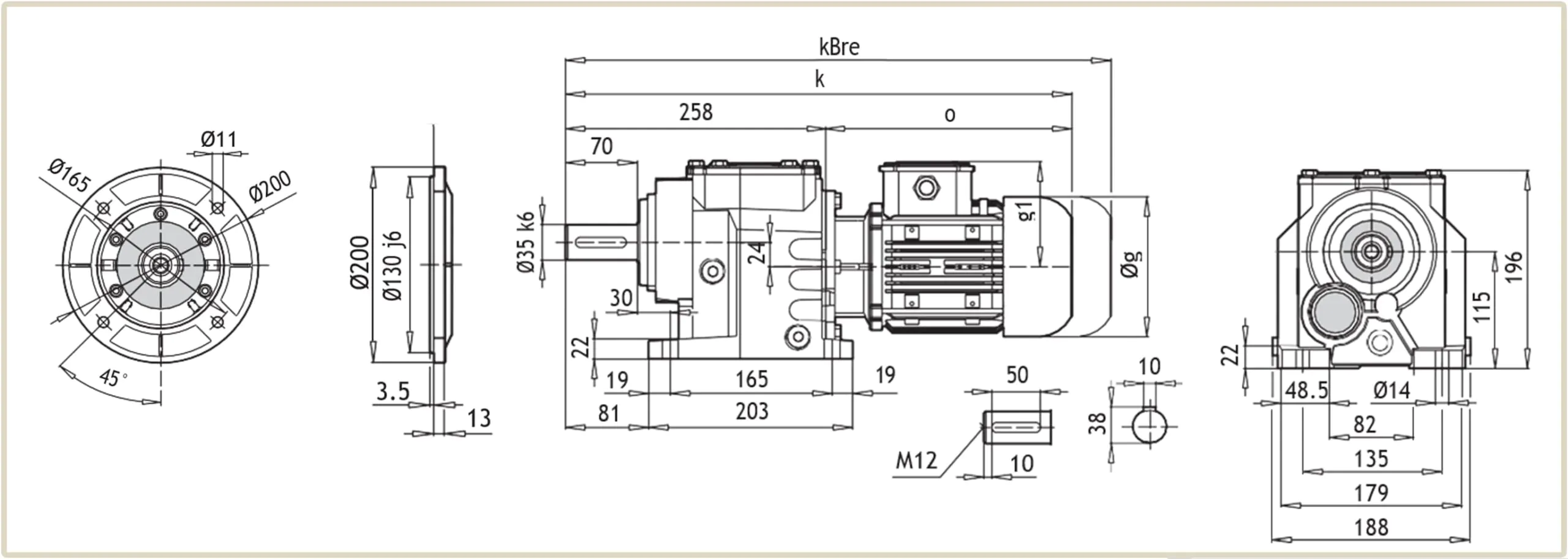
Чертеж размеров редуктора A/F-353
На чертеже указаны габаритные и присоединительные размеры редуктора A-353, отличие AF-353 в наличии фланца, размеры которого указаны в левой части чертежа.
| Условное обозначение | Размер в зависимости от габарита электродвигателя, мм | ||||
| 63 M | 71 M | 80 M | 90 S | 90 L | |
| g | 124 | 140 | 159 | 193 | 193 |
| g1 | 111 | 119 | 127 | 151 | 151 |
| k | 470 | 499 | 525 | 571 | 591 |
| kBre | 522 | 559 | 587 | 644 | 664 |
| o | 212 | 241 | 267 | 313 | 333 |
Присоединительные размеры под электродвигатель
Присоединительные размеры мотор-редукторов A/F-353 подходят для агрегатации с электродвигателями европейского стандарта DIN и двигателей АИР изготовленных по ГОСТ. Для подбора электрического двигателя – ознакомьтесь с таблицей присоединительных размеров фланцев.
| Мотор-редуктор | PAM | Присоединительные размеры под электродвигатель, мм | Вес редукторной части, кг | |||||||||
| Øa2 | Øb2 | Øe2 | f2 | Øs2 | Ød1 | l1 | t1 | u1 | o | |||
| A/F 353 | 63B5 | 140 | 95 | 115 | 4.5 | M8 | 11 | 25 | 12.8 | 4 | 57 | 20 |
| 63B14 | 90 | 60 | 75 | 2.5 | 6 | 11 | 25 | 12.8 | 4 | 57 | 19 | |
| 71B5 | 160 | 110 | 130 | 5 | M8 | 14 | 32 | 16.3 | 5 | 69 | 21 | |
| 71B14 | 105 | 70 | 85 | 2.5 | 7 | 14 | 32 | 16.3 | 5 | 69 | 20 | |
| 80B5 | 200 | 130 | 165 | 5 | M10 | 19 | 42 | 21.8 | 6 | 90 | 22 | |
| 80B14 | 120 | 80 | 100 | 3 | 7 | 19 | 42 | 21.8 | 6 | 90 | 21 | |
| 90B5 | 200 | 130 | 165 | 5 | M10 | 24 | 52 | 27.3 | 8 | 90 | 22 | |
| 90B14 | 140 | 95 | 115 | 3 | 9 | 24 | 52 | 27.3 | 8 | 90 | 21 | |
Монтажное положение и объем масла
Трехступенчатые соосные цилиндрические мотор-редукторы A/F-353 имеют возможность установки в горизонтальном и вертикальном положении.
В зависимости от варианта крепления, меняется количество заправляемой смазки. В таблице указан объем масла для каждого монтажного исполнения.
| Монтажное положение мотор-редуктора AF353 | Количество смазки, л |
| M1 | 1,5 |
|---|---|
| M2 | 2 |
| M3 | 1,8 |
| M4 | 2,2 |
| M5 | 1,8 |
| M6 | 1,8 |
Расшифровка обозначения маркировки A/F-353
Условное обозначение маркировки модели содержит информацию о габарите, передаточном отношении и варианте крепления.
Мотор редуктор A 353 216.67 FA PAM 63 — B5 63М / 4B BRE, где
- А — Мотор редуктор цилиндрический соосный;
- 353 — габарит редуктора (35 – диаметр вала, 3 – количество ступеней);
- 216,67 — передаточное отношение;
- FA — выходной фланец редуктора;
- PAM 63 — B5 — фланец для двигателя;
- 63М / 4B BRE — типоразмер электродвигателя.
Купить цилиндрический мотор-редуктор A/F-353
У нас вы можете купить соосно-цилиндрический мотор-редуктор AF-353 или А-353 производства немецкой компании NRW на турецком заводе PGR. Специалисты «Системы Качества» помогут вам подобрать и заказать нужный редуктор A/F-353 для конвейера, транспортерной ленты, подъёмника, насоса. Гарантия на оборудование – 12 месяцев. Оплата с НДС или без НДС, наложенным платежом на почте. Отправка перевозчиками: Новая Почта, Деливери, САТ, самовывоз со склада.
Цена редуктора A/F353 зависит от мощности и оборотов электродвигателя. Для опта действует система скидок 5-15% от прайса. Для просчета стоимости нужной модели – обратитесь к менеджеру или отправьте запрос на почту.









Виктория Владимировна