Характеристики мотор-редуктора A/F-402
В таблице указаны технические характеристики мотор-редуктора A/F-402 с электродвигателем 1500 об/мин. Мощность двигателя рассчитана с учетом сервис-фактора, который равен “1”. Допустимая частота вращения электромотора – 3000, 1500, 1000, 750 об/мин, для подробных просчетов характеристик и параметров, свяжитесь с менеджером для бесплатной консультации.
| Мотор-редуктор | Передаточное число | Количество оборотов на выходе, об/мин | Номинальный крутящий момент, Нм | Мощность двигателя на 1400 об/мин | Радиальная нагрузка, кН | Габарит электродвигателя DIN | |||||
|---|---|---|---|---|---|---|---|---|---|---|---|
| Входной вал | Выходной вал | ||||||||||
| A402, AF402 | 45.38 | 30.9 | 850 | 2.75 | 2.4 | 12.0 | 80 | 90 | 100 | 112 | – |
| 39.72 | 35.2 | 3.14 | 80 | 90 | 100 | 112 | – | ||||
| 36.44 | 38.4 | 800 | 3.22 | 80 | 90 | 100 | 112 | – | |||
| 31.50 | 44.4 | 850 | 3.96 | 2.3 | 80 | 90 | 100 | 112 | 132 | ||
| 28.89 | 48.5 | 800 | 4.06 | 80 | 90 | 100 | 112 | – | |||
| 25.30 | 55.3 | 850 | 4.93 | 2.1 | 80 | 90 | 100 | 112 | 132 | ||
| 22.91 | 61.1 | 5.44 | 80 | 90 | 100 | 112 | 132 | ||||
| 19.94 | 70.2 | 6.25 | 1.9 | 11.7 | 80 | 90 | 100 | 112 | 132 | ||
| 17.37 | 80.6 | 830 | 7.00 | 1.8 | 11.1 | 80 | 90 | 100 | 112 | 132 | |
| 16.01 | 87.4 | 800 | 7.33 | 10.8 | 80 | 90 | 100 | 112 | 132 | ||
| 14.50 | 96.6 | 700 | 7.08 | 10.9 | 80 | 90 | 100 | 112 | 132 | ||
| 12.44 | 112.5 | 8.25 | 1.7 | 10.2 | 80 | 90 | 100 | 112 | 132 | ||
| 11.46 | 122.2 | 650 | 8.32 | 10.1 | 80 | 90 | 100 | 112 | 132 | ||
| 9.20 | 152.2 | 600 | 9.56 | 1.5 | 9.4 | 80 | 90 | 100 | 112 | 132 | |
| 8.33 | 168.0 | 10.55 | 1.3 | 9.0 | 80 | 90 | 100 | 112 | 132 | ||
| 7.22 | 193.9 | 550 | 11.17 | 8.7 | 80 | 90 | 100 | 112 | 132 | ||
| 5.80 | 241.5 | 13.91 | 0.9 | 7.9 | 80 | 90 | 100 | 112 | 132 | ||
| 5.25 | 266.7 | 500 | 13.96 | 7.8 | 80 | 90 | 100 | 112 | 132 | ||
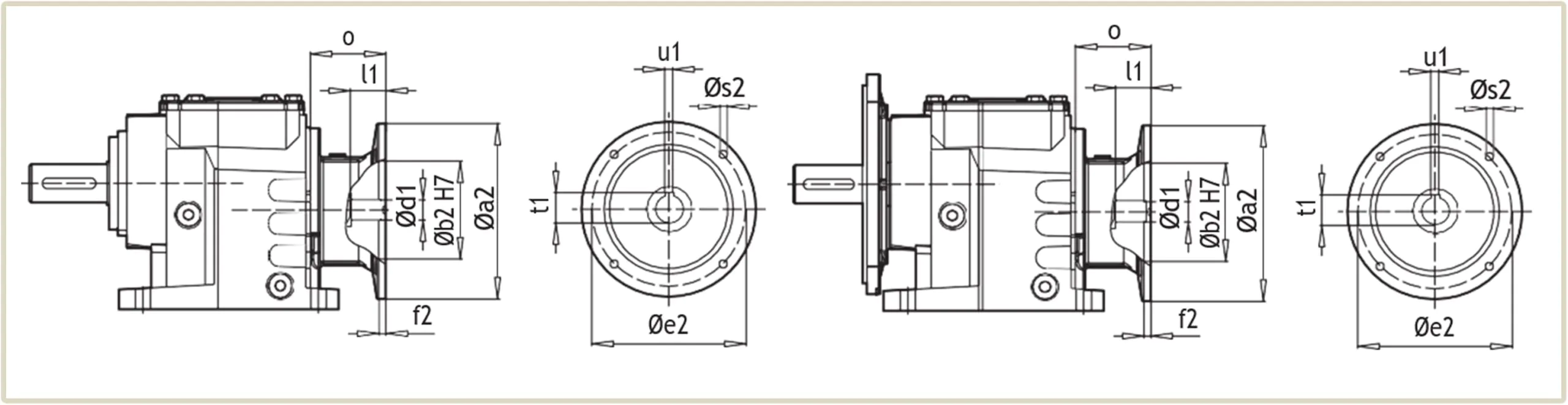
Чертеж размеров редуктора A/F-402
На чертеже указаны габаритные и присоединительные размеры редуктора A-402, отличие AF-402 в наличии фланца, размеры которого указаны в левой части чертежа.
| Условное обозначение | Размер в зависимости от габарита электродвигателя, мм | ||||||
| 80 M | 90 S | 90 L | 100 L | 112 M | 132 S | 132 M | |
| g | 159 | 193 | 193 | 217 | 232 | 279 | 279 |
| g1 | 127 | 151 | 151 | 160 | 168 | 182 | 182 |
| k | 564 (554) | 610 (600) | 630 (620) | 653 (643) | 706 (696) | 713 (703) | 748 (738) |
| kBre | 626 (616) | 683 (673) | 703 (693) | 734 (724) | 786 (776) | 821 (811) | 889 (879) |
| o | 247 | 293 | 313 | 336 | 389 | 396 | 431 |
Присоединительные размеры под электродвигатель
Присоединительные размеры мотор-редукторов A/F-402 подходят для агрегатации с электродвигателями европейского стандарта DIN и двигателей АИР изготовленных по ГОСТ. Для подбора электрического двигателя – ознакомьтесь с таблицей присоединительных размеров фланцев.
| Мотор-редуктор | PAM | Присоединительные размеры под электродвигатель, мм | Вес редукторной части, кг | |||||||||
| Øa2 | Øb2 | Øe2 | f2 | Øs2 | Ød1 | l1 | t1 | u1 | o | |||
| A/F 402 | 80В5 | 200 | 130 | 165 | 5 | M10 | 19 | 42 | 21.8 | 6 | 70 | 35 |
| 90В5 | 200 | 130 | 165 | 5 | M10 | 24 | 52 | 27.3 | 8 | 70 | 35 | |
| 100В5 | 250 | 180 | 215 | 5.5 | M12 | 28 | 62 | 31.3 | 8 | 85 | 37 | |
| 112В5 | 250 | 180 | 215 | 5.5 | M12 | 28 | 62 | 31.3 | 8 | 85 | 37 | |
| 132В5 | 300 | 230 | 265 | 5.5 | M12 | 38 | 82 | 41.3 | 10 | 110 | 41 | |
| 80В14 | 120 | 80 | 100 | 3 | 7 | 19 | 42 | 21.8 | 6 | 70 | 31 | |
| 90В14 | 140 | 95 | 115 | 3 | 9 | 24 | 52 | 27.3 | 8 | 70 | 31 | |
| 100В14 | 160 | 110 | 130 | 3.5 | 9 | 28 | 62 | 31.3 | 8 | 85 | 32 | |
| 112В14 | 160 | 110 | 130 | 3.5 | 9 | 28 | 62 | 31.3 | 8 | 85 | 32 | |
| 132В14 | 200 | 130 | 165 | 3.5 | 11 | 38 | 82 | 41.3 | 10 | 110 | 38 | |
Монтажное положение и объем масла
Двухступенчатые соосные цилиндрические мотор-редукторы A/F-402 имеют возможность установки в горизонтальном и вертикальном положении.
В зависимости от варианта крепления, меняется количество заправляемой смазки. В таблице указан объем масла для каждого монтажного исполнения.
| Монтажное положение мотор-редуктора AF402 | Количество смазки, л |
| M1 | 3 |
|---|---|
| M2 | 4,4 |
| M3 | 3,6 |
| M4 | 4,1 |
| M5 | 3.4 |
| M6 | 3.4 |
Расшифровка обозначения маркировки A/F-402
Условное обозначение маркировки модели содержит информацию о габарите, передаточном отношении и варианте крепления.
Мотор редуктор A 402 17.37 FA PAM 80 — B5 80В / 4B BRE, где
- А — Мотор редуктор цилиндрический соосный;
- 402 — габарит редуктора (40 – диаметр вала, 2 – количество ступеней);
- 17.37 — передаточное отношение;
- FA — выходной фланец редуктора;
- PAM 80 — B5 — фланец для двигателя;
- 80В / 4B BRE — типоразмер электродвигателя.
Купить цилиндрический мотор-редуктор A/F-402
У нас вы можете купить соосно-цилиндрический мотор-редуктор AF-402 или А-402 производства немецкой компании NRW на турецком заводе PGR. Специалисты «Системы Качества» помогут вам подобрать и заказать нужный редуктор A/F-402 для конвейера, транспортерной ленты, подъёмника, насоса. Гарантия на оборудование – 12 месяцев. Оплата с НДС или без НДС, наложенным платежом на почте. Отправка перевозчиками: Новая Почта, Деливери, САТ, самовывоз со склада.
Цена редуктора A/F402 зависит от мощности и оборотов электродвигателя. Для опта действует система скидок 5-15% от прайса. Для просчета стоимости нужной модели – обратитесь к менеджеру или отправьте запрос на почту.









Виктория Владимировна