Характеристики мотор-редуктора A/F-403
В таблице указаны технические характеристики мотор-редуктора A/F-403 с электродвигателем 1500 об/мин. Мощность двигателя рассчитана с учетом сервис-фактора, который равен “1”. Допустимая частота вращения электромотора – 3000, 1500, 1000, 750 об/мин, для подробных просчетов характеристик и параметров, свяжитесь с менеджером для бесплатной консультации.
| Мотор-редуктор | Передаточное число | Количество оборотов на выходе, об/мин | Номинальный крутящий момент, Нм | Мощность двигателя на 1400 об/мин | Радиальная нагрузка, кН | Габарит электродвигателя DIN | |||||
|---|---|---|---|---|---|---|---|---|---|---|---|
| Входной вал | Выходной вал | ||||||||||
| A403, AF403 | 267.75 | 5.2 | 850 | 0.47 | 2.8 | 12.0 | 71 | 80 | 90 | – | – |
| 234.50 | 6.0 | 0.53 | 71 | 80 | 90 | – | – | ||||
| 215.01 | 6.5 | 0.58 | 71 | 80 | 90 | – | – | ||||
| 186.14 | 7.5 | 0.67 | 2.7 | 71 | 80 | 90 | 100 | 112 | |||
| 170.55 | 8.2 | 0.73 | 71 | 80 | 90 | – | – | ||||
| 149.47 | 9.4 | 0.83 | 71 | 80 | 90 | 100 | 112 | ||||
| 135.37 | 10.3 | 0.92 | 71 | 80 | 90 | 100 | 112 | ||||
| 118.13 | 11.9 | 1.05 | 71 | 80 | 90 | 100 | 112 | ||||
| 94.86 | 14.8 | 1.31 | 71 | 80 | 90 | 100 | 112 | ||||
| 85.91 | 16.3 | 1.45 | 2.6 | 71 | 80 | 90 | 100 | 112 | |||
| 68.25 | 20.5 | 1.83 | – | 80 | 90 | 100 | 112 | ||||
| 54.81 | 25.5 | 2.27 | 2.5 | – | 80 | 90 | 100 | 112 | |||
| 49.64 | 28.2 | 2.51 | – | 80 | 90 | 100 | 112 | ||||
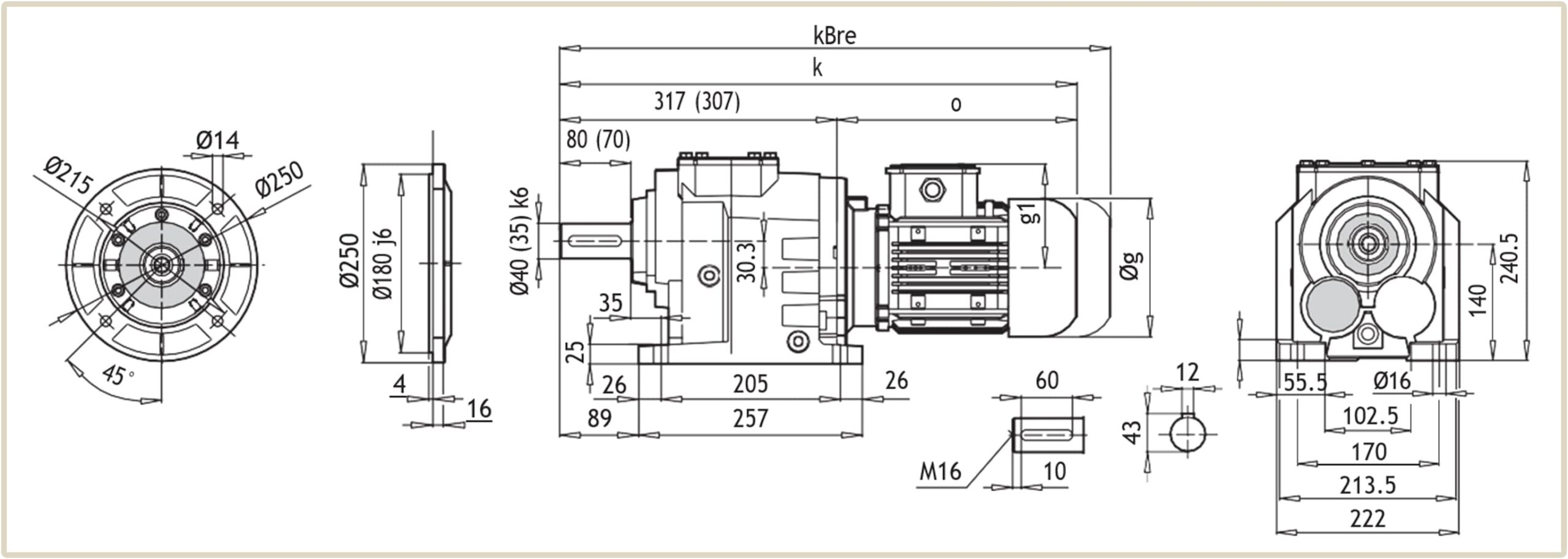
Чертеж размеров редуктора A/F-403
На чертеже указаны габаритные и присоединительные размеры редуктора A-403, отличие AF-403 в наличии фланца, размеры которого указаны в левой части чертежа.
| Условное обозначение | Размер в зависимости от габарита электродвигателя, мм | |||||
| 71 M | 80 M | 90 S | 90 L | 100 L | 112 M | |
| g | 140 | 159 | 193 | 193 | 217 | 232 |
| g1 | 119 | 127 | 151 | 151 | 160 | 168 |
| k | 538 (528) | 564 (554) | 610 (600) | 630 (620) | 653 (643) | 706 (696) |
| kBre | 598 (588) | 626 (616) | 683 (673) | 703 (693) | 734 (724) | 786 (776) |
| o | 221 | 247 | 293 | 313 | 336 | 389 |
Присоединительные размеры под электродвигатель
Присоединительные размеры мотор-редукторов A/F-403 подходят для агрегатации с электродвигателями европейского стандарта DIN и двигателей АИР изготовленных по ГОСТ. Для подбора электрического двигателя – ознакомьтесь с таблицей присоединительных размеров фланцев.
| Мотор-редуктор | PAM | Присоединительные размеры под электродвигатель, мм | Вес редукторной части, кг | |||||||||
| Øa2 | Øb2 | Øe2 | f2 | Øs2 | Ød1 | l1 | t1 | u1 | o | |||
| A/F 403 | 71В5 | 160 | 110 | 130 | 5 | M8 | 14 | 32 | 16.3 | 5 | 49 | 32 |
| 80В5 | 200 | 130 | 165 | 5 | M10 | 19 | 42 | 21.8 | 6 | 70 | 35 | |
| 90В5 | 200 | 130 | 165 | 5 | M10 | 24 | 52 | 27.3 | 8 | 70 | 35 | |
| 100В5 | 250 | 180 | 215 | 5.5 | M12 | 28 | 62 | 31.3 | 8 | 85 | 37 | |
| 112В5 | 250 | 180 | 215 | 5.5 | M12 | 28 | 62 | 31.3 | 8 | 85 | 37 | |
| 71В14 | 105 | 70 | 85 | 2.5 | 7 | 14 | 32 | 16.3 | 5 | 49 | 30 | |
| 80В14 | 120 | 80 | 100 | 3 | 7 | 19 | 42 | 21.8 | 6 | 70 | 31 | |
| 90В14 | 140 | 95 | 115 | 3 | 9 | 24 | 52 | 27.3 | 8 | 70 | 31 | |
| 100В14 | 160 | 110 | 130 | 3.5 | 9 | 28 | 62 | 31.3 | 8 | 85 | 32 | |
| 112В14 | 160 | 110 | 130 | 3.5 | 9 | 28 | 62 | 31.3 | 8 | 85 | 32 | |
Монтажное положение и объем масла
Трехступенчатые соосные цилиндрические мотор-редукторы A/F-403 имеют возможность установки в горизонтальном и вертикальном положении.
В зависимости от варианта крепления, меняется количество заправляемой смазки. В таблице указан объем масла для каждого монтажного исполнения.
| Монтажное положение мотор-редуктора AF403 | Количество смазки, л |
| M1 | 3 |
|---|---|
| M2 | 4,4 |
| M3 | 3,6 |
| M4 | 4,1 |
| M5 | 3.4 |
| M6 | 3.4 |
Расшифровка обозначения маркировки A/F-403
Условное обозначение маркировки модели содержит информацию о габарите, передаточном отношении и варианте крепления.
Мотор редуктор A 403 94.86 FA PAM 100 — B5 100L / 4B BRE, где
- А — Мотор редуктор цилиндрический соосный;
- 403 — габарит редуктора (40 – диаметр вала, 3 – количество ступеней);
- 94.86 — передаточное отношение;
- FA — выходной фланец редуктора;
- PAM 100 — B5 — фланец для двигателя;
- 100L / 4B BRE — типоразмер электродвигателя.
Купить цилиндрический мотор-редуктор A/F-403
У нас вы можете купить соосно-цилиндрический мотор-редуктор AF-403 или А-403 производства немецкой компании NRW на турецком заводе PGR. Специалисты «Системы Качества» помогут вам подобрать и заказать нужный редуктор A/F-403 для конвейера, транспортерной ленты, подъёмника, насоса. Гарантия на оборудование – 12 месяцев. Оплата с НДС или без НДС, наложенным платежом на почте. Отправка перевозчиками: Новая Почта, Деливери, САТ, самовывоз со склада.
Цена редуктора A/F403 зависит от мощности и оборотов электродвигателя. Для опта действует система скидок 5-15% от прайса. Для просчета стоимости нужной модели – обратитесь к менеджеру или отправьте запрос на почту.









Виктория Владимировна