Характеристики мотор-редуктора A/F-501
В таблице указаны технические характеристики мотор-редуктора A/F-501 с электродвигателем 1500 об/мин. Мощность двигателя рассчитана с учетом сервис-фактора, который равен “1”. Допустимая частота вращения электромотора – 3000, 1500, 1000, 750 об/мин, для подробных просчетов характеристик и параметров, свяжитесь с менеджером для бесплатной консультации.
| Мотор-редуктор | Передаточное число | Количество оборотов на выходе, об/мин | Номинальный крутящий момент, Нм | Мощность двигателя на 1400 об/мин | Радиальная нагрузка, кН | Габарит электродвигателя DIN | |||||
|---|---|---|---|---|---|---|---|---|---|---|---|
| Входной вал | Выходной вал | ||||||||||
| A501, AF501 | 8.56 | 163.6 | 350 | 6.00 | 2.5 | 4.0 | 80 | 90 | 100 | 112 | 132 |
| 7.60 | 184.2 | 6.75 | 2.4 | 80 | 90 | 100 | 112 | 132 | |||
| 6.17 | 227.0 | 340 | 8.08 | 2.3 | 3.9 | 80 | 90 | 100 | 112 | 132 | |
| 5.62 | 249.3 | 330 | 8.62 | 2.2 | 3.7 | 80 | 90 | 100 | 112 | 132 | |
| 4.73 | 295.8 | 320 | 9.91 | 2.1 | 3.5 | – | – | 100 | 112 | 132 | |
| 4.06 | 344.9 | 11.56 | 1.9 | 3.3 | – | – | 100 | 112 | 132 | ||
| 3.78 | 370.6 | 310 | 12.03 | 3.2 | – | – | 100 | 112 | 132 | ||
| 3.30 | 424.2 | 13.77 | 1.7 | 3.0 | – | – | 100 | 112 | 132 | ||
| 2.58 | 541.9 | 280 | 15.89 | 1.5 | 2.8 | – | – | 100 | 112 | 132 | |
| 1.97 | 712.3 | 230 | 17.15 | 1.4 | 2.7 | – | – | 132 | |||
| 1.46 | 960.8 | 220 | 22.13 | 0.9 | 2.4 | – | – | – | 132 | ||
| 1.32 | 1057.1 | 200 | 22.14 | 2.3 | – | – | – | – | 132 | ||
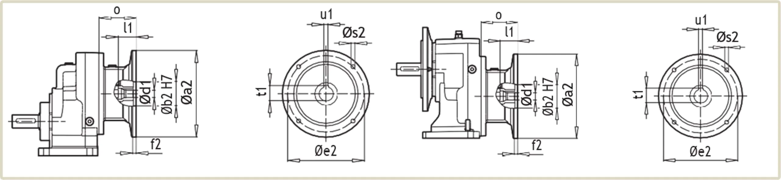
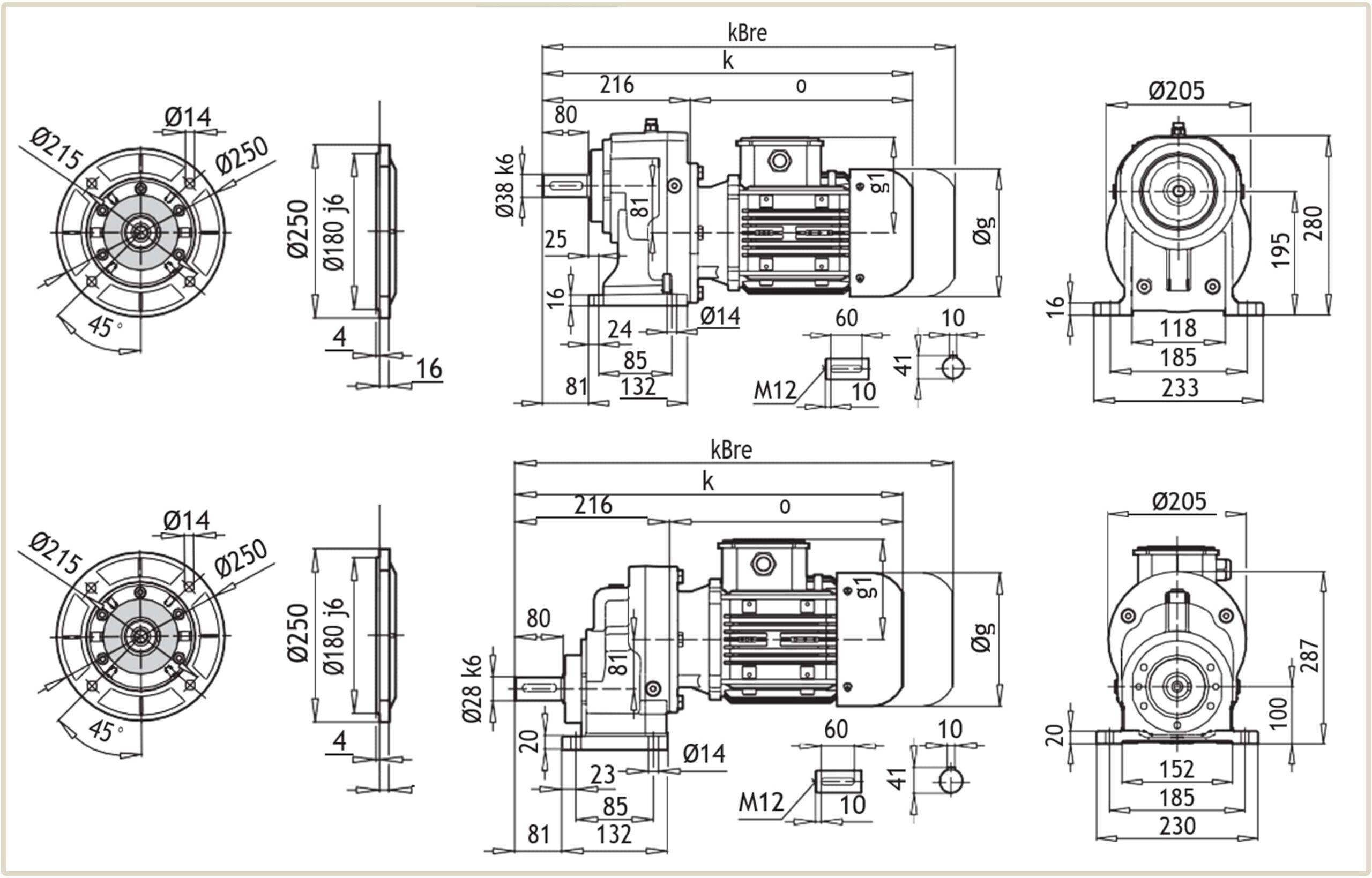
Чертеж размеров редуктора A/F-501
На чертеже указаны габаритные и присоединительные размеры редуктора A-501, отличие AF-501/AF-M-501 в наличии фланца, размеры которого указаны в левой части чертежа.
| Условное обозначение | Размер в зависимости от габарита электродвигателя, мм | ||||||
| 80 M | 90 S | 90 L | 100 L | 112 M | 132 S | 132 M | |
| g | 159 | 193 | 193 | 217 | 232 | 279 | 279 |
| g1 | 127 | 151 | 151 | 160 | 168 | 182 | 182 |
| k | 463 | 509 | 529 | 552 | 605 | 612 | 647 |
| kBre | 525 | 582 | 602 | 633 | 685 | 720 | 788 |
| o | 247 | 293 | 313 | 336 | 389 | 396 | 431 |
Присоединительные размеры под электродвигатель
Присоединительные размеры мотор-редукторов A/F-501 подходят для агрегатации с электродвигателями европейского стандарта DIN и двигателей АИР изготовленных по ГОСТ. Для подбора электрического двигателя – ознакомьтесь с таблицей присоединительных размеров фланцев.
| Мотор-редуктор | PAM | Присоединительные размеры под электродвигатель, мм | Вес редукторной части, кг | |||||||||
| Øa2 | Øb2 | Øe2 | f2 | Øs2 | Ød1 | l1 | t1 | u1 | o | |||
| A/F 501 | 80В5 | 200 | 130 | 165 | 5 | M10 | 19 | 42 | 21.8 | 6 | 70 | 22 |
| 90В5 | 200 | 130 | 165 | 5 | M10 | 24 | 52 | 27.3 | 8 | 70 | 22 | |
| 100В5 | 250 | 180 | 215 | 5.5 | M12 | 28 | 62 | 31.3 | 8 | 85 | 25 | |
| 112В5 | 250 | 180 | 215 | 5.5 | M12 | 28 | 62 | 31.3 | 8 | 85 | 25 | |
| 132В5 | 300 | 230 | 265 | 5.5 | M12 | 38 | 82 | 41.3 | 10 | 110 | 27 | |
| 80В14 | 120 | 80 | 100 | 3 | 7 | 19 | 42 | 21.8 | 6 | 70 | 18.5 | |
| 90В14 | 140 | 95 | 115 | 3 | 9 | 24 | 52 | 27.3 | 8 | 70 | 18.5 | |
| 100В14 | 160 | 110 | 130 | 3.5 | 9 | 28 | 62 | 31.3 | 8 | 85 | 21 | |
| 112В14 | 160 | 110 | 130 | 3.5 | 9 | 28 | 62 | 31.3 | 8 | 85 | 21 | |
| 132В14 | 200 | 130 | 165 | 3.5 | 11 | 38 | 82 | 41.3 | 10 | 110 | 24 | |
Монтажное положение и объем масла
Одноступенчатые цилиндрические мотор-редукторы A/F-501 имеют возможность установки в горизонтальном и вертикальном положении.
В зависимости от варианта крепления, меняется количество заправляемой смазки. В таблице указан объем масла для каждого монтажного исполнения.
| Монтажное положение мотор-редуктора AF501 | Количество смазки, л |
| M1 | 1,45 |
|---|---|
| M2 | 1,5 |
| M3 | 1,5 |
| M4 | 1,5 |
| M5 | 1,5 |
| M6 | 1,5 |
Расшифровка обозначения маркировки A/F-501
Условное обозначение маркировки модели содержит информацию о габарите, передаточном отношении и варианте крепления.
Мотор редуктор A 501 3,30 FA PAM 132 — B5 132М / 4B BRE, где
- А — Мотор редуктор цилиндрический;
- 501 — габарит редуктора;
- 3,30 — передаточное отношение;
- FA — выходной фланец редуктора;
- PAM 132 — B5 — фланец для двигателя;
- 132М / 4B BRE — типоразмер электродвигателя.
Купить цилиндрический мотор-редуктор A/F-501
У нас вы можете купить цилиндрический мотор-редуктор AF-M-501 или А-501 производства немецкой компании NRW на турецком заводе PGR. Специалисты «Системы Качества» помогут вам подобрать и заказать нужный редуктор A/F-501 для конвейера, транспортерной ленты, подъёмника, насоса. Гарантия на оборудование – 12 месяцев. Оплата с НДС или без НДС, наложенным платежом на почте. Отправка перевозчиками: Новая Почта, Деливери, САТ, самовывоз со склада.
Цена редуктора A/F501 зависит от мощности и оборотов электродвигателя. Для опта действует система скидок 5-15% от прайса. Для просчета стоимости нужной модели – обратитесь к менеджеру или отправьте запрос на почту.









Виктория Владимировна