Характеристики мотор-редуктора A/F-502
В таблице указаны технические характеристики мотор-редуктора A/F-502 с электродвигателем 1500 об/мин. Мощность двигателя рассчитана с учетом сервис-фактора, который равен “1”. Допустимая частота вращения электромотора – 3000, 1500, 1000, 750 об/мин, для подробных просчетов характеристик и параметров, свяжитесь с менеджером для бесплатной консультации.
| Мотор-редуктор | Передаточное число | Количество оборотов на выходе, об/мин | Номинальный крутящий момент, Нм | Мощность двигателя на 1400 об/мин | Радиальная нагрузка, кН | Габарит электродвигателя DIN | ||||||
|---|---|---|---|---|---|---|---|---|---|---|---|---|
| Входной вал | Выходной вал | |||||||||||
| A502, AF502 | 48.77 | 28.7 | 1600 | 4.81 | 2.4 | 18.0 | 80 | 90 | 100 | 112 | 132 | – |
| 43.32 | 32.3 | 5.41 | 80 | 90 | 100 | 112 | 132 | – | ||||
| 39.21 | 35.7 | 5.98 | 2.3 | 17.7 | 80 | 90 | 100 | 112 | 132 | – | ||
| 34.83 | 40.2 | 6.73 | 2.2 | 16.7 | 80 | 90 | 100 | 112 | 132 | – | ||
| 31.57 | 44.3 | 7.43 | 2.1 | 16.0 | 80 | 90 | 100 | 112 | 132 | – | ||
| 28.26 | 49.5 | 8.30 | 2.0 | 15.1 | 80 | 90 | 100 | 112 | 132 | – | ||
| 26.98 | 51.9 | 8.69 | 14.8 | – | – | 100 | 112 | 132 | 160 | |||
| 23.14 | 60.5 | 10.14 | 1.8 | 13.7 | – | – | 100 | 112 | 132 | 160 | ||
| 21.69 | 64.5 | 10.81 | 1.7 | 13.2 | – | – | 100 | 112 | 132 | 160 | ||
| 19.66 | 71.2 | 11.93 | 1.6 | 12.6 | – | – | 100 | 112 | 132 | 160 | ||
| 18.81 | 74.4 | 1500 | 11.69 | 12.7 | – | – | 100 | 112 | 132 | 160 | ||
| 16.86 | 83.0 | 13.04 | 1.5 | 12.1 | – | – | 100 | 112 | 132 | 160 | ||
| 15.13 | 92.6 | 14.54 | 1.3 | 11.4 | – | – | 100 | 112 | 132 | 160 | ||
| 13.71 | 102.1 | 1400 | 14.97 | 11.3 | – | – | 100 | 112 | 132 | 160 | ||
| 11.20 | 125.0 | 1100 | 14.39 | 11.5 | – | – | – | – | 132 | 160 | ||
| 9.01 | 155.4 | 900 | 14.65 | 11.2 | – | – | – | – | 132 | 160 | ||
| 8.16 | 171.5 | 800 | 14.36 | – | – | – | – | 132 | 160 | |||
| 7.55 | 185.5 | 15.54 | 1.2 | 10.8 | – | – | – | – | 132 | 160 | ||
| 6.07 | 230.6 | 700 | 16.91 | 1.0 | 10.3 | – | – | – | – | 132 | 160 | |
| 5.50 | 254.5 | 18.65 | 0.8 | 9.8 | – | – | – | 132 | 160 | |||
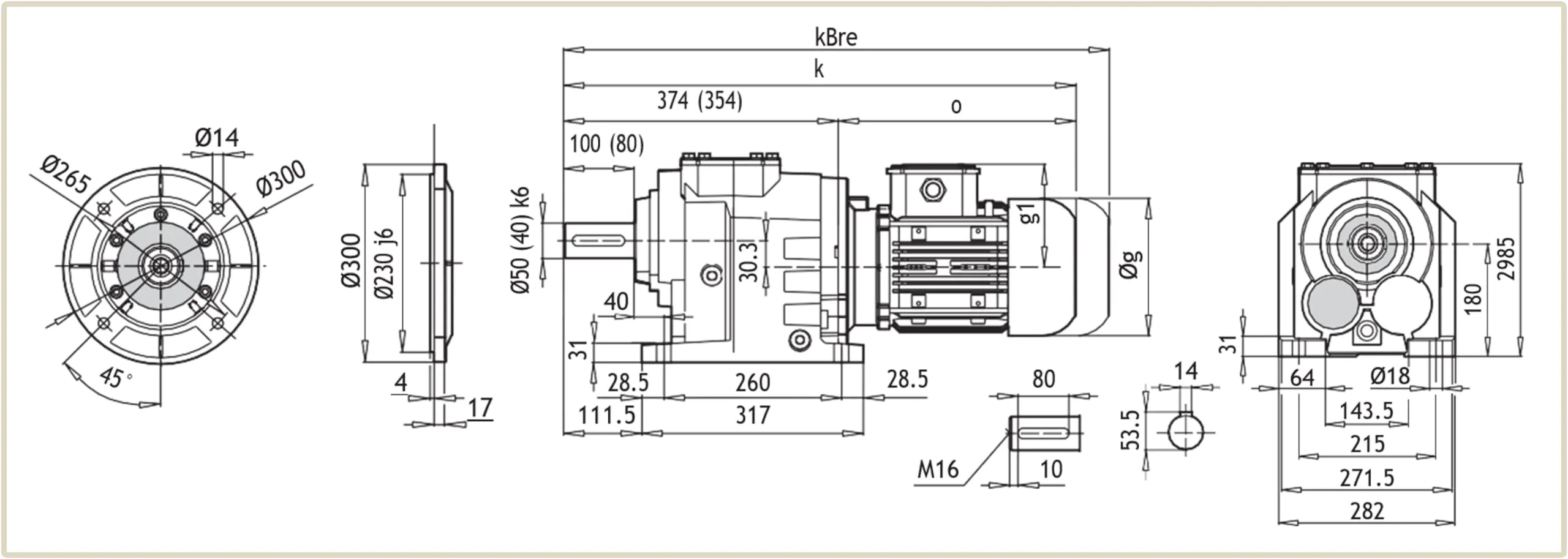
Чертеж размеров редуктора A/F-502
На чертеже указаны габаритные и присоединительные размеры редуктора A-502, отличие AF-502 в наличии фланца, размеры которого указаны в левой части чертежа.
| Условное обозначение | Размер в зависимости от габарита электродвигателя, мм | |||||||
| 80 M | 90 M | 90 L | 100 L | 112 M | 132 S | 132 M | 160 M/L | |
| g | 159 | 193 | 193 | 217 | 232 | 279 | 279 | 323 |
| g1 | 127 | 151 | 151 | 160 | 168 | 182 | 182 | 200 |
| k | 621 (601) | 667 (647) | 687 (667) | 710 (690) | 763 (743) | 770 (750) | 805 (785) | 892 (872) |
| kBre | 683 (663) | 740 (720) | 760 (740) | 791 (771) | 843 (823) | 878 (858) | 946 (926) | 1044 (1024) |
| o | 247 | 293 | 313 | 336 | 389 | 396 | 431 | 518 |
Присоединительные размеры под электродвигатель
Присоединительные размеры мотор-редукторов A/F-502 подходят для агрегатации с электродвигателями европейского стандарта DIN и двигателей АИР изготовленных по ГОСТ. Для подбора электрического двигателя – ознакомьтесь с таблицей присоединительных размеров фланцев.
| Мотор-редуктор | PAM | Присоединительные размеры под электродвигатель, мм | Вес редукторной части, кг | |||||||||
| Øa2 | Øb2 | Øe2 | f2 | Øs2 | Ød1 | l1 | t1 | u1 | o | |||
| A/F 502 | 80В5 | 200 | 130 | 165 | 5 | M10 | 19 | 42 | 21.8 | 6 | 70 | 52 |
| 90В5 | 200 | 130 | 165 | 5 | M10 | 24 | 52 | 27.3 | 8 | 70 | 52 | |
| 100В5 | 250 | 180 | 215 | 5.5 | M12 | 28 | 62 | 31.3 | 8 | 85 | 54 | |
| 112В5 | 250 | 180 | 215 | 5.5 | M12 | 28 | 62 | 31.3 | 8 | 85 | 54 | |
| 132В5 | 300 | 230 | 265 | 5.5 | M12 | 38 | 82 | 41.3 | 10 | 110 | 58 | |
| 160В5 | 350 | 250 | 300 | 7 | M16 | 42 | 112 | 45.3 | 12 | 158 | 65 | |
| 80В14 | 120 | 80 | 100 | 3 | 7 | 19 | 42 | 21.8 | 6 | 70 | 48 | |
| 90В14 | 140 | 95 | 115 | 3 | 9 | 24 | 52 | 27.3 | 8 | 70 | 48 | |
| 100В14 | 160 | 110 | 130 | 3.5 | 9 | 28 | 62 | 31.3 | 8 | 85 | 50 | |
| 112В14 | 160 | 110 | 130 | 3.5 | 9 | 28 | 62 | 31.3 | 8 | 85 | 50 | |
| 132В14 | 200 | 130 | 165 | 3.5 | 11 | 38 | 82 | 41.3 | 10 | 110 | 55 | |
Монтажное положение и объем масла
Двухступенчатые соосные цилиндрические мотор-редукторы A/F-502 имеют возможность установки в горизонтальном и вертикальном положении.
В зависимости от варианта крепления, меняется количество заправляемой смазки. В таблице указан объем масла для каждого монтажного исполнения.
| Монтажное положение мотор-редуктора AF502 | Количество смазки, л |
| M1 | 5,7 |
|---|---|
| M2 | 7,9 |
| M3 | 6,2 |
| M4 | 7,8 |
| M5 | 6,6 |
| M6 | 6,6 |
Расшифровка обозначения маркировки A/F-502
Условное обозначение маркировки модели содержит информацию о габарите, передаточном отношении и варианте крепления.
Мотор редуктор A 502 39.21 FA PAM 80 — B5 80В / 4B BRE, где
- А — Мотор редуктор цилиндрический соосный;
- 502 — габарит редуктора (50 – диаметр вала, 2 – количество ступеней);
- 39.21 — передаточное отношение;
- FA — выходной фланец редуктора;
- PAM 80 — B5 — фланец для двигателя;
- 80В / 4B BRE — типоразмер электродвигателя.
Купить цилиндрический мотор-редуктор A/F-502
У нас вы можете купить соосно-цилиндрический мотор-редуктор AF-502 или А-502 производства немецкой компании NRW на турецком заводе PGR. Специалисты «Системы Качества» помогут вам подобрать и заказать нужный редуктор A/F-502 для конвейера, транспортерной ленты, подъёмника, насоса. Гарантия на оборудование – 12 месяцев. Оплата с НДС или без НДС, наложенным платежом на почте. Отправка перевозчиками: Новая Почта, Деливери, САТ, самовывоз со склада.
Цена редуктора A/F502 зависит от мощности и оборотов электродвигателя. Для опта действует система скидок 5-15% от прайса. Для просчета стоимости нужной модели – обратитесь к менеджеру или отправьте запрос на почту.









Виктория Владимировна