Характеристики мотор-редуктора A/F-503
В таблице указаны технические характеристики мотор-редуктора A/F-503 с электродвигателем 1500 об/мин. Мощность двигателя рассчитана с учетом сервис-фактора, который равен “1”. Допустимая частота вращения электромотора – 3000, 1500, 1000, 750 об/мин, для подробных просчетов характеристик и параметров, свяжитесь с менеджером для бесплатной консультации.
| Мотор-редуктор | Передаточное число | Количество оборотов на выходе, об/мин | Номинальный крутящий момент, Нм | Мощность двигателя на 1400 об/мин | Радиальная нагрузка, кН | Габарит электродвигателя DIN | ||||||
|---|---|---|---|---|---|---|---|---|---|---|---|---|
| Входной вал | Выходной вал | |||||||||||
| A503, AF503 | 222.59 | 6.3 | 1800 | 1.19 | 2.9 | 18.0 | 80 | 90 | 90 | – | – | – |
| 194.86 | 7.2 | 1.35 | 80 | 90 | 90 | – | – | – | ||||
| 178.98 | 7.8 | 1.47 | 2.8 | 80 | 90 | 90 | – | – | – | |||
| 162.21 | 8.6 | 1.63 | 80 | 90 | 90 | – | – | – | ||||
| 154.52 | 9.1 | 1.71 | 80 | 90 | 90 | 100 | 112 | 132 | ||||
| 142.00 | 9.9 | 1.86 | 80 | 90 | 90 | 100 | 112 | – | ||||
| 124.25 | 11.3 | 2.12 | 80 | 90 | 90 | 100 | 112 | 132 | ||||
| 112.61 | 12.4 | 2.34 | 2.7 | 80 | 90 | 90 | 100 | 112 | 132 | |||
| 97.80 | 14.3 | 2.70 | 80 | 90 | 90 | 100 | 112 | 132 | ||||
| 85.33 | 16.4 | 3.09 | 80 | 90 | 90 | 100 | 112 | 132 | ||||
| 78.64 | 17.8 | 3.36 | 2.6 | 80 | 90 | 90 | 100 | 112 | 132 | |||
| 71.27 | 19.6 | 3.70 | 80 | 90 | 90 | 100 | 112 | 132 | ||||
| 56.21 | 24.9 | 1600 | 4.17 | 2.5 | 80 | 90 | 90 | 100 | 112 | 132 | ||
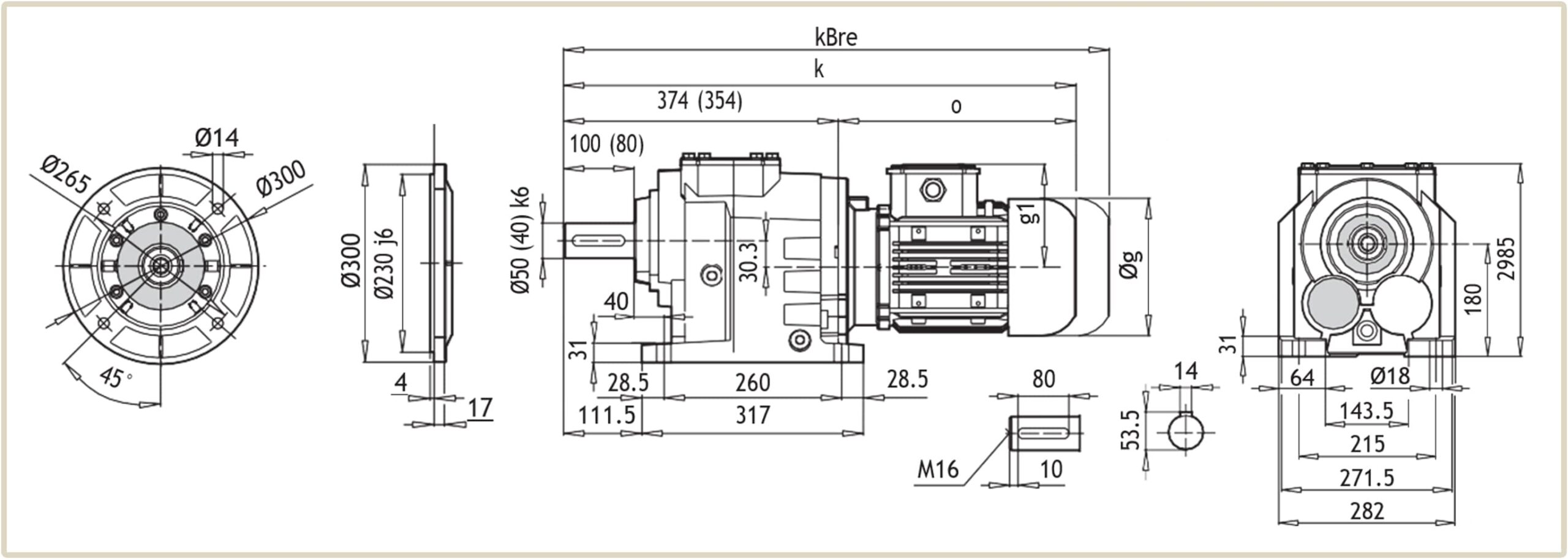
Чертеж размеров редуктора A/F-503
На чертеже указаны габаритные и присоединительные размеры редуктора A-503, отличие AF-503 в наличии фланца, размеры которого указаны в левой части чертежа.
| Условное обозначение | Размер в зависимости от габарита электродвигателя, мм | ||||||
| 80 M | 90 M | 90 L | 100 L | 112 M | 132 S | 132 M | |
| g | 159 | 193 | 193 | 217 | 232 | 279 | 279 |
| g1 | 127 | 151 | 151 | 160 | 168 | 182 | 182 |
| k | 621 (601) | 667 (647) | 687 (667) | 710 (690) | 763 (743) | 770 (750) | 805 (785) |
| kBre | 683 (663) | 740 (720) | 760 (740) | 791 (771) | 843 (823) | 878 (858) | 946 (926) |
| o | 247 | 293 | 313 | 336 | 389 | 396 | 431 |
Присоединительные размеры под электродвигатель
Присоединительные размеры мотор-редукторов A/F-503 подходят для агрегатации с электродвигателями европейского стандарта DIN и двигателей АИР изготовленных по ГОСТ. Для подбора электрического двигателя – ознакомьтесь с таблицей присоединительных размеров фланцев.
| Мотор-редуктор | PAM | Присоединительные размеры под электродвигатель, мм | Вес редукторной части, кг | |||||||||
| Øa2 | Øb2 | Øe2 | f2 | Øs2 | Ød1 | l1 | t1 | u1 | o | |||
| A/F 503 | 80В5 | 200 | 130 | 165 | 5 | M10 | 19 | 42 | 21.8 | 6 | 70 | 52 |
| 90В5 | 200 | 130 | 165 | 5 | M10 | 24 | 52 | 27.3 | 8 | 70 | 52 | |
| 100В5 | 250 | 180 | 215 | 5.5 | M12 | 28 | 62 | 31.3 | 8 | 85 | 54 | |
| 112В5 | 250 | 180 | 215 | 5.5 | M12 | 28 | 62 | 31.3 | 8 | 85 | 54 | |
| 132В5 | 300 | 230 | 265 | 5.5 | M12 | 38 | 82 | 41.3 | 10 | 110 | 58 | |
| 80В14 | 120 | 80 | 100 | 3 | 7 | 19 | 42 | 21.8 | 6 | 70 | 48 | |
| 90В14 | 140 | 95 | 115 | 3 | 9 | 24 | 52 | 27.3 | 8 | 70 | 48 | |
| 100В14 | 160 | 110 | 130 | 3.5 | 9 | 28 | 62 | 31.3 | 8 | 85 | 50 | |
| 112В14 | 160 | 110 | 130 | 3.5 | 9 | 28 | 62 | 31.3 | 8 | 85 | 50 | |
| 132В14 | 200 | 130 | 165 | 3.5 | 11 | 38 | 82 | 41.3 | 10 | 110 | 55 | |
Монтажное положение и объем масла
Трехступенчатые соосные цилиндрические мотор-редукторы A/F-503 имеют возможность установки в горизонтальном и вертикальном положении.
В зависимости от варианта крепления, меняется количество заправляемой смазки. В таблице указан объем масла для каждого монтажного исполнения.
| Монтажное положение мотор-редуктора AF503 | Количество смазки, л |
| M1 | 5,7 |
|---|---|
| M2 | 7,9 |
| M3 | 6,2 |
| M4 | 7,8 |
| M5 | 6,6 |
| M6 | 6,6 |
Расшифровка обозначения маркировки A/F-503
Условное обозначение маркировки модели содержит информацию о габарите, передаточном отношении и варианте крепления.
Мотор редуктор A 503 78.64 FA PAM 112 — B5 112М / 4B BRE, где
- А — Мотор редуктор цилиндрический соосный;
- 503 — габарит редуктора (50 – диаметр вала, 3 – количество ступеней);
- 78.64 — передаточное отношение;
- FA — выходной фланец редуктора;
- PAM 112 — B5 — фланец для двигателя;
- 112М / 4B BRE — типоразмер электродвигателя.
Купить цилиндрический мотор-редуктор A/F-503
У нас вы можете купить соосно-цилиндрический мотор-редуктор AF-503 или А-503 производства немецкой компании NRW на турецком заводе PGR. Специалисты «Системы Качества» помогут вам подобрать и заказать нужный редуктор A/F-503 для конвейера, транспортерной ленты, подъёмника, насоса. Гарантия на оборудование – 12 месяцев. Оплата с НДС или без НДС, наложенным платежом на почте. Отправка перевозчиками: Новая Почта, Деливери, САТ, самовывоз со склада.
Цена редуктора A/F503 зависит от мощности и оборотов электродвигателя. Для опта действует система скидок 5-15% от прайса. Для просчета стоимости нужной модели – обратитесь к менеджеру или отправьте запрос на почту.









Виктория Владимировна