Характеристики мотор-редуктора A/F-601
В таблице указаны технические характеристики мотор-редуктора A/F-601 с электродвигателем 1500 об/мин. Мощность двигателя рассчитана с учетом сервис-фактора, который равен “1”. Допустимая частота вращения электромотора – 3000, 1500, 1000, 750 об/мин, для подробных просчетов характеристик и параметров, свяжитесь с менеджером для бесплатной консультации.
| Мотор-редуктор | Передаточное число | Количество оборотов на выходе, об/мин | Номинальный крутящий момент, Нм | Мощность двигателя на 1400 об/мин | Радиальная нагрузка, кН | Габарит электродвигателя DIN | |||||
|---|---|---|---|---|---|---|---|---|---|---|---|
| Входной вал | Выходной вал | ||||||||||
| A601, AF601 | 8.30 | 168.7 | 650 | 11.48 | 3.4 | 5.0 | 100 | 112 | 132 | 160 | – |
| 7.45 | 187.8 | 12.78 | 100 | 112 | 132 | 160 | – | ||||
| 6.15 | 227.5 | 640 | 15.25 | 3.3 | 4.9 | 100 | 112 | 132 | 160 | – | |
| 5.20 | 269.2 | 620 | 17.48 | 3.1 | 4.6 | 100 | 112 | 132 | 160 | 180 | |
| 4.81 | 290.9 | 18.89 | 4.4 | 100 | 112 | 132 | 160 | 180 | |||
| 4.28 | 327.3 | 610 | 20.90 | 3.0 | 4.2 | – | – | 132 | 160 | 180 | |
| 3.65 | 383.6 | 600 | 24.10 | 2.8 | 3.9 | 100 | 112 | 132 | 160 | 180 | |
| 3.23 | 433.8 | 27.25 | 2.7 | 3.7 | 100 | 112 | 132 | 160 | 180 | ||
| 2.44 | 572.7 | 550 | 32.98 | 2.4 | 3.4 | – | – | 132 | 160 | 180 | |
| 2.00 | 700.0 | 450 | 32.98 | 3.3 | – | – | 132 | 160 | 180 | ||
| 1.38 | 1011.1 | 47.64 | 1.7 | 2.8 | – | – | 132 | 160 | 180 | ||
| 1.27 | 1103.8 | 400 | 46.23 | 1.8 | – | – | 132 | 160 | 180 | ||
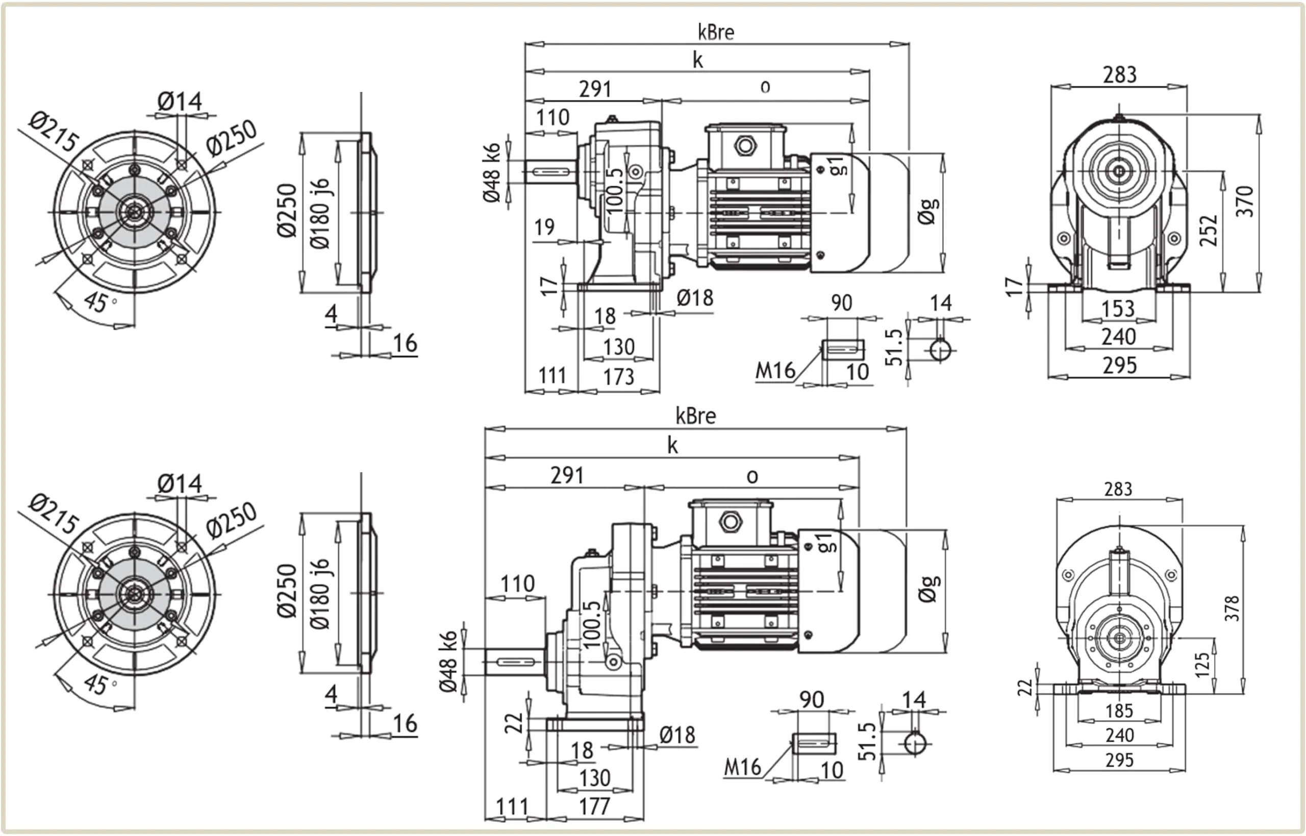
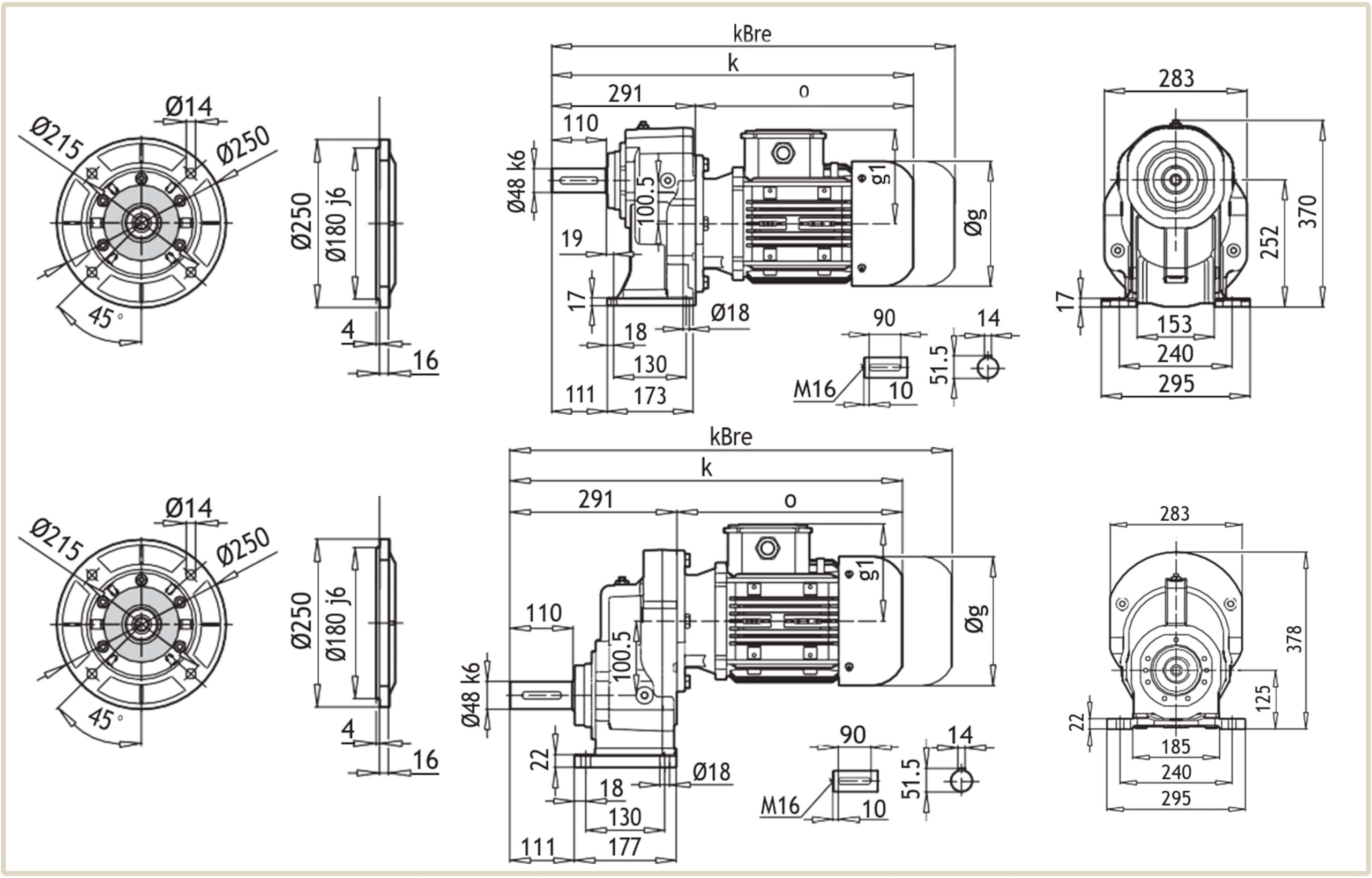
Чертеж размеров редуктора A/F-601
На чертеже указаны габаритные и присоединительные размеры редуктора A-601, отличие AF-601/AF-M-601 в наличии фланца, размеры которого указаны в левой части чертежа.
| Условное обозначение | Размер в зависимости от габарита электродвигателя, мм | |||||
| 100 L | 112 M | 132 S | 132 M | 160 M/L | 180 M/L | |
| g | 217 | 232 | 279 | 279 | 323 | 370 |
| g1 | 160 | 168 | 182 | 182 | 200 | 248 |
| k | 617 | 671 | 677 | 712 | 799 | 864 |
| kBre | 698 | 751 | 785 | 853 | 951 | 1026 |
| o | 326 | 380 | 386 | 421 | 508 | 573 |
Присоединительные размеры под электродвигатель
Присоединительные размеры мотор-редукторов A/F-601 подходят для агрегатации с электродвигателями европейского стандарта DIN и двигателей АИР изготовленных по ГОСТ. Для подбора электрического двигателя – ознакомьтесь с таблицей присоединительных размеров фланцев.
| Мотор-редуктор | PAM | Присоединительные размеры под электродвигатель, мм | Вес редукторной части, кг | |||||||||
| Øa2 | Øb2 | Øe2 | f2 | Øs2 | Ød1 | l1 | t1 | u1 | o | |||
| A/F 601 | 100В5 | 250 | 180 | 215 | 5.5 | M12 | 28 | 62 | 31.3 | 8 | 76 | 37 |
| 112В5 | 250 | 180 | 215 | 5.5 | M12 | 28 | 62 | 31.3 | 8 | 76 | 37 | |
| 132В5 | 300 | 230 | 265 | 5.5 | M12 | 38 | 82 | 41.3 | 10 | 101 | 40 | |
| 160В5 | 350 | 250 | 300 | 7 | M16 | 42 | 112 | 45.3 | 12 | 148 | 47 | |
| 180В5 | 350 | 250 | 300 | 7 | M16 | 48 | 112 | 51.8 | 14 | 148 | 47 | |
| 100В14 | 160 | 110 | 130 | 3.5 | 9 | 28 | 62 | 31.3 | 8 | 76 | 34.5 | |
| 112В14 | 160 | 110 | 130 | 3.5 | 9 | 28 | 62 | 31.3 | 8 | 76 | 34.5 | |
| 132В14 | 200 | 130 | 165 | 3.5 | 11 | 38 | 82 | 41.3 | 10 | 101 | 38 | |
Монтажное положение и объем масла
Одноступенчатые цилиндрические мотор-редукторы A/F-601 имеют возможность установки в горизонтальном и вертикальном положении.
В зависимости от варианта крепления, меняется количество заправляемой смазки. В таблице указан объем масла для каждого монтажного исполнения.
| Монтажное положение мотор-редуктора AF601 | Количество смазки, л |
| M1 | 3,8 |
|---|---|
| M2 | 3,2 |
| M3 | 1,3 |
| M4 | 2,7 |
| M5 | 2,6 |
| M6 | 2,6 |
Расшифровка обозначения маркировки A/F-601
Условное обозначение маркировки модели содержит информацию о габарите, передаточном отношении и варианте крепления.
Мотор редуктор A 601 3.23 FA PAM 132 — B5 132M / 4B BRE, где
- А — Мотор редуктор цилиндрический;
- 601 — габарит редуктора;
- 3.23 — передаточное отношение;
- FA — выходной фланец редуктора;
- PAM 132 — B5 — фланец для двигателя;
- 132M / 4B BRE — типоразмер электродвигателя.
Купить цилиндрический мотор-редуктор A/F-601
У нас вы можете купить цилиндрический мотор-редуктор AF-M-601 или А-601 производства немецкой компании NRW на турецком заводе PGR. Специалисты «Системы Качества» помогут вам подобрать и заказать нужный редуктор A/F-601 для конвейера, транспортерной ленты, подъёмника, насоса. Гарантия на оборудование – 12 месяцев. Оплата с НДС или без НДС, наложенным платежом на почте. Отправка перевозчиками: Новая Почта, Деливери, САТ, самовывоз со склада.
Цена редуктора A/F601 зависит от мощности и оборотов электродвигателя. Для опта действует система скидок 5-15% от прайса. Для просчета стоимости нужной модели – обратитесь к менеджеру или отправьте запрос на почту.









Виктория Владимировна