Характеристики мотор-редуктора A/F-602
В таблице указаны технические характеристики мотор-редуктора A/F-602 с электродвигателем 1500 об/мин. Мощность двигателя рассчитана с учетом сервис-фактора, который равен “1”. Допустимая частота вращения электромотора – 3000, 1500, 1000, 750 об/мин, для подробных просчетов характеристик и параметров, свяжитесь с менеджером для бесплатной консультации.
| Мотор-редуктор | Передаточное число | Количество оборотов на выходе, об/мин | Номинальный крутящий момент, Нм | Мощность двигателя на 1400 об/мин | Радиальная нагрузка, кН | Габарит электродвигателя DIN | |||||
|---|---|---|---|---|---|---|---|---|---|---|---|
| Входной вал | Выходной вал | ||||||||||
| A602, AF602 | 50.91 | 27.5 | 3300 | 9.50 | 3.6 | 22.0 | 100 | 112 | 132 | – | – |
| 45.27 | 30.9 | 10.69 | 100 | 112 | 132 | 160 | – | ||||
| 40.81 | 34.3 | 11.85 | 3.5 | 21.7 | 100 | 112 | 132 | 160 | – | ||
| 38.00 | 36.8 | 2800 | 10.80 | 3.6 | 22.0 | 100 | 112 | 132 | – | – | |
| 33.79 | 41.4 | 3200 | 13.88 | 3.4 | 20.0 | 100 | 112 | 132 | 160 | – | |
| 30.35 | 46.1 | 15.46 | 18.9 | 100 | 112 | 132 | 160 | – | |||
| 28.36 | 49.4 | 3300 | 17.06 | 3.3 | 17.8 | 100 | 112 | 132 | 160 | 180 | |
| 25.57 | 54.8 | 18.92 | 3.2 | 16.8 | 100 | 112 | 132 | 160 | 180 | ||
| 23.66 | 59.2 | 20.45 | 3.1 | 16.1 | 100 | 112 | 132 | 160 | 180 | ||
| 21.17 | 66.1 | 3200 | 22.16 | 15.4 | 100 | 112 | 132 | 160 | 180 | ||
| 19.59 | 71.5 | 23.94 | 3.0 | 14.7 | 100 | 112 | 132 | 160 | 180 | ||
| 17.60 | 79.5 | 26.65 | 2.9 | 13.8 | 100 | 112 | 132 | 160 | 180 | ||
| 15.87 | 88.2 | 29.56 | 2.7 | 12.9 | 100 | 112 | 132 | 160 | 180 | ||
| 13.14 | 106.5 | 3100 | 34.59 | 2.5 | 11.8 | 100 | 112 | 132 | 160 | 180 | |
| 10.91 | 128.3 | 3000 | 40.31 | 2.2 | 10.8 | – | – | 132 | 160 | 180 | |
| 9.83 | 142.4 | 2800 | 41.74 | – | – | 132 | 160 | 180 | |||
| 8.14 | 171.9 | 2500 | 45.01 | 2.0 | 10.6 | – | – | 132 | 160 | 180 | |
| 6.92 | 202.4 | 2300 | 48.74 | 1.8 | 10.4 | – | – | 132 | 160 | 180 | |
| 6.24 | 224.5 | 2000 | 47.02 | 1.9 | 10.9 | – | – | 132 | 160 | 180 | |
| 5.16 | 271.1 | 1800 | 51.10 | 1.7 | 10.5 | – | – | 132 | 160 | 180 | |
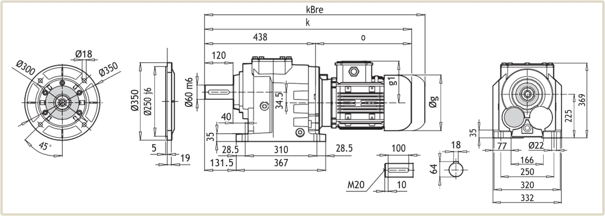
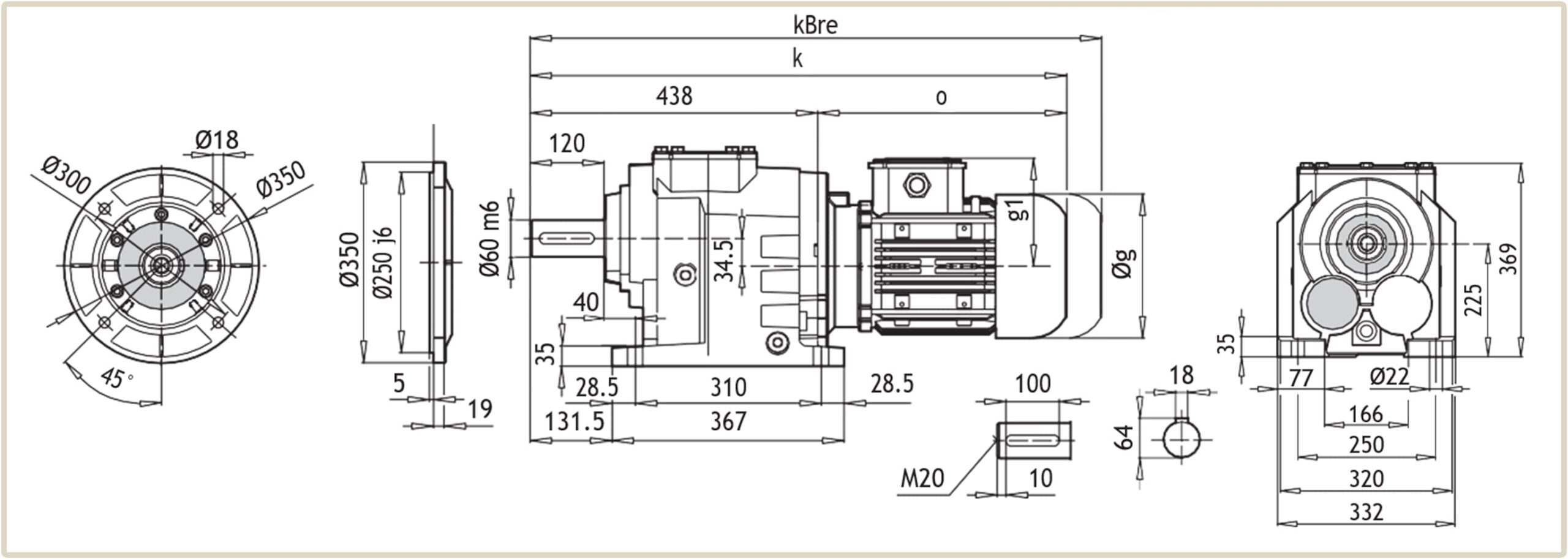
Чертеж размеров редуктора A/F-602
На чертеже указаны габаритные и присоединительные размеры редуктора A-602, отличие AF-602 в наличии фланца, размеры которого указаны в левой части чертежа.
| Условное обозначение | Размер в зависимости от габарита электродвигателя, мм | |||||
| 100 L | 112 M | 132 S | 132 M | 160 M/L | 180 M/L | |
| g | 217 | 232 | 279 | 279 | 323 | 370 |
| g1 | 160 | 168 | 182 | 182 | 200 | 248 |
| k | 764 | 818 | 824 | 859 | 946 | 1011 |
| kBre | 845 | 898 | 932 | 1000 | 1098 | 1173 |
| o | 326 | 380 | 386 | 421 | 508 | 573 |
Присоединительные размеры под электродвигатель
Присоединительные размеры мотор-редукторов A/F-602 подходят для агрегатации с электродвигателями европейского стандарта DIN и двигателей АИР изготовленных по ГОСТ. Для подбора электрического двигателя – ознакомьтесь с таблицей присоединительных размеров фланцев.
| Мотор-редуктор | PAM | Присоединительные размеры под электродвигатель, мм | Вес редукторной части, кг | |||||||||
| Øa2 | Øb2 | Øe2 | f2 | Øs2 | Ød1 | l1 | t1 | u1 | o | |||
| A/F 602 | 100В5 | 250 | 180 | 215 | 5.5 | M12 | 28 | 62 | 31.3 | 8 | 76 | 85 |
| 112В5 | 250 | 180 | 215 | 5.5 | M12 | 28 | 62 | 31.3 | 8 | 76 | 85 | |
| 132В5 | 300 | 230 | 265 | 5.5 | M12 | 38 | 82 | 41.3 | 10 | 101 | 88 | |
| 160В5 | 350 | 250 | 300 | 7 | M16 | 42 | 112 | 45.3 | 12 | 148 | 94 | |
| 180В5 | 350 | 250 | 300 | 7 | M16 | 48 | 112 | 51.8 | 14 | 148 | 94 | |
| 100В14 | 160 | 110 | 130 | 3.5 | 9 | 28 | 62 | 31.3 | 8 | 76 | 80 | |
| 112В14 | 160 | 110 | 130 | 3.5 | 9 | 28 | 62 | 31.3 | 8 | 76 | 80 | |
| 132В14 | 200 | 130 | 165 | 3.5 | 11 | 38 | 82 | 41.3 | 10 | 101 | 86 | |
Монтажное положение и объем масла
Двухступенчатые соосные цилиндрические мотор-редукторы A/F-602 имеют возможность установки в горизонтальном и вертикальном положении.
В зависимости от варианта крепления, меняется количество заправляемой смазки. В таблице указан объем масла для каждого монтажного исполнения.
| Монтажное положение мотор-редуктора AF602 | Количество смазки, л |
| M1 | 10 |
|---|---|
| M2 | 14,3 |
| M3 | 11,2 |
| M4 | 13,4 |
| M5 | 11 |
| M6 | 11 |
Расшифровка обозначения маркировки A/F-602
Условное обозначение маркировки модели содержит информацию о габарите, передаточном отношении и варианте крепления.
Мотор редуктор A 602 10.91 FA PAM 132 — B5 132M / 4B BRE, где
- А — Мотор редуктор цилиндрический соосный;
- 602 — габарит редуктора (60 – диаметр вала, 2 – количество ступеней);
- 10,91 — передаточное отношение;
- FA — выходной фланец редуктора;
- PAM 132 — B5 — фланец для двигателя;
- 132M / 4B BRE — типоразмер электродвигателя.
Купить цилиндрический мотор-редуктор A/F-602
У нас вы можете купить соосно-цилиндрический мотор-редуктор AF-602 или А-602 производства немецкой компании NRW на турецком заводе PGR. Специалисты «Системы Качества» помогут вам подобрать и заказать нужный редуктор A/F-602 для конвейера, транспортерной ленты, подъёмника, насоса. Гарантия на оборудование – 12 месяцев. Оплата с НДС или без НДС, наложенным платежом на почте. Отправка перевозчиками: Новая Почта, Деливери, САТ, самовывоз со склада.
Цена редуктора A/F602 зависит от мощности и оборотов электродвигателя. Для опта действует система скидок 5-15% от прайса. Для просчета стоимости нужной модели – обратитесь к менеджеру или отправьте запрос на почту.









Виктория Владимировна