Характеристики мотор-редуктора A/F-701
В таблице указаны технические характеристики мотор-редуктора A/F-701 с электродвигателем 1500 об/мин. Мощность двигателя рассчитана с учетом сервис-фактора, который равен “1”. Допустимая частота вращения электромотора – 3000, 1500, 1000, 750 об/мин, для подробных просчетов характеристик и параметров, свяжитесь с менеджером для бесплатной консультации.
| Мотор-редуктор | Передаточное число | Количество оборотов на выходе, об/мин | Номинальный крутящий момент, Нм | Мощность двигателя на 1400 об/мин | Радиальная нагрузка, кН | Габарит электродвигателя DIN | ||||
|---|---|---|---|---|---|---|---|---|---|---|
| Входной вал | Выходной вал | |||||||||
| A701, AF701 | 7.80 | 179.5 | 1000 | 18.79 | 3.2 | 6.0 | 132 | 160 | 180 | – |
| 6.33 | 221.1 | 900 | 20.83 | 3.1 | 132 | 160 | 180 | – | ||
| 5.29 | 264.9 | 880 | 24.41 | 3.0 | 5.8 | 132 | 160 | 180 | – | |
| 4.87 | 287.7 | 870 | 26.21 | 2.9 | 5.6 | 132 | 160 | 180 | 200 | |
| 4.18 | 335.2 | 850 | 29.84 | 2.7 | 5.3 | 132 | 160 | 180 | 200 | |
| 3.63 | 385.5 | 34.31 | 2.6 | 5.0 | 132 | 160 | 180 | 200 | ||
| 3.19 | 438.8 | 820 | 37.68 | 2.4 | 4.8 | 132 | 160 | 180 | 200 | |
| 3.00 | 466.7 | 800 | 39.09 | 4.7 | 132 | 160 | 180 | 200 | ||
| 2.52 | 555.6 | 46.54 | 2.1 | 4.3 | 132 | 160 | 180 | 200 | ||
| 2.03 | 688.1 | 750 | 54.04 | 1.8 | 4.0 | 132 | 160 | 180 | 200 | |
| 1.84 | 761.4 | 700 | 55.81 | 1.7 | 3.9 | – | 160 | 180 | 200 | |
| 1.44 | 969.2 | 71.04 | 1.1 | 3.5 | – | 160 | 180 | 200 | ||
| 1.26 | 1114.3 | 650 | 75.84 | 0.9 | 3.4 | – | 160 | 180 | 200 | |
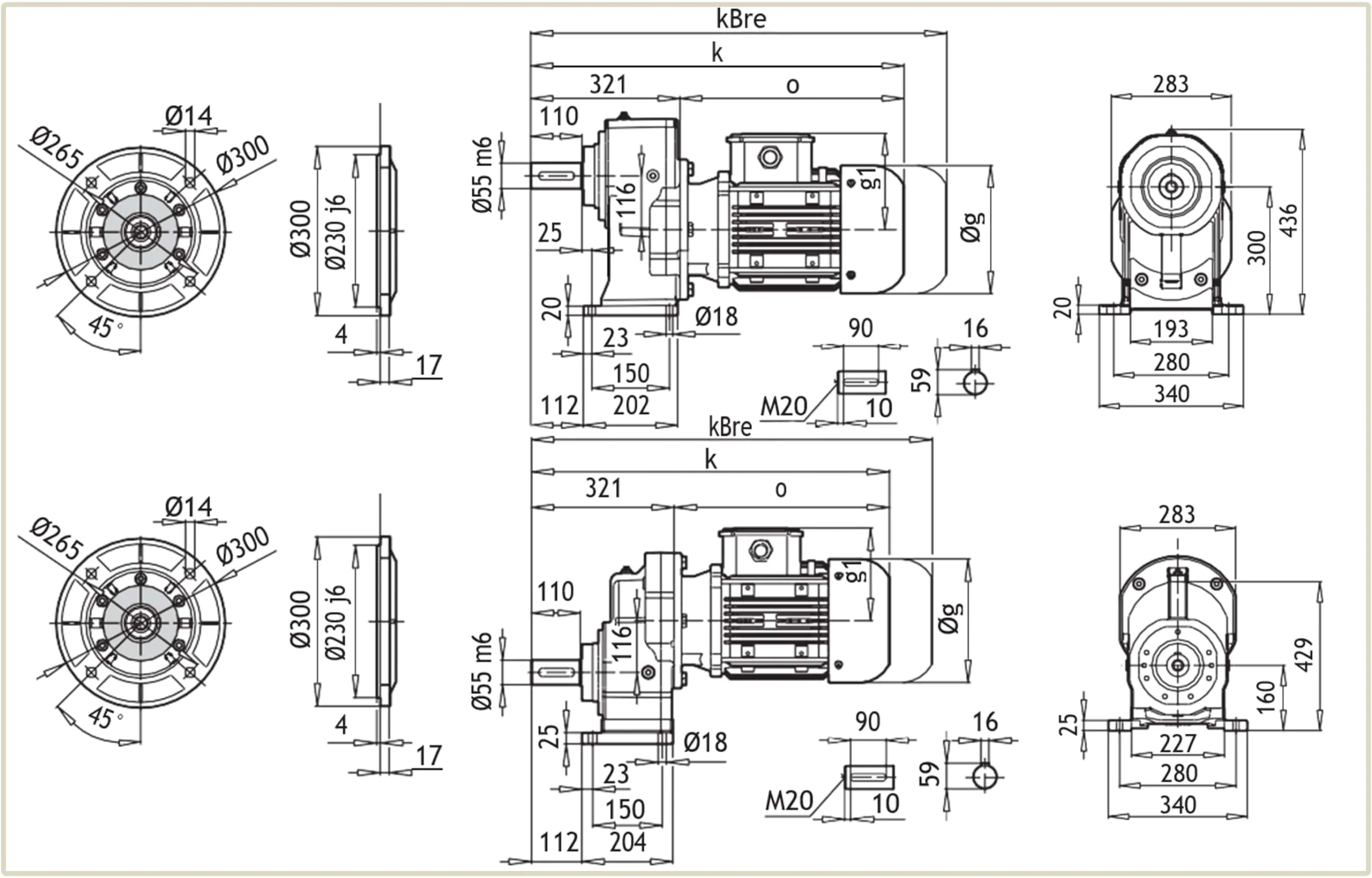
Чертеж размеров редуктора A/F-701
На чертеже указаны габаритные и присоединительные размеры редуктора A-701, отличие AF-701/AF-M-701 в наличии фланца, размеры которого указаны в левой части чертежа.
| Условное обозначение | Размер в зависимости от габарита электродвигателя, мм | ||||
| 132 S | 132 M | 160 M/L | 180 M/L | 200 L | |
| g | 279 | 279 | 323 | 370 | 415 |
| g1 | 182 | 182 | 200 | 248 | 260 |
| k | 707 | 742 | 829 | 894 | 931 |
| kBre | 815 | 883 | 981 | 1056 | 1078 |
| o | 386 | 421 | 508 | 573 | 610 |
Присоединительные размеры под электродвигатель
Присоединительные размеры мотор-редукторов A/F-701 подходят для агрегатации с электродвигателями европейского стандарта DIN и двигателей АИР изготовленных по ГОСТ. Для подбора электрического двигателя – ознакомьтесь с таблицей присоединительных размеров фланцев.
| Мотор-редуктор | PAM | Присоединительные размеры под электродвигатель, мм | Вес редукторной части, кг | |||||||||
| Øa2 | Øb2 | Øe2 | f2 | Øs2 | Ød1 | l1 | t1 | u1 | o | |||
| A/F 701 | 132В5 | 300 | 230 | 265 | 5.5 | M12 | 38 | 82 | 41.3 | 10 | 101 | 43 |
| 160В5 | 350 | 250 | 300 | 7 | M16 | 42 | 112 | 45.3 | 12 | 148 | 50 | |
| 180В5 | 350 | 250 | 300 | 7 | M16 | 48 | 112 | 51.8 | 14 | 148 | 50 | |
| 200В5 | 400 | 300 | 350 | 7 | M16 | 55 | 112 | 59.3 | 16 | 185 | 65 | |
| 132В14 | 200 | 130 | 165 | 3.5 | 11 | 38 | 82 | 41.3 | 10 | 101 | 41 | |
Монтажное положение и объем масла
Одноступенчатые цилиндрические мотор-редукторы A/F-701 имеют возможность установки в горизонтальном и вертикальном положении.
В зависимости от варианта крепления, меняется количество заправляемой смазки. В таблице указан объем масла для каждого монтажного исполнения.
| Монтажное положение мотор-редуктора AF701 | Количество смазки, л |
| M1 | 5,7 |
|---|---|
| M2 | 4 |
| M3 | 2,3 |
| M4 | 6,5 |
| M5 | 4 |
| M6 | 4 |
Расшифровка обозначения маркировки A/F-701
Условное обозначение маркировки модели содержит информацию о габарите, передаточном отношении и варианте крепления.
Мотор редуктор A 701 3,00 FA PAM 132 — B5 132М / 4B BRE, где
- А — Мотор редуктор цилиндрический;
- 701 — габарит редуктора;
- 3,00 — передаточное отношение;
- FA — выходной фланец редуктора;
- PAM 132 — B5 — фланец для двигателя;
- 132М / 4B BRE — типоразмер электродвигателя.
Купить цилиндрический мотор-редуктор A/F-701
У нас вы можете купить цилиндрический мотор-редуктор AF-M-701 или А-701 производства немецкой компании NRW на турецком заводе PGR. Специалисты «Системы Качества» помогут вам подобрать и заказать нужный редуктор A/F-701 для конвейера, транспортерной ленты, подъёмника, насоса. Гарантия на оборудование – 12 месяцев. Оплата с НДС или без НДС, наложенным платежом на почте. Отправка перевозчиками: Новая Почта, Деливери, САТ, самовывоз со склада.
Цена редуктора A/F701 зависит от мощности и оборотов электродвигателя. Для опта действует система скидок 5-15% от прайса. Для просчета стоимости нужной модели – обратитесь к менеджеру или отправьте запрос на почту.









Виктория Владимировна