Характеристики мотор-редуктора A/F-902
В таблице указаны технические характеристики мотор-редуктора A/F-902 с электродвигателем 1500 об/мин. Мощность двигателя рассчитана с учетом сервис-фактора, который равен “1”. Допустимая частота вращения электромотора – 3000, 1500, 1000, 750 об/мин, для подробных просчетов характеристик и параметров, свяжитесь с менеджером для бесплатной консультации.
| Мотор-редуктор | Передаточное число | Количество оборотов на выходе, об/мин | Номинальный крутящий момент, Нм | Мощность двигателя на 1400 об/мин | Радиальная нагрузка, кН | Габарит электродвигателя DIN | ||||
|---|---|---|---|---|---|---|---|---|---|---|
| Входной вал | Выходной вал | |||||||||
| A902, AF902 | 42.47 | 33.0 | 8000 | 27.61 | 5.1 | 42.3 | 160 | 180 | 200 | 225 |
| 38.33 | 36.5 | 30.60 | 40.1 | 160 | 180 | 200 | 225 | |||
| 31.81 | 44.0 | 36.87 | 36.3 | 160 | 180 | 200 | 225 | |||
| 26.38 | 53.1 | 44.46 | 32.3 | 160 | 180 | 200 | 225 | |||
| 23.80 | 58.8 | 49.28 | 30.8 | 160 | 180 | 200 | 225 | |||
| 19.75 | 70.9 | 59.37 | 27.5 | 160 | 180 | 200 | 225 | |||
| 17.18 | 81.5 | 7900 | 67.42 | 25.5 | 160 | 180 | 200 | 225 | ||
| 15.50 | 90.3 | 7800 | 73.77 | 24.2 | 160 | 180 | 200 | 225 | ||
| 12.86 | 108.8 | 7300 | 83.19 | 22.9 | 160 | 180 | 200 | 225 | ||
| 10.28 | 136.2 | 7200 | 102.69 | 5.0 | 20.0 | 160 | 180 | 200 | 225 | |
| 9.28 | 150.9 | 6500 | 102.74 | 20.7 | 160 | 180 | 200 | 225 | ||
| 7.70 | 181.9 | 5300 | 100.94 | 21.9 | 160 | 180 | 200 | 225 | ||
| 6.89 | 203.2 | 5000 | 106.38 | 4.0 | 21.5 | 160 | 180 | 200 | 225 | |
| 6.22 | 225.2 | 4900 | 115.54 | 20.6 | 160 | 180 | 200 | 225 | ||
| 5.16 | 271.3 | 4600 | 130.69 | 19.4 | 160 | 180 | 200 | 225 | ||
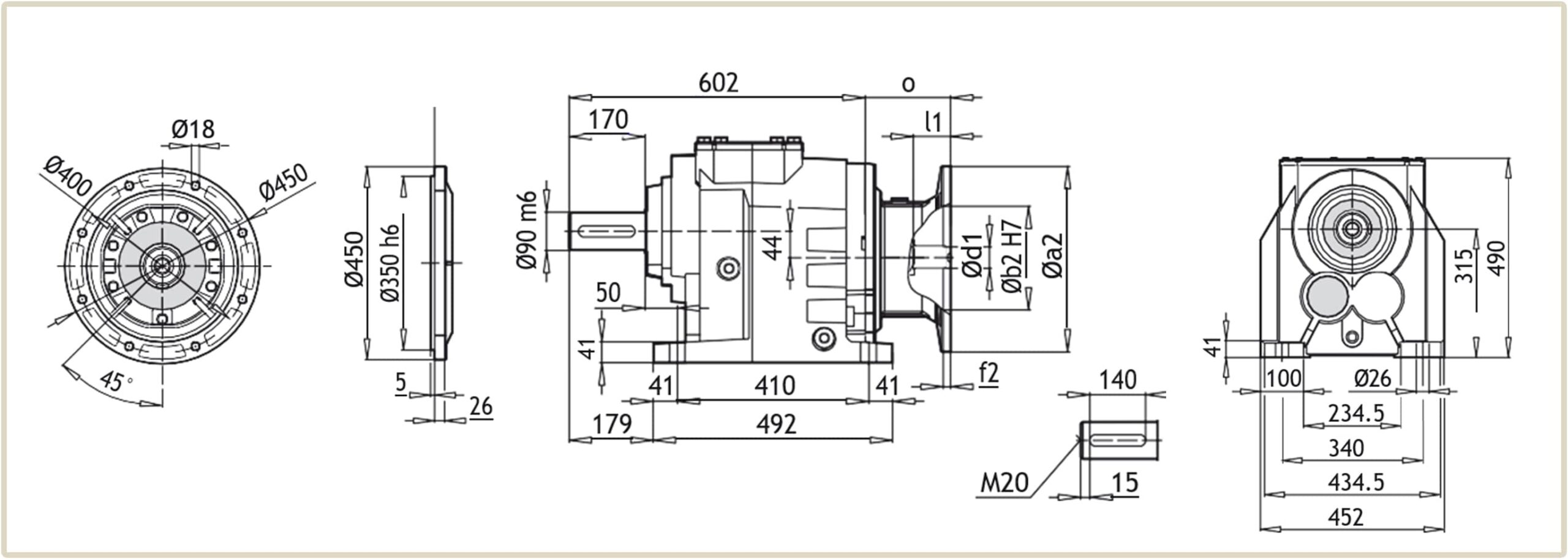
Чертеж размеров редуктора A/F-902
На чертеже указаны габаритные и присоединительные размеры редуктора A-902, отличие AF-902 в наличии фланца, размеры которого указаны в левой части чертежа.
| Условное обозначение | Размер в зависимости от габарита электродвигателя, мм | |||
| 160 | 180 | 200 | 225 | |
| a2 | 350 | 350 | 400 | 450 |
| b2 | 250 | 250 | 300 | 350 |
| d1 | 42 | 48 | 55 | 60 |
| f2 | 7 | 7 | 7 | 7 |
| L | 112 | 112 | 112 | 142 |
| u1 | 12 | 14 | 16 | 18 |
| t1 | 45.3 | 51.8 | 59.3 | 64.4 |
| o | 124 | 124 | 161 | 161 |
Присоединительные размеры под электродвигатель
Присоединительные размеры мотор-редукторов A/F-902 подходят для агрегатации с электродвигателями европейского стандарта DIN и двигателей АИР изготовленных по ГОСТ. Для подбора электрического двигателя – ознакомьтесь с таблицей присоединительных размеров фланцев.
| Мотор-редуктор | PAM | Присоединительные размеры под электродвигатель, мм | Вес редукторной части, кг | |||||||||
| Øa2 | Øb2 | Øe2 | f2 | Øs2 | Ød1 | l1 | t1 | u1 | o | |||
| A/F 902 | 160В5 | 350 | 250 | 300 | 7 | M16 | 42 | 112 | 45.3 | 12 | 124 | 190 |
| 180В5 | 350 | 250 | 300 | 7 | M16 | 48 | 112 | 51.8 | 14 | 124 | 190 | |
| 200В5 | 400 | 300 | 350 | 7 | M16 | 55 | 112 | 59.3 | 16 | 161 | 205 | |
| 225В5 | 450 | 350 | 400 | 7 | M16 | 60 | 142 | 64.4 | 18 | 161 | 208 | |
Монтажное положение и объем масла
Двухступенчатые соосные цилиндрические мотор-редукторы A/F-902 имеют возможность установки в горизонтальном и вертикальном положении.
В зависимости от варианта крепления, меняется количество заправляемой смазки. В таблице указан объем масла для каждого монтажного исполнения.
| Монтажное положение мотор-редуктора AF903 | Количество смазки, л |
| M1 | 29 |
|---|---|
| M2 | 40 |
| M3 | 28,5 |
| M4 | 34,5 |
| M5 | 27,5 |
| M6 | 27,5 |
Расшифровка обозначения маркировки A/F-902
Условное обозначение маркировки модели содержит информацию о габарите, передаточном отношении и варианте крепления.
Мотор редуктор A 902 9.28 FA PAM 200 — B5 200L / 4B BRE, где
- А — Мотор редуктор цилиндрический соосный;
- 902 — габарит редуктора (90 – диаметр вала, 2 – количество ступеней);
- 9.28 — передаточное отношение;
- FA — выходной фланец редуктора;
- PAM 200 — B5 — фланец для двигателя;
- 200L / 4B BRE — типоразмер электродвигателя.
Купить цилиндрический мотор-редуктор A/F-902
У нас вы можете купить соосно-цилиндрический мотор-редуктор AF-902 или А-902 производства немецкой компании NRW на турецком заводе PGR. Специалисты «Системы Качества» помогут вам подобрать и заказать нужный редуктор A/F-902 для конвейера, транспортерной ленты, подъёмника, насоса. Гарантия на оборудование – 12 месяцев. Оплата с НДС или без НДС, наложенным платежом на почте. Отправка перевозчиками: Новая Почта, Деливери, САТ, самовывоз со склада.
Цена редуктора A/F902 зависит от мощности и оборотов электродвигателя. Для опта действует система скидок 5-15% от прайса. Для просчета стоимости нужной модели – обратитесь к менеджеру или отправьте запрос на почту.









Виктория Владимировна