Характеристики мотор-редуктора A/F-903
В таблице указаны технические характеристики мотор-редуктора A/F-903 с электродвигателем 1500 об/мин. Мощность двигателя рассчитана с учетом сервис-фактора, который равен “1”. Допустимая частота вращения электромотора – 3000, 1500, 1000, 750 об/мин, для подробных просчетов характеристик и параметров, свяжитесь с менеджером для бесплатной консультации.
| Мотор-редуктор | Передаточное число | Количество оборотов на выходе, об/мин | Номинальный крутящий момент, Нм | Мощность двигателя на 1400 об/мин | Радиальная нагрузка, кН | Габарит электродвигателя DIN | ||||
|---|---|---|---|---|---|---|---|---|---|---|
| Входной вал | Выходной вал | |||||||||
| A903, AF903 | 205.73 | 6.8 | 8000 | 5.70 | 8.0 | 55.0 | 132 | 160 | 180 | – |
| 185.64 | 7.5 | 6.32 | 132 | 160 | 180 | – | ||||
| 154.07 | 9.1 | 7.61 | 132 | 160 | 180 | – | ||||
| 139.41 | 10.0 | 8.41 | 132 | 160 | 180 | – | ||||
| 128.36 | 10.9 | 9.14 | 132 | 160 | 180 | 200 | ||||
| 115.83 | 12.1 | 10.13 | 132 | 160 | 180 | 200 | ||||
| 104.41 | 13.4 | 11.23 | 132 | 160 | 180 | – | ||||
| 96.13 | 14.6 | 12.20 | 132 | 160 | 180 | 200 | ||||
| 86.43 | 16.2 | 13.57 | 132 | 160 | 180 | 200 | ||||
| 79.13 | 17.7 | 14.82 | 132 | 160 | 180 | 200 | ||||
| 71.40 | 19.6 | 16.43 | 54.3 | 132 | 160 | 180 | 200 | |||
| 63.02 | 22.2 | 18.61 | 51.2 | 132 | 160 | 180 | 200 | |||
| 59.26 | 23.6 | 19.79 | 49.6 | 132 | 160 | 180 | 200 | |||
| 53.66 | 26.1 | 21.86 | 47.2 | 132 | 160 | 180 | 200 | |||
| 48.50 | 28.9 | 24.18 | 44.9 | – | 160 | 180 | 200 | |||
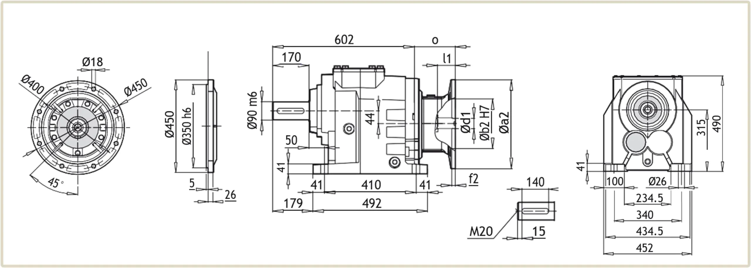
Чертеж размеров редуктора A/F-903
На чертеже указаны габаритные и присоединительные размеры редуктора A-903, отличие AF-903 в наличии фланца, размеры которого указаны в левой части чертежа.
| Условное обозначение | Размер в зависимости от габарита электродвигателя, мм | ||||
| 132 | 160 | 180 | 200 | 225 | |
| a2 | 300 | 350 | 350 | 400 | 450 |
| b2 | 230 | 250 | 250 | 300 | 350 |
| d1 | 38 | 42 | 48 | 55 | 60 |
| f2 | 5.5 | 7 | 7 | 7 | 7 |
| L | 82 | 112 | 112 | 112 | 142 |
| u1 | 10 | 12 | 14 | 16 | 18 |
| t1 | 41.3 | 45.3 | 51.8 | 59.3 | 64.4 |
| o | 76 | 124 | 124 | 161 | 161 |
Присоединительные размеры под электродвигатель
Присоединительные размеры мотор-редукторов A/F-903 подходят для агрегатации с электродвигателями европейского стандарта DIN и двигателей АИР изготовленных по ГОСТ. Для подбора электрического двигателя – ознакомьтесь с таблицей присоединительных размеров фланцев.
| Мотор-редуктор | PAM | Присоединительные размеры под электродвигатель, мм | Вес редукторной части, кг | |||||||||
| Øa2 | Øb2 | Øe2 | f2 | Øs2 | Ød1 | l1 | t1 | u1 | o | |||
| A/F 903 | 132В5 | 300 | 230 | 265 | 5.5 | M12 | 38 | 82 | 41.3 | 10 | 76 | 182 |
| 160В5 | 350 | 250 | 300 | 7 | M16 | 42 | 112 | 45.3 | 12 | 124 | 190 | |
| 180В5 | 350 | 250 | 300 | 7 | M16 | 48 | 112 | 51.8 | 14 | 124 | 190 | |
| 200В5 | 400 | 300 | 350 | 7 | M16 | 55 | 112 | 59.3 | 16 | 161 | 205 | |
| 225В5 | 450 | 350 | 400 | 7 | M16 | 60 | 142 | 64.4 | 18 | 161 | 208 | |
| 132В14 | 200 | 130 | 165 | 3.5 | 11 | 38 | 82 | 41.3 | 10 | 76 | 175 | |
Монтажное положение и объем масла
Трехступенчатые соосные цилиндрические мотор-редукторы A/F-903 имеют возможность установки в горизонтальном и вертикальном положении.
В зависимости от варианта крепления, меняется количество заправляемой смазки. В таблице указан объем масла для каждого монтажного исполнения.
| Монтажное положение мотор-редуктора AF903 | Количество смазки, л |
| M1 | 29 |
|---|---|
| M2 | 40 |
| M3 | 28,5 |
| M4 | 34,5 |
| M5 | 27,5 |
| M6 | 27,5 |
Расшифровка обозначения маркировки A/F-903
Условное обозначение маркировки модели содержит информацию о габарите, передаточном отношении и варианте крепления.
Мотор редуктор A 903 245.76 FA PAM 200 — B5 200L / 4B BRE, где
- А — Мотор редуктор цилиндрический соосный;
- 903 — габарит редуктора (90 – диаметр вала, 3 – количество ступеней);
- 48.50 — передаточное отношение;
- FA — выходной фланец редуктора;
- PAM 200 — B5 — фланец для двигателя;
- 200L / 4B BRE — типоразмер электродвигателя.
Купить цилиндрический мотор-редуктор A/F-903
У нас вы можете купить соосно-цилиндрический мотор-редуктор AF-903 или А-903 производства немецкой компании NRW на турецком заводе PGR. Специалисты «Системы Качества» помогут вам подобрать и заказать нужный редуктор A/F-903 для конвейера, транспортерной ленты, подъёмника, насоса. Гарантия на оборудование – 12 месяцев. Оплата с НДС или без НДС, наложенным платежом на почте. Отправка перевозчиками: Новая Почта, Деливери, САТ, самовывоз со склада.
Цена редуктора A/F903 зависит от мощности и оборотов электродвигателя. Для опта действует система скидок 5-15% от прайса. Для просчета стоимости нужной модели – обратитесь к менеджеру или отправьте запрос на почту.









Виктория Владимировна