Характеристики мотор-редуктора D/M-302
В таблице указаны технические характеристики мотор-редуктора D/M-302 с электродвигателем 1500 об/мин. Мощность двигателя рассчитана с учетом сервис-фактора, который равен “1”. Допустимая частота вращения электромотора – 3000, 1500, 1000, 750 об/мин, для подробных просчетов характеристик и параметров, свяжитесь с менеджером для бесплатной консультации.
| Мотор-редуктор | Передаточное число | Количество оборотов на выходе, об/мин | Крутящий момент, Нм | Мощность двигателя на 1400 об/мин | Радиальная нагрузка, кН | Габарит электродвигателя DIN | |||||
|---|---|---|---|---|---|---|---|---|---|---|---|
| Входной вал | Выходной вал | ||||||||||
| D-302, M-302, D/M-302 | 73.89 | 18.9 | 350 | 0.72 | 1.2 | 6.0 | 71 | 80 | 90 | – | – |
| 58.73 | 23.8 | 0.90 | 71 | 80 | 90 | – | – | ||||
| 53.04 | 26.4 | 1.00 | 5.9 | 71 | 80 | 90 | – | – | |||
| 47.91 | 29.2 | 1.11 | 1.1 | 5.6 | 71 | 80 | 90 | – | – | ||
| 43.27 | 32.4 | 1.23 | 5.4 | 71 | 80 | 90 | – | – | |||
| 40.53 | 34.5 | 1.31 | 5.2 | 71 | 80 | 90 | 100 | 112 | |||
| 37.09 | 37.7 | 330 | 1.35 | 5.1 | 71 | 80 | 90 | – | – | ||
| 33.07 | 42.3 | 300 | 1.38 | 5.0 | 71 | 80 | 90 | 100 | 112 | ||
| 30.46 | 46.0 | 290 | 1.45 | 4.9 | 71 | 80 | 90 | – | – | ||
| 28.26 | 49.5 | 1.57 | 1.0 | 4.7 | 71 | 80 | 90 | 100 | 112 | ||
| 26.24 | 53.4 | 1.69 | 4.6 | 71 | 80 | 90 | 100 | 112 | |||
| 24.47 | 57.2 | 260 | 1.62 | 71 | 80 | 90 | 100 | 112 | |||
| 21.40 | 65.4 | 1.85 | 4.3 | 71 | 80 | 90 | 100 | 112 | |||
| 18.95 | 73.9 | 240 | 1.93 | 4.2 | 71 | 80 | 90 | 100 | 112 | ||
| 16.57 | 84.5 | 2.21 | 0.9 | 4.0 | 71 | 80 | 90 | 100 | 112 | ||
| 15.55 | 90.1 | 2.35 | 3.9 | 71 | 80 | 90 | 100 | 112 | |||
| 13.95 | 100.3 | 210 | 2.30 | 71 | 80 | 90 | 100 | 112 | |||
| 11.38 | 123.0 | 190 | 2.55 | 0.8 | 3.6 | 71 | 80 | 90 | 100 | 112 | |
| 8.81 | 158.9 | 170 | 2.95 | 0.7 | 3.4 | 71 | 80 | 90 | 100 | 112 | |
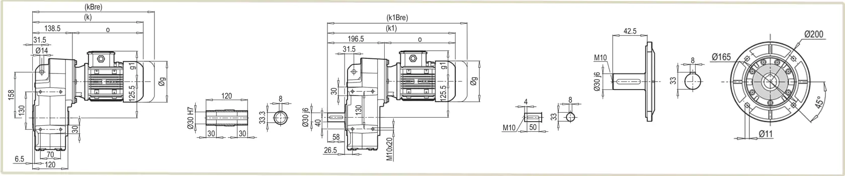
Чертеж размеров редуктора D/M-302
На чертеже указаны габаритные и присоединительные размеры редуктора D/M-302 для подготовки посадочных мест для монтажа.
| Условное обозначение | Размер в зависимости от габарита электродвигателя, мм | |||||
| 71M | 80M | 90S | 90L | 100L | 112M | |
| g | 140 | 159 | 193 | 193 | 217 | 232 |
| g1 | 119 | 127 | 151 | 151 | 160 | 168 |
| k | 380 | 406 | 452 | 472 | 473 | 523 |
| k1 | 438 | 464 | 510 | 530 | 531 | 581 |
| kBre | 440 | 468 | 525 | 545 | 554 | 603 |
| k1Bre | 498 | 526 | 583 | 603 | 612 | 661 |
| o | 241 | 267 | 313 | 333 | 334 | 393 |
Присоединительные размеры под электродвигатель
Присоединительные размеры мотор-редукторов D/M-302 подходят для агрегатации с электродвигателями европейского стандарта DIN и двигателей АИР изготовленных по ГОСТ. Для подбора электрического двигателя – ознакомьтесь с таблицей присоединительных размеров фланцев.
| Мотор-редуктор | PAM | Присоединительные размеры под электродвигатель, мм | Вес редукторной части, кг | |||||||||
| Øa2 | Øb2 | Øe2 | f2 | Øs2 | Ød1 | l1 | t1 | u1 | o | |||
| D/M 302 | 71В5 | 160 | 110 | 130 | 5 | 8 | 14 | 32 | 16.3 | 5 | 69 | 20 |
| 80В5 | 200 | 130 | 165 | 5 | 10 | 19 | 42 | 21.8 | 6 | 90 | 21 | |
| 90В5 | 200 | 130 | 165 | 5 | 10 | 24 | 52 | 27.3 | 8 | 90 | 21 | |
| 100В5 | 250 | 180 | 215 | 5.5 | 12 | 28 | 62 | 31.3 | 8 | 105 | 25 | |
| 112В5 | 250 | 180 | 215 | 5.5 | 12 | 28 | 62 | 31.3 | 8 | 105 | 25 | |
| 63В14 | 90 | 60 | 75 | 2.5 | 6 | 11 | 25 | 12.8 | 4 | 57 | 18 | |
| 71В14 | 105 | 70 | 85 | 2.5 | 7 | 14 | 32 | 16.3 | 5 | 69 | 19 | |
| 80В14 | 120 | 80 | 100 | 3 | 7 | 19 | 42 | 21.8 | 6 | 90 | 20 | |
| 90В14 | 140 | 95 | 115 | 3 | 9 | 24 | 52 | 27.3 | 8 | 90 | 20 | |
| 100В14 | 160 | 110 | 130 | 3.5 | 9 | 28 | 62 | 31.3 | 8 | 105 | 22 | |
| 112В14 | 160 | 110 | 130 | 3.5 | 9 | 28 | 62 | 31.3 | 8 | 105 | 22 | |
Монтажное положение и объем масла
Двухступенчатые цилиндрические мотор-редукторы D/M-302 имеют возможность установки в горизонтальном и вертикальном положении.
В зависимости от варианта крепления, меняется количество заправляемой смазки. В таблице указан объем масла для каждого монтажного исполнения.
| Монтажное положение мотор-редуктора D/M302 | Количество смазки, л |
| M1 | 2.2 |
|---|---|
| M2 | 2.6 |
| M3 | 2.2 |
| M4 | 3.0 |
| M5 | 2.0 |
| M6 | 1.6 |
Расшифровка обозначения маркировки D/M-302
Условное обозначение маркировки модели содержит информацию о габарите, передаточном отношении и варианте крепления.
Мотор редуктор D 302 73.89 B14 71 M / 4A BRE, где
- D — мотор редуктор цилиндрический с параллельными валами;
- 302 — типоразмер;
- 73,89 — передаточное число;
- B14 — конструктивное крепление на корпусе редуктора;
- 71М/4А BRE — наименование электродвигателя;
Купить цилиндрический мотор-редуктор D/M-302
У нас вы можете купить цилиндрический мотор-редуктор D-302, DM-302, M-302 производства немецкой компании NRW на турецком заводе PGR. Специалисты «Системы Качества» помогут вам подобрать и заказать нужный редуктор D/M-302 для конвейера, транспортерной ленты, подъёмника, насоса. Гарантия на оборудование – 12 месяцев. Оплата с НДС или без НДС, наложенным платежом на почте. Отправка перевозчиками: Новая Почта, Деливери, САТ, самовывоз со склада.
Цена редуктора D/M-302 зависит от мощности и оборотов электродвигателя. Для опта действует система скидок 5-15% от прайса. Для просчета стоимости нужной модели – обратитесь к менеджеру или отправьте запрос на почту.









Виктория Владимировна