Характеристики мотор-редуктора D/M-353
В таблице указаны технические характеристики мотор-редуктора D/M-353 с электродвигателем 1500 об/мин. Мощность двигателя рассчитана с учетом сервис-фактора, который равен “1”. Допустимая частота вращения электромотора – 3000, 1500, 1000, 750 об/мин, для подробных просчетов характеристик и параметров, свяжитесь с менеджером для бесплатной консультации.
| Мотор-редуктор | Передаточное число | Количество оборотов на выходе, об/мин | Крутящий момент, Нм | Мощность двигателя на 1400 об/мин | Радиальная нагрузка, кН | Габарит электродвигателя DIN | |||||
|---|---|---|---|---|---|---|---|---|---|---|---|
| Входной вал | Выходной вал | ||||||||||
| цилиндр | полый | ||||||||||
| D-353, M-353, D/M-353 | 267.38 | 5.2 | 600 | 0.34 | 1.4 | 10.0 | 4.0 | 63 | 71 | – | – |
| 217.97 | 6.4 | 0.42 | 1.3 | 63 | 71 | – | – | ||||
| 185.05 | 7.6 | 0.50 | 63 | 71 | 80 | 90 | |||||
| 150.85 | 9.3 | 0.61 | 63 | 71 | 80 | 90 | |||||
| 126.43 | 11.1 | 0.73 | 63 | 71 | 80 | 90 | |||||
| 99.67 | 14.0 | 0.92 | 63 | 71 | 80 | 90 | |||||
| 81.25 | 17.2 | 1.13 | 1.2 | 63 | 71 | 80 | 90 | ||||
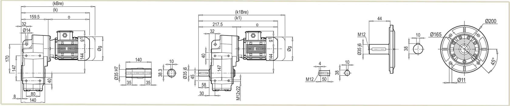
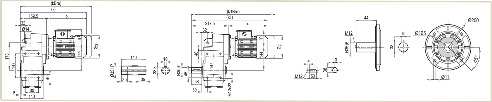
Чертеж размеров редуктора D/M-353
На чертеже указаны габаритные и присоединительные размеры редуктора D/M-353 для подготовки посадочных мест для монтажа.
| Условное обозначение | Размер в зависимости от габарита электродвигателя, мм | ||||
| 63M | 71M | 80M | 90S | 90L | |
| g | 124 | 140 | 159 | 193 | 193 |
| g1 | 111 | 119 | 127 | 151 | 151 |
| k | 372 | 401 | 427 | 473 | 493 |
| k1 | 430 | 459 | 485 | 531 | 551 |
| kBre | 424 | 461 | 489 | 546 | 566 |
| k1Bre | 482 | 519 | 547 | 604 | 624 |
| o | 212 | 241 | 267 | 313 | 333 |
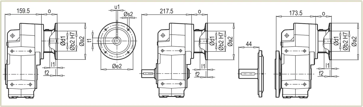
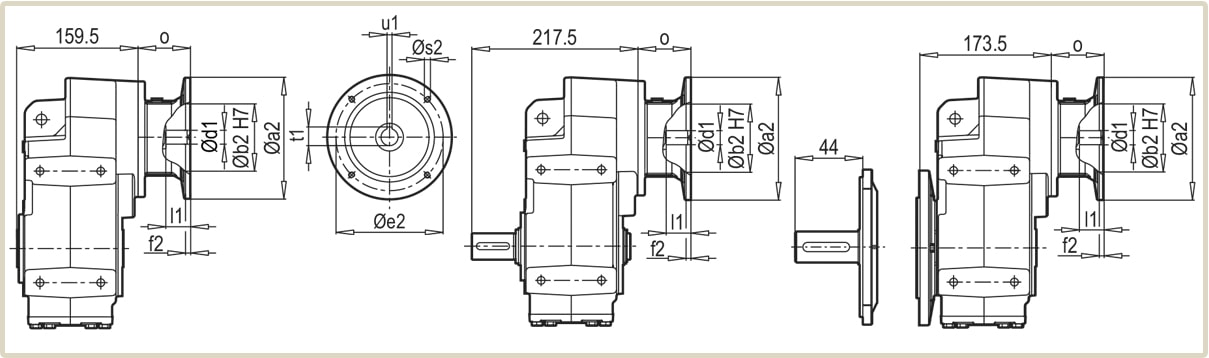
Присоединительные размеры под электродвигатель
Присоединительные размеры мотор-редукторов D/M-353 подходят для агрегатации с электродвигателями европейского стандарта DIN и двигателей АИР изготовленных по ГОСТ. Для подбора электрического двигателя – ознакомьтесь с таблицей присоединительных размеров фланцев.
| Мотор-редуктор | PAM | Присоединительные размеры под электродвигатель, мм | Вес редукторной части, кг | |||||||||
| Øa2 | Øb2 | Øe2 | f2 | Øs2 | Ød1 | l1 | t1 | u1 | o | |||
| D/M 353 | 63В5 | 140 | 95 | 115 | 4.5 | 8 | 11 | 25 | 12.8 | 4 | 57 | 23 |
| 71В5 | 160 | 110 | 130 | 5 | 8 | 14 | 32 | 16.3 | 5 | 69 | 24 | |
| 80В5 | 200 | 130 | 165 | 5 | 10 | 19 | 42 | 21.8 | 6 | 90 | 25 | |
| 90В5 | 200 | 130 | 165 | 5 | 10 | 24 | 52 | 27.3 | 8 | 90 | 25 | |
| 63В14 | 90 | 60 | 75 | 2.5 | 6 | 11 | 25 | 12.8 | 4 | 57 | 22 | |
| 71В14 | 105 | 70 | 85 | 2.5 | 7 | 14 | 32 | 16.3 | 5 | 69 | 23 | |
| 80В14 | 120 | 80 | 100 | 3 | 7 | 19 | 42 | 21.8 | 6 | 90 | 24 | |
| 90В14 | 140 | 95 | 115 | 3 | 9 | 24 | 52 | 27.3 | 8 | 90 | 24 | |
Монтажное положение и объем масла
Трехступенчатые цилиндрические мотор-редукторы D/M-353 имеют возможность установки в горизонтальном и вертикальном положении.
В зависимости от варианта крепления, меняется количество заправляемой смазки. В таблице указан объем масла для каждого монтажного исполнения.
| Монтажное положение мотор-редуктора D/M353 | Количество смазки, л |
| M1 | 2.9 |
|---|---|
| M2 | 3.2 |
| M3 | 2.9 |
| M4 | 3.7 |
| M5 | 2.4 |
| M6 | 2.1 |
Расшифровка обозначения маркировки D/M-353
Условное обозначение маркировки модели содержит информацию о габарите, передаточном отношении и варианте крепления.
Мотор редуктор D 353 150.85 B14 71 M / 4A BRE, где
- D — мотор редуктор цилиндрический с параллельными валами;
- 353 — типоразмер;
- 150.85 — передаточное число;
- B14 — конструктивное крепление на корпусе редуктора;
- 71М/4А BRE — наименование электродвигателя;
Купить цилиндрический мотор-редуктор D/M-353
У нас вы можете купить цилиндрический мотор-редуктор D-353, DM-353, M-353 производства немецкой компании NRW на турецком заводе PGR. Специалисты «Системы Качества» помогут вам подобрать и заказать нужный редуктор D/M-353 для конвейера, транспортерной ленты, подъёмника, насоса. Гарантия на оборудование – 12 месяцев. Оплата с НДС или без НДС, наложенным платежом на почте. Отправка перевозчиками: Новая Почта, Деливери, САТ, самовывоз со склада.
Цена редуктора D/M-353 зависит от мощности и оборотов электродвигателя. Для опта действует система скидок 5-15% от прайса. Для просчета стоимости нужной модели – обратитесь к менеджеру или отправьте запрос на почту.









Виктория Владимировна