Характеристики мотор-редуктора D/M-402
В таблице указаны технические характеристики мотор-редуктора D/M-402 с электродвигателем 1500 об/мин. Мощность двигателя рассчитана с учетом сервис-фактора, который равен “1”. Допустимая частота вращения электромотора – 3000, 1500, 1000, 750 об/мин, для подробных просчетов характеристик и параметров, свяжитесь с менеджером для бесплатной консультации.
| Мотор-редуктор | Передаточное число | Количество оборотов на выходе, об/мин | Крутящий момент, Нм | Мощность двигателя на 1400 об/мин | Радиальная нагрузка, кН | Габарит электродвигателя DIN | ||||||
|---|---|---|---|---|---|---|---|---|---|---|---|---|
| Входной вал | Выходной вал | |||||||||||
| цилиндр | полый | |||||||||||
| D-402, M-402, D/M-402 | 61.05 | 22.9 | 1000 | 2.41 | 2.6 | 18.0 | 7.1 | 80 | 90 | 100 | 112 | – |
| 53.44 | 26.2 | 2.75 | 6.7 | 80 | 90 | 100 | 112 | – | ||||
| 49.50 | 28.3 | 2.98 | 2.5 | 6.5 | 80 | 90 | 100 | 112 | – | |||
| 42.38 | 33.0 | 3.48 | 6.2 | 80 | 90 | 100 | 112 | 132 | ||||
| 39.44 | 35.5 | 3.73 | 2.4 | 6.0 | 80 | 90 | 100 | 112 | – | |||
| 34.36 | 40.7 | 4.28 | 2.3 | 5.7 | 80 | 90 | 100 | 112 | 132 | |||
| 31.28 | 44.8 | 4.71 | 5.5 | 80 | 90 | 100 | 112 | 132 | ||||
| 28.22 | 49.6 | 900 | 4.69 | 5.4 | 80 | 90 | 100 | 112 | 132 | |||
| 26.83 | 52.2 | 4.94 | 2.2 | 5.3 | 80 | 90 | 100 | 112 | 132 | |||
| 23.60 | 59.3 | 800 | 4.99 | 17.8 | 5.1 | 80 | 90 | 100 | 112 | 132 | ||
| 21.75 | 64.4 | 5.41 | 17.3 | 4.9 | 80 | 90 | 100 | 112 | 132 | |||
| 19.80 | 70.7 | 770 | 5.72 | 2.1 | 16.8 | 4.8 | 80 | 90 | 100 | 112 | 132 | |
| 16.99 | 82.4 | 6.66 | 2.0 | 15.8 | 4.5 | 80 | 90 | 100 | 112 | 132 | ||
| 15.42 | 90.8 | 7.33 | 1.9 | 15.3 | 4.4 | 80 | 90 | 100 | 112 | 132 | ||
| 12.50 | 112.0 | 750 | 8.80 | 1.6 | 14.1 | 4.0 | 80 | 90 | 100 | 112 | 132 | |
| 11.38 | 123.0 | 700 | 9.03 | 13.8 | 3.9 | 80 | 90 | 100 | 112 | 132 | ||
| 9.71 | 144.1 | 650 | 9.78 | 1.5 | 13.2 | 3.8 | 80 | 90 | 100 | 112 | 132 | |
| 7.88 | 177.8 | 600 | 11.13 | 1.3 | 12.3 | 3.5 | 80 | 90 | 100 | 112 | 132 | |
| 7.17 | 195.3 | 550 | 11.21 | 12.0 | 3.4 | 80 | 90 | 100 | 112 | 132 | ||
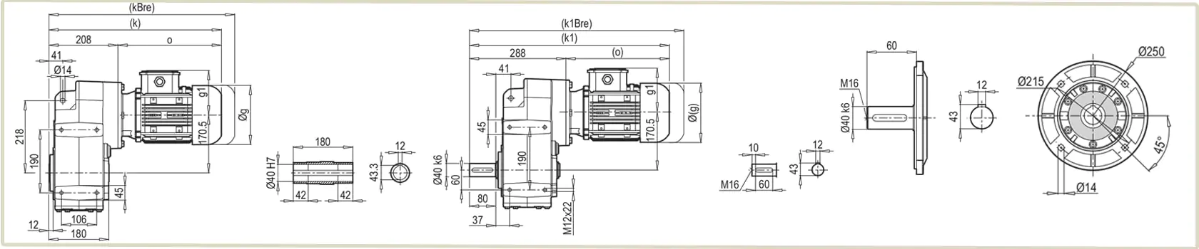
Чертеж размеров редуктора D/M-402
На чертеже указаны габаритные и присоединительные размеры редуктора D/M-402 для подготовки посадочных мест для монтажа.
| Условное обозначение | Размер в зависимости от габарита электродвигателя, мм | ||||||
| 80M | 90S | 90L | 100L | 112M | 132S | 132M | |
| g | 159 | 193 | 193 | 217 | 232 | 279 | 279 |
| g1 | 127 | 151 | 151 | 160 | 168 | 182 | 182 |
| k | 455 | 501 | 521 | 544 | 597 | 604 | 639 |
| k1 | 535 | 581 | 601 | 624 | 677 | 684 | 719 |
| kBre | 517 | 574 | 594 | 625 | 677 | 712 | 780 |
| k1Bre | 597 | 654 | 674 | 705 | 757 | 792 | 860 |
| o | 247 | 293 | 313 | 336 | 389 | 396 | 431 |
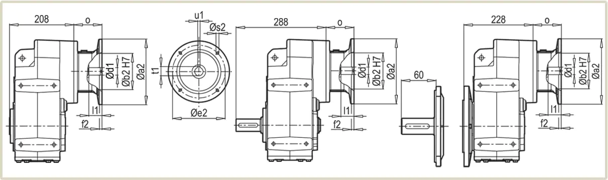
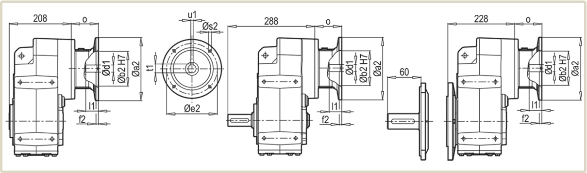
Присоединительные размеры под электродвигатель
Присоединительные размеры мотор-редукторов D/M-402 подходят для агрегатации с электродвигателями европейского стандарта DIN и двигателей АИР изготовленных по ГОСТ. Для подбора электрического двигателя – ознакомьтесь с таблицей присоединительных размеров фланцев.
| Мотор-редуктор | PAM | Присоединительные размеры под электродвигатель, мм | Вес редукторной части, кг | |||||||||
| Øa2 | Øb2 | Øe2 | f2 | Øs2 | Ød1 | l1 | t1 | u1 | o | |||
| D/M 402 | 80В5 | 200 | 130 | 165 | 5 | 10 | 19 | 42 | 21.8 | 6 | 70 | 37 |
| 90В5 | 200 | 130 | 165 | 5 | 10 | 24 | 52 | 27.3 | 8 | 70 | 37 | |
| 100В5 | 250 | 180 | 215 | 5.5 | 12 | 28 | 62 | 31.3 | 8 | 85 | 39 | |
| 112В5 | 250 | 180 | 215 | 5.5 | 12 | 28 | 62 | 31.3 | 8 | 85 | 39 | |
| 132В5 | 300 | 230 | 265 | 5.5 | 12 | 38 | 82 | 41.3 | 10 | 110 | 43 | |
| 80В14 | 120 | 80 | 100 | 3 | 7 | 19 | 42 | 21.8 | 6 | 70 | 33 | |
| 90В14 | 140 | 95 | 115 | 3 | 9 | 24 | 52 | 27.3 | 8 | 70 | 33 | |
| 100В14 | 160 | 110 | 130 | 3.5 | 9 | 28 | 62 | 31.3 | 8 | 85 | 35 | |
| 112В14 | 160 | 110 | 130 | 3.5 | 9 | 28 | 62 | 31.3 | 8 | 85 | 35 | |
| 132В14 | 200 | 130 | 165 | 3.5 | 11 | 38 | 82 | 41.3 | 10 | 110 | 41 | |
Монтажное положение и объем масла
Двухступенчатые цилиндрические мотор-редукторы D/M-402 имеют возможность установки в горизонтальном и вертикальном положении.
В зависимости от варианта крепления, меняется количество заправляемой смазки. В таблице указан объем масла для каждого монтажного исполнения.
| Монтажное положение мотор-редуктора D/M402 | Количество смазки, л |
| M1 | 5.4 |
|---|---|
| M2 | 6.8 |
| M3 | 5.4 |
| M4 | 7.0 |
| M5 | 5.7 |
| M6 | 3.9 |
Расшифровка обозначения маркировки D/M-402
Условное обозначение маркировки модели содержит информацию о габарите, передаточном отношении и варианте крепления.
Мотор редуктор D 402 28.22 B14 80M / 4A BRE, где
- D — мотор редуктор цилиндрический с параллельными валами;
- 402 — типоразмер;
- 28.22 — передаточное число;
- B14 — конструктивное крепление на корпусе редуктора;
- 80М/4А BRE — наименование электродвигателя;
Купить цилиндрический мотор-редуктор D/M-402
У нас вы можете купить цилиндрический мотор-редуктор D-402, DM-402, M-402 производства немецкой компании NRW на турецком заводе PGR. Специалисты «Системы Качества» помогут вам подобрать и заказать нужный редуктор D/M-402 для конвейера, транспортерной ленты, подъёмника, насоса. Гарантия на оборудование – 12 месяцев. Оплата с НДС или без НДС, наложенным платежом на почте. Отправка перевозчиками: Новая Почта, Деливери, САТ, самовывоз со склада.
Цена редуктора D/M-402 зависит от мощности и оборотов электродвигателя. Для опта действует система скидок 5-15% от прайса. Для просчета стоимости нужной модели – обратитесь к менеджеру или отправьте запрос на почту.









Виктория Владимировна