Характеристики мотор-редуктора D/M-502
В таблице указаны технические характеристики мотор-редуктора D/M-502 с электродвигателем 1500 об/мин. Мощность двигателя рассчитана с учетом сервис-фактора, который равен “1”. Допустимая частота вращения электромотора – 3000, 1500, 1000, 750 об/мин, для подробных просчетов характеристик и параметров, свяжитесь с менеджером для бесплатной консультации.
| Мотор-редуктор | Передаточное число | Количество оборотов на выходе, об/мин | Крутящий момент, Нм | Мощность двигателя на 1400 об/мин | Радиальная нагрузка, кН | Габарит электродвигателя DIN | |||||||
|---|---|---|---|---|---|---|---|---|---|---|---|---|---|
| Входной вал | Выходной вал | ||||||||||||
| цилиндр | полый | ||||||||||||
| D-502, M-502, D/M-502 | 66.83 | 21.0 | 1600 | 3.53 | 2.5 | 22.0 | 8.8 | 80 | 90 | 100 | 112 | – | – |
| 58.50 | 23.9 | 4.03 | 2.4 | 8.4 | 80 | 90 | 100 | 112 | – | – | |||
| 54.31 | 25.8 | 1300 | 3.53 | 2.5 | 80 | 90 | 100 | 112 | – | – | |||
| 46.39 | 30.2 | 1600 | 5.08 | 2.2 | 7.7 | 80 | 90 | 100 | 112 | 132 | – | ||
| 43.33 | 32.3 | 1300 | 4.42 | 2.3 | 80 | 90 | 100 | 112 | – | – | |||
| 37.70 | 37.1 | 1500 | 5.86 | 2.1 | 7.2 | 80 | 90 | 100 | 112 | 132 | – | ||
| 34.36 | 40.7 | 1400 | 6.00 | 7.0 | 80 | 90 | 100 | 112 | 132 | – | |||
| 31.86 | 43.9 | 1500 | 6.93 | 2.0 | 6.7 | 80 | 90 | 100 | 112 | 132 | – | ||
| 29.36 | 47.7 | 7.52 | 1.9 | 6.5 | 80 | 90 | 100 | 112 | 132 | – | |||
| 25.89 | 54.1 | 8.53 | 1.7 | 21.8 | 6.2 | 80 | 90 | 100 | 112 | 132 | – | ||
| 23.86 | 58.7 | 9.25 | 1.6 | 21.1 | 6.0 | 80 | 90 | 100 | 112 | 132 | – | ||
| 21.75 | 64.4 | 1400 | 9.47 | 20.6 | 5.9 | 80 | 90 | 100 | 112 | 132 | – | ||
| 18.67 | 75.0 | 11.03 | 1.4 | 19.4 | 5.5 | 80 | 90 | 100 | 112 | 132 | – | ||
| 16.88 | 83.0 | 1300 | 11.30 | 1.3 | 18.9 | 5.4 | 80 | 90 | 100 | 112 | 132 | 160 | |
| 13.72 | 102.1 | 1200 | 12.84 | 1.1 | 17.7 | 5.1 | 80 | 90 | 100 | 112 | 132 | 160 | |
| 12.50 | 112.0 | 1000 | 11.74 | 1.2 | 17.6 | 5.0 | 80 | 90 | 100 | 112 | 132 | 160 | |
| 10.63 | 131.7 | 950 | 13.06 | 1.1 | 16.7 | 4.8 | 80 | 90 | 100 | 112 | 132 | 160 | |
| 8.64 | 162.0 | 900 | 15.23 | 0.7 | 15.6 | 4.5 | 80 | 90 | 100 | 112 | 132 | 160 | |
| 7.88 | 177.8 | 850 | 15.78 | 0.6 | 15.2 | 4.3 | 80 | 90 | 100 | 112 | 132 | 160 | |
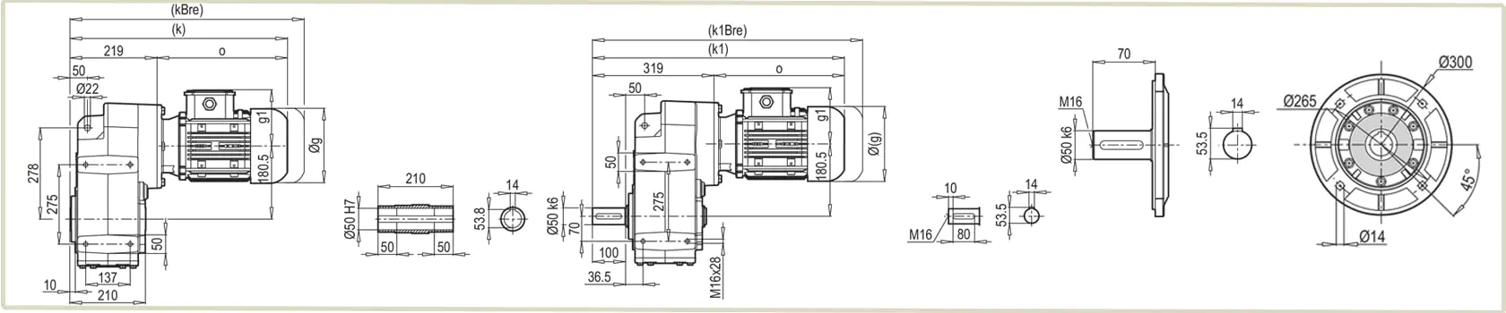
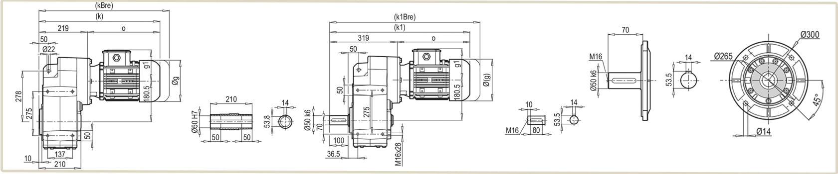
Чертеж размеров редуктора D/M-502
На чертеже указаны габаритные и присоединительные размеры редуктора D/M-502 для подготовки посадочных мест для монтажа.
| Условное обозначение | Размер в зависимости от габарита электродвигателя, мм | |||||||
| 80M | 90S | 90L | 100L | 112M | 132S | 132M | 160M/L | |
| g | 159 | 193 | 193 | 217 | 232 | 279 | 279 | 323 |
| g1 | 127 | 151 | 151 | 160 | 168 | 182 | 182 | 200 |
| k | 466 | 512 | 532 | 555 | 608 | 615 | 650 | 737 |
| k1 | 566 | 612 | 632 | 655 | 708 | 715 | 750 | 837 |
| kBre | 528 | 585 | 605 | 636 | 688 | 723 | 791 | 889 |
| k1Bre | 628 | 685 | 705 | 736 | 788 | 823 | 890 | 989 |
| o | 247 | 293 | 313 | 336 | 389 | 396 | 431 | 518 |
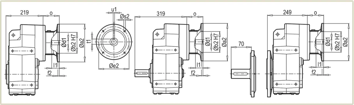
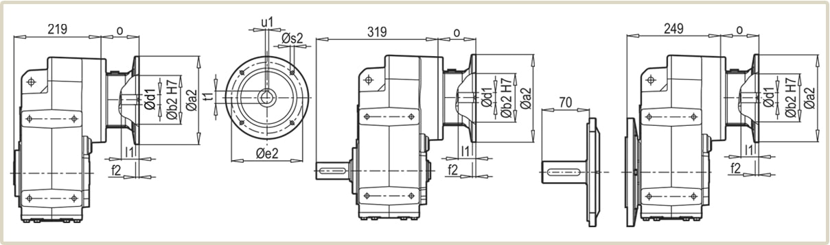
Присоединительные размеры под электродвигатель
Присоединительные размеры мотор-редукторов D/M-502 подходят для агрегатации с электродвигателями европейского стандарта DIN и двигателей АИР изготовленных по ГОСТ. Для подбора электрического двигателя – ознакомьтесь с таблицей присоединительных размеров фланцев.
| Мотор-редуктор | PAM | Присоединительные размеры под электродвигатель, мм | Вес редукторной части, кг | |||||||||
| Øa2 | Øb2 | Øe2 | f2 | Øs2 | Ød1 | l1 | t1 | u1 | o | |||
| D/M 502 | 80В5 | 200 | 130 | 165 | 5 | 10 | 19 | 42 | 21.8 | 6 | 70 | 48 |
| 90В5 | 200 | 130 | 165 | 5 | 10 | 24 | 52 | 27.3 | 8 | 70 | 48 | |
| 100В5 | 250 | 180 | 215 | 5.5 | 12 | 28 | 62 | 31.3 | 8 | 85 | 50 | |
| 112В5 | 250 | 180 | 215 | 5.5 | 12 | 28 | 62 | 31.3 | 8 | 85 | 50 | |
| 132В5 | 300 | 230 | 265 | 5.5 | 12 | 38 | 82 | 41.3 | 10 | 110 | 54 | |
| 160В5 | 350 | 250 | 300 | 7 | 16 | 42 | 112 | 45.3 | 12 | 158 | 61 | |
| 80В14 | 120 | 80 | 100 | 3 | 7 | 19 | 42 | 21.8 | 6 | 70 | 44 | |
| 90В14 | 140 | 95 | 115 | 3 | 9 | 24 | 52 | 27.3 | 8 | 70 | 44 | |
| 100В14 | 160 | 110 | 130 | 3.5 | 9 | 28 | 62 | 31.3 | 8 | 85 | 46 | |
| 112В14 | 160 | 110 | 130 | 3.5 | 9 | 28 | 62 | 31.3 | 8 | 85 | 46 | |
| 132В14 | 200 | 130 | 165 | 3.5 | 11 | 38 | 82 | 41.3 | 10 | 110 | 51 | |
Монтажное положение и объем масла
Двухступенчатые цилиндрические мотор-редукторы D/M-502 имеют возможность установки в горизонтальном и вертикальном положении.
В зависимости от варианта крепления, меняется количество заправляемой смазки. В таблице указан объем масла для каждого монтажного исполнения.
| Монтажное положение мотор-редуктора D/M502 | Количество смазки, л |
| M1 | 7.9 |
|---|---|
| M2 | 10.0 |
| M3 | 7.9 |
| M4 | 10.5 |
| M5 | 8.6 |
| M6 | 5.7 |
Расшифровка обозначения маркировки D/M-502
Условное обозначение маркировки модели содержит информацию о габарите, передаточном отношении и варианте крепления.
Мотор редуктор D 502 23.86 B14 80 M / 4A BRE, где
- D — мотор редуктор цилиндрический с параллельными валами;
- 502 — типоразмер;
- 23.86 — передаточное число;
- B14 — конструктивное крепление на корпусе редуктора;
- 80М/4А BRE — наименование электродвигателя;
Купить цилиндрический мотор-редуктор D/M-502
У нас вы можете купить цилиндрический мотор-редуктор D-502, DM-502, M-502 производства немецкой компании NRW на турецком заводе PGR. Специалисты «Системы Качества» помогут вам подобрать и заказать нужный редуктор D/M-502 для конвейера, транспортерной ленты, подъёмника, насоса. Гарантия на оборудование – 12 месяцев. Оплата с НДС или без НДС, наложенным платежом на почте. Отправка перевозчиками: Новая Почта, Деливери, САТ, самовывоз со склада.
Цена редуктора D/M-502 зависит от мощности и оборотов электродвигателя. Для опта действует система скидок 5-15% от прайса. Для просчета стоимости нужной модели – обратитесь к менеджеру или отправьте запрос на почту.









Виктория Владимировна