Характеристики мотор-редуктора D/M-603
В таблице указаны технические характеристики мотор-редуктора D/M-603 с электродвигателем 1500 об/мин. Мощность двигателя рассчитана с учетом сервис-фактора, который равен “1”. Допустимая частота вращения электромотора – 3000, 1500, 1000, 750 об/мин, для подробных просчетов характеристик и параметров, свяжитесь с менеджером для бесплатной консультации.
| Мотор-редуктор | Передаточное число | Количество оборотов на выходе, об/мин | Крутящий момент, Нм | Мощность двигателя на 1400 об/мин | Радиальная нагрузка, кН | Габарит электродвигателя DIN | ||||||
|---|---|---|---|---|---|---|---|---|---|---|---|---|
| Входной вал | Выходной вал | |||||||||||
| цилиндр | полый | |||||||||||
| D-603, M-603, D/M-603 | 343.64 | 4.1 | 3000 | 1.36 | 3.9 | 30.0 | 11.2 | 80 | 90 | 100 | 112 | – |
| 300.83 | 4.7 | 1.56 | 80 | 90 | 100 | 112 | – | |||||
| 279.86 | 5.0 | 1.67 | 80 | 90 | 100 | 112 | – | |||||
| 238.56 | 5.9 | 1.96 | 80 | 90 | 100 | 112 | 132 | |||||
| 194.28 | 7.2 | 2.41 | 80 | 90 | 100 | 112 | 132 | |||||
| 177.25 | 7.9 | 2.64 | 80 | 90 | 100 | 112 | 132 | |||||
| 150.99 | 9.3 | 3.10 | 80 | 90 | 100 | 112 | 132 | |||||
| 133.43 | 10.5 | 3.51 | 3.8 | 80 | 90 | 100 | 112 | 132 | ||||
| 122.97 | 11.4 | 3.80 | 80 | 90 | 100 | 112 | 132 | |||||
| 112.19 | 12.5 | 4.17 | 80 | 90 | 100 | 112 | 132 | |||||
| 86.78 | 16.1 | 5.39 | – | – | 100 | 112 | 132 | |||||
| 70.67 | 19.8 | 2700 | 5.96 | 3.7 | – | – | 100 | 112 | 132 | |||
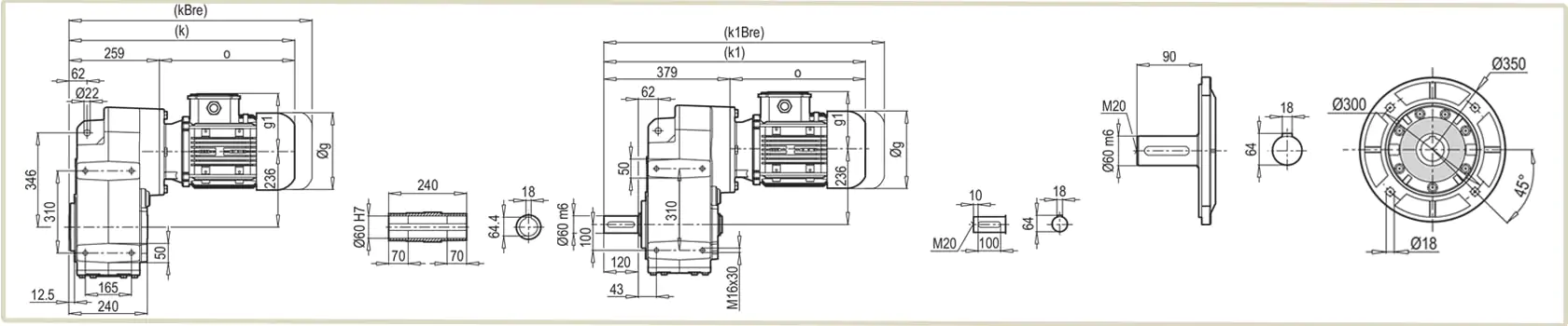
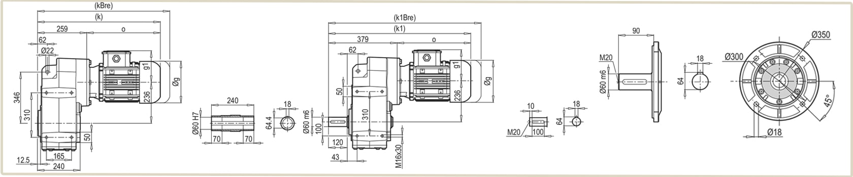
Чертеж размеров редуктора D/M-603
На чертеже указаны габаритные и присоединительные размеры редуктора D/M-603 для подготовки посадочных мест для монтажа.
| Условное обозначение | Размер в зависимости от габарита электродвигателя, мм | ||||||
| 80M | 90S | 90L | 100L | 112M | 132S | 132M | |
| g | 159 | 193 | 193 | 217 | 232 | 279 | 279 |
| g1 | 127 | 151 | 151 | 160 | 168 | 182 | 182 |
| k | 517 | 542 | 562 | 585 | 639 | 645 | 680 |
| k1 | 637 | 662 | 682 | 705 | 759 | 765 | 800 |
| kBre | 579 | 615 | 635 | 666 | 719 | 753 | 821 |
| k1Bre | 699 | 735 | 755 | 786 | 839 | 873 | 941 |
| o | 258 | 283 | 303 | 326 | 380 | 386 | 421 |
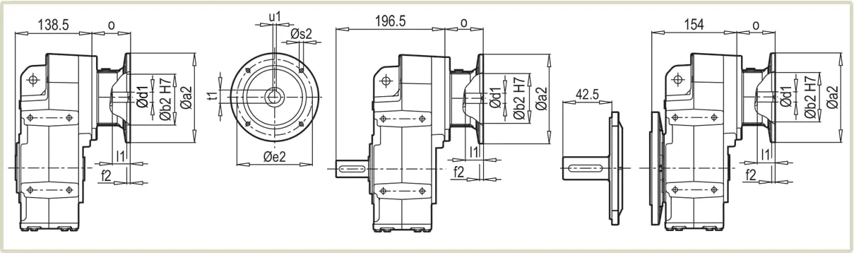
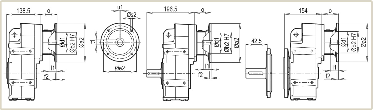
Присоединительные размеры под электродвигатель
Присоединительные размеры мотор-редукторов D/M-603 подходят для агрегатации с электродвигателями европейского стандарта DIN и двигателей АИР изготовленных по ГОСТ. Для подбора электрического двигателя – ознакомьтесь с таблицей присоединительных размеров фланцев.
| Мотор-редуктор | PAM | Присоединительные размеры под электродвигатель, мм | Вес редукторной части, кг | |||||||||
| Øa2 | Øb2 | Øe2 | f2 | Øs2 | Ød1 | l1 | t1 | u1 | o | |||
| D/M 603 | 80В5 | 200 | 130 | 165 | 5 | 10 | 19 | 42 | 21.8 | 6 | 61 | 83 |
| 90В5 | 200 | 130 | 165 | 5 | 10 | 24 | 52 | 27.3 | 8 | 61 | 83 | |
| 100В5 | 250 | 180 | 215 | 5.5 | 12 | 28 | 62 | 31.3 | 8 | 76 | 87 | |
| 112В5 | 250 | 180 | 215 | 5.5 | 12 | 28 | 62 | 31.3 | 8 | 76 | 87 | |
| 132В5 | 300 | 230 | 265 | 5.5 | 12 | 38 | 82 | 41.3 | 10 | 101 | 90 | |
| 80В14 | 120 | 80 | 100 | 3 | 7 | 19 | 42 | 21.8 | 6 | 61 | 80 | |
| 90В14 | 140 | 95 | 115 | 3 | 9 | 24 | 52 | 27.3 | 8 | 61 | 80 | |
| 100В14 | 160 | 110 | 130 | 3.5 | 9 | 28 | 62 | 31.3 | 8 | 76 | 82 | |
| 112В14 | 160 | 110 | 130 | 3.5 | 9 | 28 | 62 | 31.3 | 8 | 76 | 82 | |
| 132В14 | 200 | 130 | 165 | 3.5 | 11 | 38 | 82 | 41.3 | 10 | 101 | 88 | |
Монтажное положение и объем масла
Трехступенчатые цилиндрические мотор-редукторы D/M-603 имеют возможность установки в горизонтальном и вертикальном положении.
В зависимости от варианта крепления, меняется количество заправляемой смазки. В таблице указан объем масла для каждого монтажного исполнения.
| Монтажное положение мотор-редуктора D/M603 | Количество смазки, л |
| M1 | 15.6 |
|---|---|
| M2 | 19.0 |
| M3 | 15.6 |
| M4 | 20.0 |
| M5 | 15.5 |
| M6 | 11.5 |
Расшифровка обозначения маркировки D/M-603
Условное обозначение маркировки модели содержит информацию о габарите, передаточном отношении и варианте крепления.
Мотор редуктор D 603 150.99 B14 80 M / 4A BRE, где
- D — мотор редуктор цилиндрический с параллельными валами;
- 603 — типоразмер;
- 150.99 — передаточное число;
- B14 — конструктивное крепление на корпусе редуктора;
- 80М/4А BRE — наименование электродвигателя;
Купить цилиндрический мотор-редуктор D/M-603
У нас вы можете купить цилиндрический мотор-редуктор D-603, DM-603, M-603 производства немецкой компании NRW на турецком заводе PGR. Специалисты «Системы Качества» помогут вам подобрать и заказать нужный редуктор D/M-603 для конвейера, транспортерной ленты, подъёмника, насоса. Гарантия на оборудование – 12 месяцев. Оплата с НДС или без НДС, наложенным платежом на почте. Отправка перевозчиками: Новая Почта, Деливери, САТ, самовывоз со склада.
Цена редуктора D/M-603 зависит от мощности и оборотов электродвигателя. Для опта действует система скидок 5-15% от прайса. Для просчета стоимости нужной модели – обратитесь к менеджеру или отправьте запрос на почту.









Виктория Владимировна