Характеристики мотор-редуктора К100390
В таблице указаны технические характеристики мотор-редуктора коническо-цилиндрического К100390 с электродвигателем 1500 об/мин. Мощность двигателя рассчитана с учетом сервис-фактора, который равен “1”. Допустимая частота вращения электромотора – 3000, 1500, 1000, 750 об/мин, для подробных просчетов характеристик и параметров, свяжитесь с менеджером для бесплатной консультации.
| Мотор-редуктор | Передатка | Обороты на выходе, об/мин | Крутящий момент, Нм | Мощность двигателя на 1400 об/мин | Радиальная нагрузка, кН | Габарит электродвигателя DIN | |||||||
|---|---|---|---|---|---|---|---|---|---|---|---|---|---|
| Входной вал | Выходной вал | ||||||||||||
| цилиндр | полый | ||||||||||||
| К 100390 | 152.74 | 9.2 | 13000 | 13.86 | 10.0 | 80.0 | 65.0 | 160 | 180 | – | – | – | |
| 136.95 | 10.2 | 15.46 | 9.9 | 160 | 180 | – | – | – | – | ||||
| 124.56 | 11.2 | 17.00 | 160 | 180 | – | – | – | – | |||||
| 112.66 | 12.4 | 18.80 | 9.8 | 160 | 180 | – | – | – | – | ||||
| 102.47 | 13.7 | 20.66 | 160 | 180 | 200 | – | – | – | |||||
| 94.85 | 14.8 | 22.32 | 9.7 | 160 | 180 | 200 | – | – | – | ||||
| 86.27 | 16.2 | 24.55 | 160 | 180 | 200 | – | – | – | |||||
| 75.56 | 18.5 | 28.02 | 9.6 | 160 | 180 | 200 | – | – | – | ||||
| 68.72 | 20.4 | 30.81 | 9.5 | 160 | 180 | 200 | 225 | – | – | ||||
| 58.01 | 24.1 | 36.50 | 9.4 | 160 | 180 | 200 | 225 | 250 | |||||
| 52.76 | 26.5 | 40.13 | 9.3 | 160 | 180 | 200 | 225 | 250 | – | ||||
| 50.31 | 27.8 | 42.09 | 9.2 | 160 | 180 | 200 | 225 | 250 | – | ||||
| 44.36 | 31.6 | 12000 | 44.06 | 78.2 | 160 | 180 | 200 | 225 | 250 | – | |||
| 40.07 | 34.9 | 12700 | 51.63 | 9.0 | 73.6 | 160 | 180 | 200 | 225 | 250 | – | ||
| 36.96 | 37.9 | 12300 | 54.21 | 8.9 | 71.9 | 160 | 180 | 200 | 225 | 250 | – | ||
| 33.62 | 41.6 | 11900 | 57.65 | 8.8 | 69.8 | 160 | 180 | 200 | 225 | 250 | – | ||
| 30.33 | 46.2 | 11500 | 61.76 | 8.7 | 67.5 | 160 | 180 | 200 | 225 | 250 | 280 | ||
| 28.27 | 49.5 | 10200 | 58.77 | 8.8 | 67.7 | 160 | 180 | 200 | 225 | 250 | – | ||
| 26.01 | 53.8 | 11100 | 69.51 | 8.5 | 63.9 | 63.9 | 160 | 180 | 200 | 225 | 250 | 280 | |
| 23.66 | 59.2 | 10500 | 72.29 | 62.4 | 62.4 | 160 | 180 | 200 | 225 | 250 | 280 | ||
| 21.43 | 65.3 | 10400 | 79.05 | 8.3 | 60.0 | 60.0 | 160 | 180 | 200 | 225 | 250 | 280 | |
| 19.61 | 71.4 | 10700 | 88.88 | 8.0 | 57.1 | 57.1 | 160 | 180 | 200 | 225 | 250 | – | |
| 17.69 | 79.2 | 10400 | 95.76 | 7.9 | 55.1 | 55.1 | 160 | 180 | 200 | 225 | 250 | 280 | |
| 16.09 | 87.0 | 9900 | 100.22 | 7.8 | 53.7 | 53.7 | – | 180 | 200 | 225 | 250 | 280 | |
| 15.22 | 92.0 | 10000 | 107.02 | 7.6 | 52.3 | 52.3 | – | 180 | 200 | 225 | 250 | 280 | |
| 13.80 | 101.5 | 9600 | 113.31 | 7.4 | 50.8 | 50.8 | – | 180 | 200 | 225 | 250 | 280 | |
| 12.55 | 111.6 | 8800 | 114.21 | 50.1 | 50.1 | – | 180 | 200 | 225 | 250 | 280 | ||
| 11.64 | 120.3 | 7700 | 107.75 | 7.6 | 50.4 | 50.4 | – | 180 | 200 | 225 | 250 | 280 | |
| 10.34 | 135.4 | 7900 | 124.45 | 7.1 | 47.6 | 47.6 | – | 180 | 200 | 225 | 250 | 280 | |
| 8.69 | 161.0 | 6800 | 127.46 | 46.1 | 46.1 | – | 180 | 200 | 225 | 250 | 280 | ||
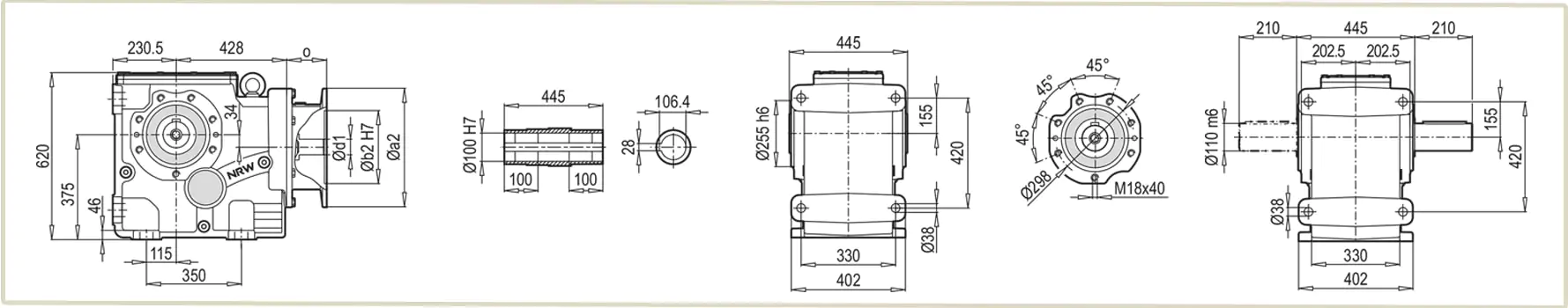
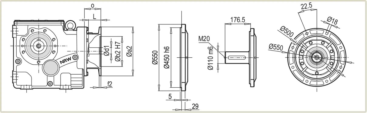
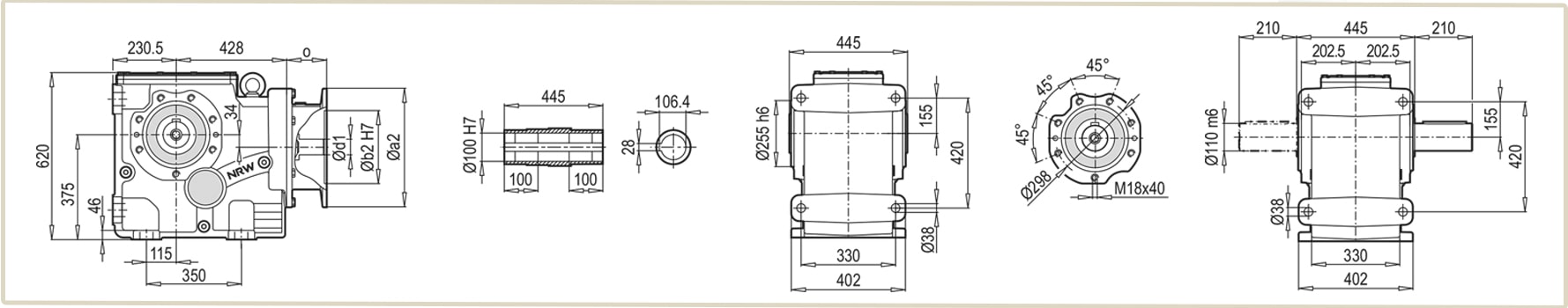
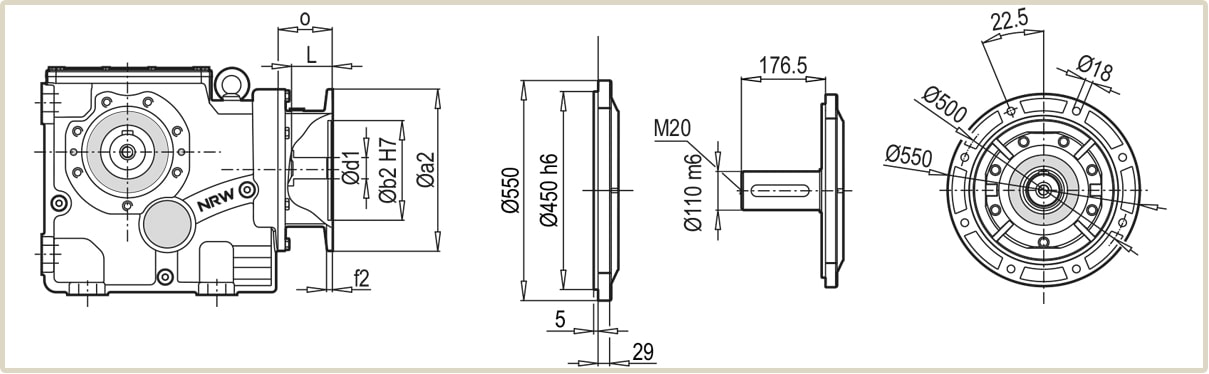
Чертеж размеров редуктора К 100390
На чертеже указаны габаритные и присоединительные размеры редуктора К 100390 в наличии фланца, размеры которого указаны в левой части чертежа.
Присоединительные размеры угловых мотор-редукторов К-100390 подходят для агрегатации с электродвигателями европейского стандарта DIN и двигателей АИР изготовленных по ГОСТ. Для подбора электрического двигателя – ознакомьтесь с таблицей присоединительных размеров фланцев. В правой части чертежа указаны размеры фланца FB выходного вала, для подготовки посадочных для монтажа мотор-редуктора К100390 в фланцевом исполнении крепления.
| Условное обозначение | Размер в зависимости от габарита электродвигателя, мм | |||||
| 160 | 180 | 200 | 225 | 250 | 280 | |
| a2 | 350 | 350 | 400 | 450 | 550 | 550 |
| b2 | 250 | 250 | 300 | 350 | 450 | 450 |
| d1 | 42 | 48 | 55 | 60 | 65 | 75 |
| f2 | 7 | 7 | 7 | 7 | 7 | 7 |
| L | 112 | 112 | 112 | 142 | 142 | 142 |
| u1 | 12 | 14 | 16 | 18 | 18 | 20 |
| t1 | 45.3 | 51.8 | 59.3 | 64.4 | 69.4 | 79.9 |
| o | 109 | 109 | 146 | 146 | 175 | 175 |
| Вес, кг | 390 | 390 | 455 | 461 | 480 | 480 |
Монтажное положение и объем масла
Трехступенчатые зубчатые мотор-редукторы К-100390 имеют возможность установки в горизонтальном и вертикальном положении.
В зависимости от варианта крепления, меняется количество заправляемой смазки. В таблице указан объем масла для каждого монтажного варианта.
| Монтажное положение мотор-редуктора К-100390 | Количество смазки, л |
| M1 | 33.1 |
|---|---|
| M2 | 37.4 |
| M3 | 43 |
| M4 | 54.6 |
| M5 | 43.1 |
| M6 | 30.1 |
Расшифровка обозначения маркировки К100390
Условное обозначение маркировки модели содержит информацию о габарите, передаточном отношении и варианте крепления.
Мотор редуктор K 100390 30.33 DA — 200L/4A BRE, где
- K — обозначение конической передачи;
- 100390 — условный габарит;
- 30.30 — передаточное отношение;
- DA — вариант исполнения корпуса редуктора;
- 200L/4 BRE — типоразмер электродвигателя.
Купить мотор-редуктор К-100390 коническо-цилиндрический
У нас вы можете купить коническо-цилиндрический мотор-редуктор К-100390 производства немецкой компании NRW на турецком заводе PGR. Специалисты «Системы Качества» помогут вам подобрать и заказать нужный угловой редуктор К100390 для конвейера, транспортерной ленты и тд. Гарантия на оборудование – 12 месяцев. Оплата с НДС или без НДС, наложенным платежом на почте. Отправка перевозчиками: Новая Почта, Деливери, САТ, самовывоз со склада.
Цена К 100390 зависит от мощности и оборотов электродвигателя. Для опта действует система скидок 5-15% от прайса. Для просчета стоимости нужной модели – обратитесь к менеджеру или отправьте запрос на почту.









Виктория Владимировна