Характеристики мотор-редуктора К35390
В таблице указаны технические характеристики мотор-редуктора коническо-цилиндрического К35390 с электродвигателем 1500 об/мин. Мощность двигателя рассчитана с учетом сервис-фактора, который равен “1”. Допустимая частота вращения электромотора – 3000, 1500, 1000, 750 об/мин, для подробных просчетов характеристик и параметров, свяжитесь с менеджером для бесплатной консультации.
| Мотор-редуктор | Передаточное число | Количество оборотов на выходе, об/мин | Крутящий момент, Нм | Мощность двигателя на 1400 об/мин | Радиальная нагрузка, кН | Габарит электродвигателя DIN | |||||||
|---|---|---|---|---|---|---|---|---|---|---|---|---|---|
| Входной вал | Выходной вал | ||||||||||||
| цилиндр | полый | ||||||||||||
| К 35390 | 157.42 | 8.9 | 600 | 0.62 | 1.1 | 12.0 | 6.3 | 63 | 71 | 80 | – | – | – |
| 139.15 | 10.1 | 0.70 | 6.1 | 63 | 71 | 80 | – | – | – | ||||
| 124.20 | 11.3 | 0.79 | 5.8 | 63 | 71 | 80 | – | – | – | ||||
| 111.74 | 12.5 | 0.87 | 5.6 | 63 | 71 | 80 | – | – | – | ||||
| 101.20 | 13.8 | 0.97 | 5.4 | 63 | 71 | 80 | – | – | – | ||||
| 90.33 | 15.5 | 1.08 | 5.2 | 63 | 71 | 80 | – | – | – | ||||
| 77.48 | 18.1 | 1.26 | 4.9 | 63 | 71 | 80 | 90 | – | – | ||||
| 69.16 | 20.2 | 1.41 | 1.0 | 4.7 | 63 | 71 | 80 | 90 | – | – | |||
| 56.93 | 24.6 | 1.72 | 4.3 | – | 71 | 80 | 90 | 100 | 112 | ||||
| 50.81 | 27.6 | 1.92 | 4.1 | – | 71 | 80 | 90 | 100 | 112 | ||||
| 43.22 | 32.4 | 2.26 | 3.9 | – | 71 | 80 | 90 | 100 | 112 | ||||
| 38.58 | 36.3 | 2.53 | 0.9 | 3.7 | – | 71 | 80 | 90 | 100 | 112 | |||
| 33.43 | 41.9 | 2.92 | 3.5 | – | 71 | 80 | 90 | 100 | 112 | ||||
| 28.03 | 49.9 | 3.49 | 0.8 | 11.4 | 3.3 | – | – | 80 | 90 | 100 | 112 | ||
| 26.09 | 53.7 | 3.75 | 11.1 | 3.2 | – | – | 80 | 90 | 100 | 112 | |||
| 22.39 | 62.5 | 4.36 | 0.7 | 10.4 | 3.0 | – | 71 | 80 | 90 | 100 | 112 | ||
| 17.00 | 82.3 | 5.75 | 0.6 | 9.2 | 2.6 | – | 71 | 80 | 90 | 100 | 112 | ||
| 15.18 | 92.3 | 590 | 6.33 | 0.5 | 8.9 | 2.5 | – | 71 | 80 | 90 | 100 | 112 | |
| 13.15 | 106.5 | 590 | 7.31 | 0.4 | 8.3 | 2.4 | – | 71 | 80 | 90 | 100 | 112 | |
| 12.35 | 113.3 | 580 | 7.65 | 8.1 | 2.3 | – | – | 80 | 90 | 100 | 112 | ||
| 11.03 | 127.0 | 540 | 7.98 | 0.3 0.3 | 7.9 | 2.3 | – | – | 80 | 90 | 100 | 112 | |
| 10.26 | 136.4 | 520 | 8.25 | 7.8 | 2.2 | – | – | 80 | 90 | 100 | 112 | ||
| 9.16 | 152.8 | 460 | 8.18 | 7.7 | 2.2 | – | – | 80 | 90 | 100 | 112 | ||
| 7.32 | 191.2 | 350 | 7.79 | 0.4 | 7.5 | 2.1 | – | 71 | 80 | 90 | 100 | 112 | |
| 6.88 | 203.5 | 340 | 8.05 | 0.3 | 7.3 | 2.1 | – | – | 80 | 90 | 100 | 112 | |
| 5.71 | 245.0 | 290 | 8.27 | 7.0 | 2.0 | – | – | 80 | 90 | 100 | 112 | ||
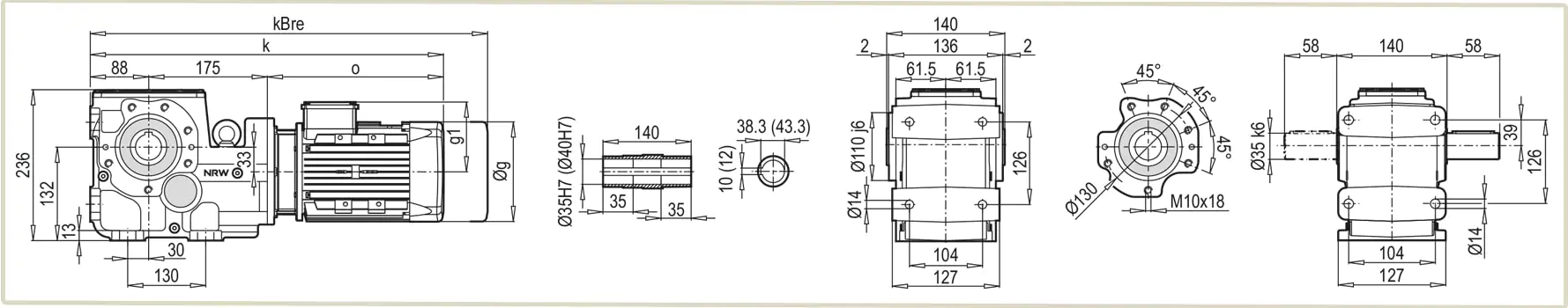
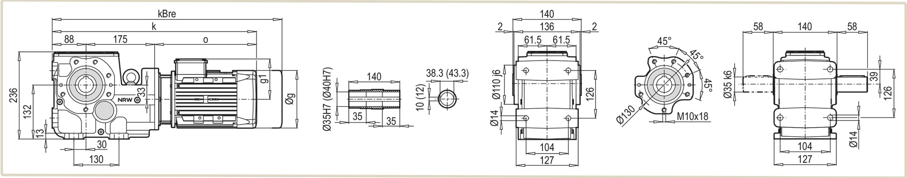
Чертеж размеров редуктора К 35390
На чертеже указаны габаритные и присоединительные размеры редуктора К 35390 в наличии фланца, размеры которого указаны в левой части чертежа.
| Условное обозначение | Размер в зависимости от габарита электродвигателя, мм | ||||||
| 63 M | 71 M | 80 M | 90 S | 90 L | 100L | 112M | |
| g | 124 | 140 | 159 | 193 | 193 | 217 | 232 |
| g1 | 111 | 119 | 127 | 151 | 151 | 160 | 168 |
| k | 475 | 504 | 530 | 576 | 596 | 597 | 647 |
| kBre | 527 | 564 | 592 | 649 | 669 | 678 | 727 |
| o | 212 | 241 | 267 | 313 | 333 | 334 | 384 |
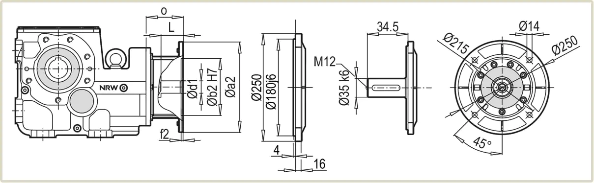
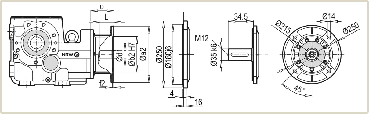
Присоединительные размеры фланцев
Присоединительные размеры угловых мотор-редукторов К-35390 подходят для агрегатации с электродвигателями европейского стандарта DIN и двигателей АИР изготовленных по ГОСТ. Для подбора электрического двигателя – ознакомьтесь с таблицей присоединительных размеров фланцев. В правой части чертежа указаны размеры фланца FB выходного вала, для подготовки посадочных для монтажа мотор-редуктора К35390 в фланцевом исполнении крепления.
| Условное обозначение | Размер в зависимости от габарита электродвигателя, мм | |||||
| 63 | 71 | 80 | 90 | 100 | 112 | |
| a2 | 140 | 160 | 200 | 200 | 250 | 250 |
| b2 | 95 | 110 | 130 | 130 | 180 | 180 |
| d1 | 11 | 14 | 19 | 24 | 28 | 28 |
| f2 | 4.5 | 5 | 5 | 5 | 5.5 | 5.5 |
| L | 25 | 32 | 42 | 52 | 62 | 62 |
| u1 | 4 | 5 | 6 | 8 | 8 | 8 |
| t1 | 12.8 | 16.3 | 21.8 | 27.3 | 31.3 | 31.3 |
| o | 57 | 69 | 90 | 90 | 105 | 105 |
| Вес, кг | 21 | 22 | 23 | 23 | 27 | 27 |
Монтажное положение и объем масла
Трехступенчатые зубчатые мотор-редукторы К-35390 имеют возможность установки в горизонтальном и вертикальном положении.
В зависимости от варианта крепления, меняется количество заправляемой смазки. В таблице указан объем масла для каждого монтажного варианта.
| Монтажное положение мотор-редуктора К-35390 | Количество смазки, л |
| M1 | 1.3 |
|---|---|
| M2 | 1.4 |
| M3 | 1.6 |
| M4 | 2.2 |
| M5 | 1.6 |
| M6 | 1.6 |
Расшифровка обозначения маркировки К35390
Условное обозначение маркировки модели содержит информацию о габарите, передаточном отношении и варианте крепления.
Мотор редуктор K 35390 7.32 DA — 90S/4A BRE, где
- K — обозначение конической передачи;
- 35390 — условный габарит;
- 7.32 — передаточное отношение;
- DA — вариант исполнения корпуса редуктора;
- 90S/4 BRE — типоразмер электродвигателя.
Купить мотор-редуктор К-35390 коническо-цилиндрический
У нас вы можете купить коническо-цилиндрический мотор-редуктор К-35390 производства немецкой компании NRW на турецком заводе PGR. Специалисты «Системы Качества» помогут вам подобрать и заказать нужный угловой редуктор К35390 для конвейера, транспортерной ленты и тд. Гарантия на оборудование – 12 месяцев. Оплата с НДС или без НДС, наложенным платежом на почте. Отправка перевозчиками: Новая Почта, Деливери, САТ, самовывоз со склада.
Цена К 35390 зависит от мощности и оборотов электродвигателя. Для опта действует система скидок 5-15% от прайса. Для просчета стоимости нужной модели – обратитесь к менеджеру или отправьте запрос на почту.









Виктория Владимировна