Характеристики мотор-редуктора К40390
В таблице указаны технические характеристики мотор-редуктора коническо-цилиндрического К40390 с электродвигателем 1500 об/мин. Мощность двигателя рассчитана с учетом сервис-фактора, который равен “1”. Допустимая частота вращения электромотора – 3000, 1500, 1000, 750 об/мин, для подробных просчетов характеристик и параметров, свяжитесь с менеджером для бесплатной консультации.
| Мотор-редуктор | Передаточное число | Количество оборотов на выходе, об/мин | Крутящий момент, Нм | Мощность двигателя на 1400 об/мин | Радиальная нагрузка, кН | Габарит электродвигателя DIN | ||||||
|---|---|---|---|---|---|---|---|---|---|---|---|---|
| Входной вал | Выходной вал | |||||||||||
| цилиндр | полый | |||||||||||
| К 40390 | 142.18 | 9.8 | 850 | 0.97 | 2.5 | 18.0 | 9.5 | 80 | 90 | 100 | 112 | – |
| 124.46 | 11.2 | 1.11 | 9.1 | 80 | 90 | 100 | 112 | – | ||||
| 114.17 | 12.3 | 1.21 | 8.8 | 80 | 90 | 100 | 112 | 132 | ||||
| 103.40 | 13.5 | 1.34 | 8.5 | 80 | 90 | 100 | 112 | – | ||||
| 98.70 | 14.2 | 1.40 | 8.3 | 80 | 90 | 100 | 112 | 132 | ||||
| 90.52 | 15.5 | 1.53 | 8.1 | 80 | 90 | 100 | 112 | 132 | ||||
| 79.26 | 17.7 | 1.75 | 7.7 | 80 | 90 | 100 | 112 | 132 | ||||
| 71.78 | 19.5 | 1.93 | 7.4 | 80 | 90 | 100 | 112 | 132 | ||||
| 67.78 | 20.7 | 2.04 | 7.2 | 80 | 90 | 100 | 112 | 132 | ||||
| 62.47 | 22.4 | 2.22 | 7.0 | 80 | 90 | 100 | 112 | 132 | ||||
| 58.81 | 23.8 | 2.35 | 6.9 | 80 | 90 | 100 | 112 | 132 | ||||
| 54.43 | 25.7 | 2.54 | 6.7 | 80 | 90 | 100 | 112 | 132 | ||||
| 50.17 | 27.9 | 2.76 | 6.5 | 80 | 90 | 100 | 112 | 132 | ||||
| 44.78 | 31.3 | 3.09 | 6.2 | 80 | 90 | 100 | 112 | 132 | ||||
| 42.28 | 33.1 | 3.27 | 6.0 | 80 | 90 | 100 | 112 | 132 | ||||
| 38.97 | 35.9 | 3.55 | 5.9 | 80 | 90 | 100 | 112 | 132 | ||||
| 33.95 | 41.2 | 4.08 | 5.5 | 80 | 90 | 100 | 112 | 132 | ||||
| 31.29 | 44.7 | 4.42 | 5.4 | 80 | 90 | 100 | 112 | 132 | ||||
| 28.83 | 48.6 | 4.80 | 2.4 | 5.2 | 80 | 90 | 100 | 112 | 132 | |||
| 26.11 | 53.6 | 5.30 | 2.3 | 17.6 | 5.0 | 80 | 90 | 100 | 112 | 132 | ||
| 22.40 | 62.5 | 6.18 | 2.2 | 16.5 | 4.7 | 80 | 90 | 100 | 112 | 132 | ||
| 17.98 | 77.8 | 7.70 | 2.0 | 15.1 | 4.3 | 80 | 90 | 100 | 112 | 132 | ||
| 16.29 | 86.0 | 8.50 | 1.9 | 14.5 | 4.1 | 80 | 90 | 100 | 112 | 132 | ||
| 14.11 | 99.2 | 810 | 9.35 | 1.8 | 13.9 | 4.0 | 80 | 90 | 100 | 112 | 132 | |
| 11.33 | 123.6 | 750 | 10.78 | 1.7 | 12.9 | 3.7 | 80 | 90 | 100 | 112 | 132 | |
| 10.26 | 136.4 | 650 | 10.32 | 1.7 | 12.8 | 80 | 90 | 100 | 112 | 132 | ||
| 8.63 | 162.2 | 600 | 11.32 | 1.6 | 12.0 | 3.4 | 80 | 90 | 100 | 112 | 132 | |
| 7.82 | 179.1 | 500 | 10.41 | 1.7 | 80 | 90 | 100 | 112 | 132 | |||
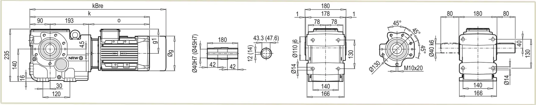
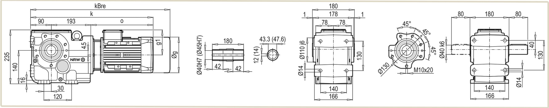
Чертеж размеров редуктора К 40390
На чертеже указаны габаритные и присоединительные размеры редуктора К 40390 в наличии фланца, размеры которого указаны в левой части чертежа.
| Условное обозначение | Размер в зависимости от габарита электродвигателя, мм | ||||||
| 80M | 90S | 90L | 100L | 112M | 132S | 132M | |
| g | 159 | 193 | 193 | 217 | 232 | 279 | 279 |
| g1 | 127 | 151 | 151 | 160 | 168 | 182 | 182 |
| k | 530 | 576 | 596 | 619 | 672 | 679 | 714 |
| kBre | 592 | 649 | 669 | 700 | 752 | 787 | 855 |
| o | 247 | 293 | 313 | 336 | 389 | 396 | 431 |
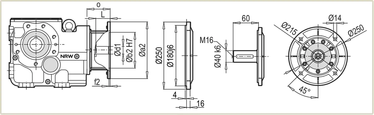
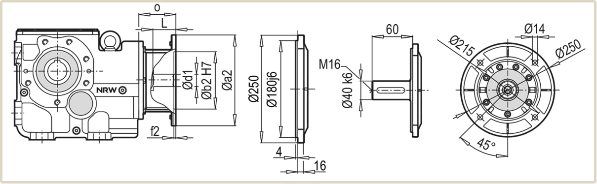
Присоединительные размеры фланцев
Присоединительные размеры угловых мотор-редукторов К-40390 подходят для агрегатации с электродвигателями европейского стандарта DIN и двигателей АИР изготовленных по ГОСТ. Для подбора электрического двигателя – ознакомьтесь с таблицей присоединительных размеров фланцев. В правой части чертежа указаны размеры фланца FB выходного вала, для подготовки посадочных для монтажа мотор-редуктора К40390 в фланцевом исполнении крепления.
| Условное обозначение | Размер в зависимости от габарита электродвигателя, мм | ||||
| 80 | 90 | 100 | 112 | 132 | |
| a2 | 200 | 200 | 250 | 250 | 300 |
| b2 | 130 | 130 | 180 | 180 | 230 |
| d1 | 19 | 24 | 28 | 28 | 38 |
| f2 | 5 | 5 | 5.5 | 5.5 | 5.5 |
| L | 42 | 52 | 62 | 62 | 82 |
| u1 | 6 | 8 | 8 | 8 | 10 |
| t1 | 21.8 | 27.3 | 31.3 | 31.3 | 41.3 |
| o | 70 | 70 | 85 | 85 | 110 |
| Вес, кг | 33 | 33 | 35 | 35 | 39 |
Монтажное положение и объем масла
Трехступенчатые зубчатые мотор-редукторы К-40390 имеют возможность установки в горизонтальном и вертикальном положении.
В зависимости от варианта крепления, меняется количество заправляемой смазки. В таблице указан объем масла для каждого монтажного варианта.
| Монтажное положение мотор-редуктора К-40390 | Количество смазки, л |
| M1 | 2.5 |
|---|---|
| M2 | 2.9 |
| M3 | 3 |
| M4 | 4 |
| M5 | 3.5 |
| M6 | 3 |
Расшифровка обозначения маркировки К40390
Условное обозначение маркировки модели содержит информацию о габарите, передаточном отношении и варианте крепления.
Мотор редуктор K 40390 7.82 DA — 90S/4A BRE, где
- K — обозначение конической передачи;
- 40390 — условный габарит;
- 7.82 — передаточное отношение;
- DA — вариант исполнения корпуса редуктора;
- 90S/4 BRE — типоразмер электродвигателя.
Купить мотор-редуктор К-40390 коническо-цилиндрический
У нас вы можете купить коническо-цилиндрический мотор-редуктор К-40390 производства немецкой компании NRW на турецком заводе PGR. Специалисты «Системы Качества» помогут вам подобрать и заказать нужный угловой редуктор К40390 для конвейера, транспортерной ленты и тд. Гарантия на оборудование – 12 месяцев. Оплата с НДС или без НДС, наложенным платежом на почте. Отправка перевозчиками: Новая Почта, Деливери, САТ, самовывоз со склада.
Цена К 40390 зависит от мощности и оборотов электродвигателя. Для опта действует система скидок 5-15% от прайса. Для просчета стоимости нужной модели – обратитесь к менеджеру или отправьте запрос на почту.









Виктория Владимировна