Характеристики мотор-редуктора К50390
В таблице указаны технические характеристики мотор-редуктора коническо-цилиндрического К50390 с электродвигателем 1500 об/мин. Мощность двигателя рассчитана с учетом сервис-фактора, который равен “1”. Допустимая частота вращения электромотора – 3000, 1500, 1000, 750 об/мин, для подробных просчетов характеристик и параметров, свяжитесь с менеджером для бесплатной консультации.
| Мотор-редуктор | Передаточное число | Количество оборотов на выходе, об/мин | Крутящий момент, Нм | Мощность двигателя на 1400 об/мин | Радиальная нагрузка, кН | Габарит электродвигателя DIN | |||||||
|---|---|---|---|---|---|---|---|---|---|---|---|---|---|
| Входной вал | Выходной вал | ||||||||||||
| цилиндр | полый | ||||||||||||
| К 50390 | 161.23 | 8.7 | 1800 | 1.82 | 2.8 | 22.0 | 11.8 | 80 | 90 | 100 | 112 | – | – |
| 141.14 | 9.9 | 2.08 | 2.7 | 11.2 | 80 | 90 | 100 | 112 | – | – | |||
| 129.64 | 10.8 | 2.26 | 10.9 | 80 | 90 | 100 | 112 | – | – | ||||
| 117.49 | 11.9 | 2.50 | 10.5 | 80 | 90 | 100 | 112 | – | – | ||||
| 111.93 | 12.5 | 2.62 | 10.3 | 80 | 90 | 100 | 112 | 132 | – | ||||
| 102.86 | 13.6 | 2.85 | 10.0 | 80 | 90 | 100 | 112 | – | – | ||||
| 90.00 | 15.6 | 3.26 | 2.6 | 9.5 | 80 | 90 | 100 | 112 | 132 | – | |||
| 81.57 | 17.2 | 3.59 | 9.1 | 80 | 90 | 100 | 112 | 132 | – | ||||
| 76.87 | 18.2 | 1700 | 3.60 | 9.0 | 80 | 90 | 100 | 112 | 132 | – | |||
| 70.84 | 19.8 | 3.91 | 2.5 | 8.7 | 80 | 90 | 100 | 112 | 132 | – | |||
| 66.83 | 20.9 | 4.14 | 8.5 | 80 | 90 | 100 | 112 | 132 | – | ||||
| 63.93 | 21.9 | 4.33 | 8.3 | 80 | 90 | 100 | 112 | 132 | – | ||||
| 56.96 | 24.6 | 4.86 | 2.4 | 8.0 | 80 | 90 | 100 | 112 | 132 | – | |||
| 51.63 | 27.1 | 5.36 | 7.7 | 80 | 90 | 100 | 112 | 132 | – | ||||
| 48.89 | 28.6 | 5.66 | 2.3 | 7.6 | 80 | 90 | 100 | 112 | 132 | – | |||
| 46.59 | 30.0 | 5.94 | 7.4 | 80 | 90 | 100 | 112 | 132 | – | ||||
| 43.91 | 31.9 | 6.31 | 2.2 | 7.2 | 80 | 90 | 100 | 112 | 132 | – | |||
| 40.46 | 34.6 | 6.84 | 7.0 | 80 | 90 | 100 | 112 | 132 | – | ||||
| 35.30 | 39.7 | 7.84 | 2.1 | 6.6 | 80 | 90 | 100 | 112 | 132 | – | |||
| 32.54 | 43.0 | 8.51 | 2.0 | 6.4 | 80 | 90 | 100 | 112 | 132 | – | |||
| 29.67 | 47.2 | 1600 | 8.78 | 6.3 | 80 | 90 | 100 | 112 | 132 | 160 | |||
| 25.65 | 54.6 | 1500 | 9.53 | 1.9 | 21.1 | 6.0 | 80 | 90 | 100 | 112 | 132 | 160 | |
| 23.26 | 60.2 | 1400 | 9.80 | 1.8 | 20.4 | 5.8 | 80 | 90 | 100 | 112 | 132 | 160 | |
| 18.70 | 74.9 | 12.19 | 1.6 | 18.7 | 5.3 | 80 | 90 | 100 | 112 | 132 | 160 | ||
| 16.95 | 82.6 | 13.45 | 1.4 | 18.0 | 5.1 | 80 | 90 | 100 | 112 | 132 | 160 | ||
| 14.65 | 95.6 | 1200 | 13.34 | 1.4 | 17.6 | 5.0 | 80 | 90 | 100 | 112 | 132 | 160 | |
| 11.78 | 118.8 | 1000 | 13.83 | 1.4 | 16.7 | 4.8 | 80 | 90 | 100 | 112 | 132 | 160 | |
| 10.68 | 131.1 | 15.25 | 1.2 | 16.1 | 4.6 | 80 | 90 | 100 | 112 | 132 | 160 | ||
| 8.98 | 156.0 | 900 | 16.32 | 1.0 | 15.1 | 4.3 | 80 | 90 | 100 | 112 | 132 | 160 | |
| 8.13 | 172.1 | 800 | 16.03 | 1.1 | 14.9 | 4.2 | 80 | 90 | 100 | 112 | 132 | 160 | |
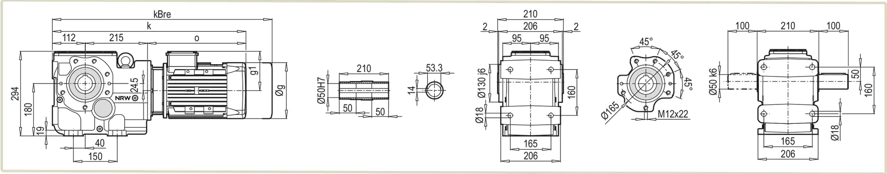
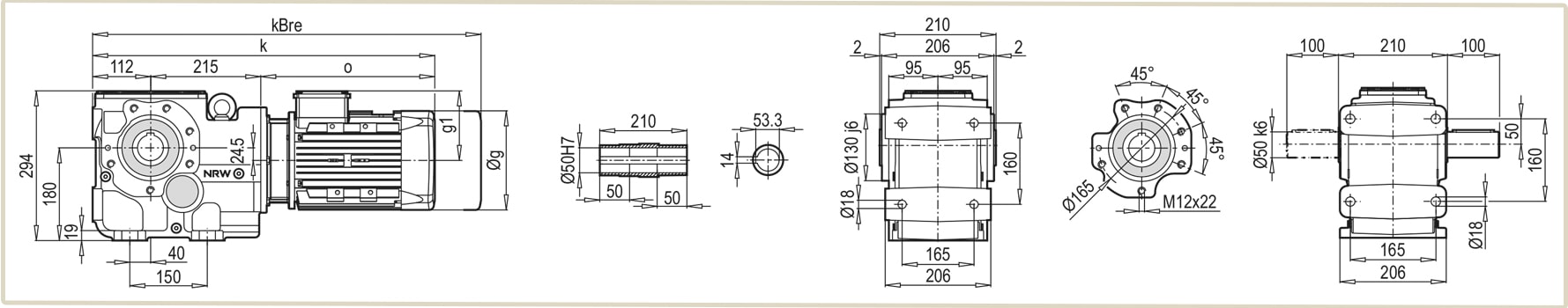
Чертеж размеров редуктора К 50390
На чертеже указаны габаритные и присоединительные размеры редуктора К 50390 в наличии фланца, размеры которого указаны в левой части чертежа.
| Условное обозначение | Размер в зависимости от габарита электродвигателя, мм | |||||||
| 80M | 90S | 90L | 100L | 112M | 132S | 132M | 160M/L | |
| g | 159 | 193 | 193 | 217 | 232 | 279 | 279 | 323 |
| g1 | 127 | 151 | 151 | 160 | 168 | 182 | 182 | 200 |
| k | 574 | 620 | 640 | 663 | 716 | 723 | 758 | 845 |
| kBre | 636 | 693 | 713 | 744 | 796 | 831 | 899 | 997 |
| o | 247 | 293 | 313 | 336 | 389 | 396 | 431 | 518 |
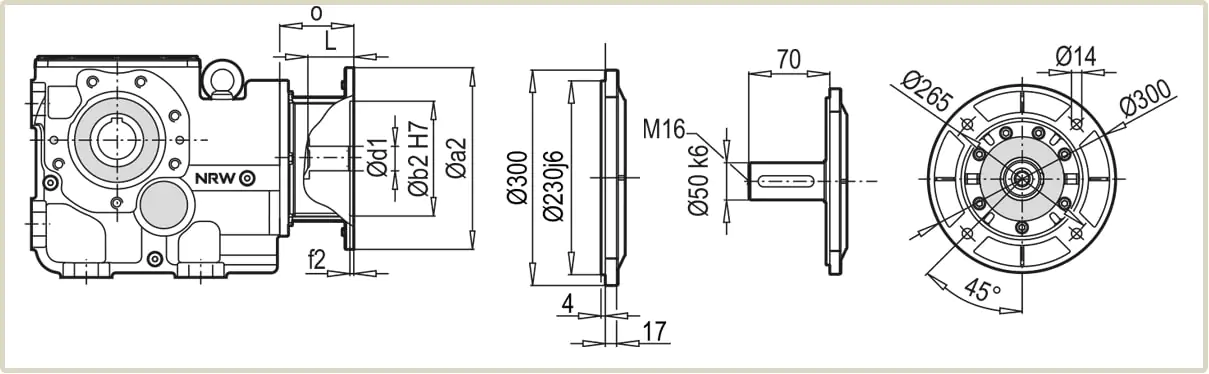
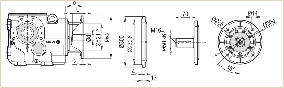
Присоединительные размеры фланцев
Присоединительные размеры угловых мотор-редукторов К-50390 подходят для агрегатации с электродвигателями европейского стандарта DIN и двигателей АИР изготовленных по ГОСТ. Для подбора электрического двигателя – ознакомьтесь с таблицей присоединительных размеров фланцев. В правой части чертежа указаны размеры фланца FB выходного вала, для подготовки посадочных для монтажа мотор-редуктора К50390 в фланцевом исполнении крепления.
| Условное обозначение | Размер в зависимости от габарита электродвигателя, мм | |||||
| 80 | 90 | 100 | 112 | 132 | 160 | |
| a2 | 200 | 200 | 250 | 250 | 300 | 350 |
| b2 | 130 | 130 | 180 | 180 | 230 | 250 |
| d1 | 19 | 24 | 28 | 28 | 38 | 42 |
| f2 | 5 | 5 | 5.5 | 5.5 | 5.5 | 7 |
| L | 42 | 52 | 62 | 62 | 82 | 112 |
| u1 | 6 | 8 | 8 | 8 | 10 | 12 |
| t1 | 21.8 | 27.3 | 31.3 | 31.3 | 41.3 | 45.3 |
| o | 70 | 70 | 85 | 85 | 110 | 158 |
| Вес, кг | 59 | 59 | 61 | 61 | 65 | 72 |
Монтажное положение и объем масла
Трехступенчатые зубчатые мотор-редукторы К-50390 имеют возможность установки в горизонтальном и вертикальном положении.
В зависимости от варианта крепления, меняется количество заправляемой смазки. В таблице указан объем масла для каждого монтажного варианта.
| Монтажное положение мотор-редуктора К-50390 | Количество смазки, л |
| M1 | 3.9 |
|---|---|
| M2 | 4.2 |
| M3 | 4.2 |
| M4 | 6.4 |
| M5 | 5.7 |
| M6 | 5 |
Расшифровка обозначения маркировки К50390
Условное обозначение маркировки модели содержит информацию о габарите, передаточном отношении и варианте крепления.
Мотор редуктор K 50390 8.13 DA — 90S/4A BRE, где
- K — обозначение конической передачи;
- 50390 — условный габарит;
- 8.13 — передаточное отношение;
- DA — вариант исполнения корпуса редуктора;
- 90S/4 BRE — типоразмер электродвигателя.
Купить мотор-редуктор К-50390 коническо-цилиндрический
У нас вы можете купить коническо-цилиндрический мотор-редуктор К-50390 производства немецкой компании NRW на турецком заводе PGR. Специалисты «Системы Качества» помогут вам подобрать и заказать нужный угловой редуктор К50390 для конвейера, транспортерной ленты и тд. Гарантия на оборудование – 12 месяцев. Оплата с НДС или без НДС, наложенным платежом на почте. Отправка перевозчиками: Новая Почта, Деливери, САТ, самовывоз со склада.
Цена К 50390 зависит от мощности и оборотов электродвигателя. Для опта действует система скидок 5-15% от прайса. Для просчета стоимости нужной модели – обратитесь к менеджеру или отправьте запрос на почту.









Виктория Владимировна