Характеристики мотор-редуктора К60390
В таблице указаны технические характеристики мотор-редуктора коническо-цилиндрического К60390 с электродвигателем 1500 об/мин. Мощность двигателя рассчитана с учетом сервис-фактора, который равен “1”. Допустимая частота вращения электромотора – 3000, 1500, 1000, 750 об/мин, для подробных просчетов характеристик и параметров, свяжитесь с менеджером для бесплатной консультации.
| Мотор-редуктор | Передаточное число | Обороты на выходе, об/мин | Крутящий момент, Нм | Мощность двигателя на 1400 об/мин | Радиальная нагрузка, кН | Габарит электродвигателя DIN | |||||||
|---|---|---|---|---|---|---|---|---|---|---|---|---|---|
| Входной вал | Выходной вал | ||||||||||||
| цилиндр | полый | ||||||||||||
| К 60390 | 183.08 | 7.6 | 3500 | 3.11 | 3.9 | 30.0 | 14.8 | 90 | 100 | 112 | 132 | – | – |
| 162.63 | 8.6 | 3.51 | 3.8 | 14.0 | 90 | 100 | 112 | 132 | – | – | |||
| 146.59 | 9.6 | 3.89 | 13.4 | 90 | 100 | 112 | 132 | – | – | ||||
| 131.96 | 10.6 | 4.32 | 12.8 | 90 | 100 | 112 | 132 | – | – | ||||
| 121.39 | 11.5 | 4.70 | 12.3 | 90 | 100 | 112 | 132 | – | – | ||||
| 108.31 | 12.9 | 5.26 | 11.7 | 90 | 100 | 112 | 132 | – | – | ||||
| 101.29 | 13.8 | 5.63 | 3.7 | 11.3 | – | 100 | 112 | 132 | 160 | 180 | |||
| 91.30 | 15.3 | 6.24 | 10.8 | – | 100 | 112 | 132 | 160 | 180 | ||||
| 81.18 | 17.2 | 7.02 | 10.2 | 90 | 100 | 112 | 132 | – | – | ||||
| 75.60 | 18.5 | 7.54 | 3.6 | 9.9 | – | 100 | 112 | 132 | 160 | 180 | |||
| 70.62 | 19.8 | 3300 | 7.61 | 9.8 | – | 100 | 112 | 132 | 160 | 180 | |||
| 63.65 | 22.0 | 8.44 | 9.3 | – | 100 | 112 | 132 | 160 | 180 | ||||
| 60.34 | 23.2 | 3200 | 8.64 | 9.2 | – | 100 | 112 | 132 | 160 | 180 | |||
| 55.28 | 25.3 | 9.43 | 8.8 | – | 100 | 112 | 132 | 160 | 180 | ||||
| 50.56 | 27.7 | 10.31 | 3.5 | 29.6 | 8.5 | – | 100 | 112 | 132 | 160 | 180 | ||
| 45.57 | 30.7 | 3000 | 10.72 | 29.0 | 8.3 | – | 100 | 112 | 132 | 160 | 180 | ||
| 41.26 | 33.9 | 2800 | 11.05 | 28.5 | 8.2 | – | 100 | 112 | 132 | 160 | 180 | ||
| 35.25 | 39.7 | 12.94 | 3.4 | 26.5 | 7.6 | – | 100 | 112 | 132 | 160 | 180 | ||
| 31.77 | 44.1 | 14.36 | 3.3 | 25.1 | 7.2 | – | 100 | 112 | 132 | 160 | 180 | ||
| 31.39 | 44.6 | 14.53 | 24.9 | 7.1 | – | – | – | 132 | 160 | 180 | |||
| 28.11 | 49.8 | 16.22 | 3.2 | 23.6 | 6.7 | – | – | – | 132 | 160 | 180 | ||
| 26.31 | 53.2 | 17.33 | 22.8 | 6.5 | – | 100 | 112 | 132 | 160 | 180 | |||
| 23.27 | 60.2 | 19.60 | 3.1 | 21.4 | 6.1 | – | – | – | 132 | 160 | 180 | ||
| 21.00 | 66.7 | 2500 | 19.39 | 21.6 | 6.2 | – | – | – | 132 | 160 | 180 | ||
| 18.92 | 74.0 | 2200 | 18.94 | 21.9 | 6.3 | – | – | – | 132 | 160 | 180 | ||
| 15.67 | 89.3 | 2100 | 21.83 | 3.0 | 20.4 | 5.8 | – | – | – | 132 | 160 | 180 | |
| 14.15 | 98.9 | 24.17 | 2.8 | 19.4 | 5.5 | – | – | – | 132 | 160 | 180 | ||
| 12.75 | 109.8 | 2000 | 25.55 | 18.9 | 5.4 | – | – | – | 132 | 160 | 180 | ||
| 10.56 | 132.6 | 30.85 | 2.5 | 17.2 | 4.9 | – | – | – | 132 | 160 | 180 | ||
| 9.63 | 145.4 | 1800 | 30.45 | 2.6 | 17.5 | 5.0 | – | – | – | 132 | 160 | 180 | |
| 7.97 | 175.8 | 1500 | 30.66 | 17.3 | 4.9 | – | – | – | 132 | 160 | 180 | ||
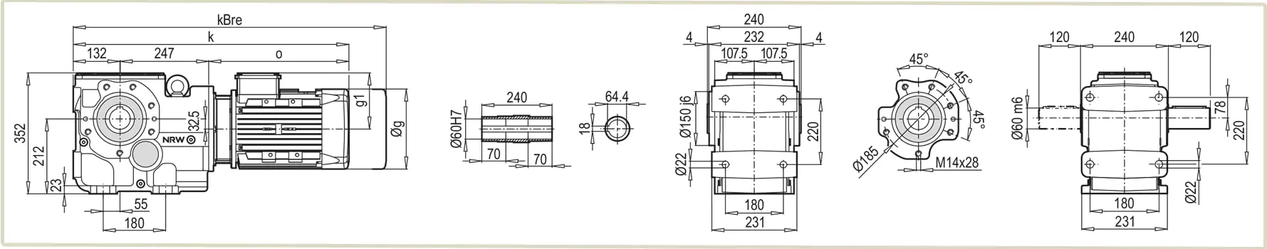
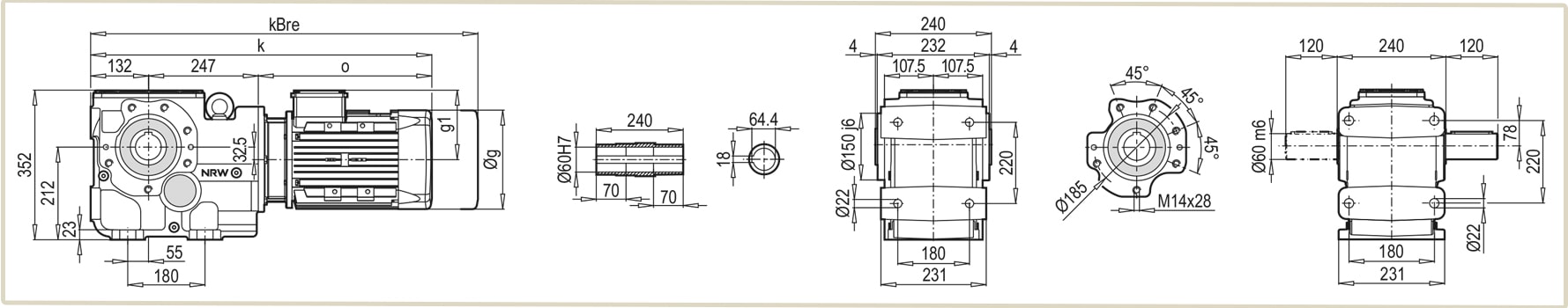
Чертеж размеров редуктора К 60390
На чертеже указаны габаритные и присоединительные размеры редуктора К 60390 в наличии фланца, размеры которого указаны в левой части чертежа.
| Условное обозначение | Размер в зависимости от габарита электродвигателя, мм | |||||||
| 90S | 90L | 100L | 112M | 132S | 132M | 160M/L | 180M/L | |
| g | 193 | 193 | 217 | 232 | 279 | 279 | 323 | 370 |
| g1 | 151 | 151 | 160 | 168 | 182 | 182 | 200 | 248 |
| k | 662 | 682 | 705 | 759 | 765 | 800 | 887 | 952 |
| kBre | 735 | 755 | 786 | 839 | 873 | 941 | 1039 | 1114 |
| o | 283 | 303 | 326 | 380 | 386 | 421 | 508 | 573 |
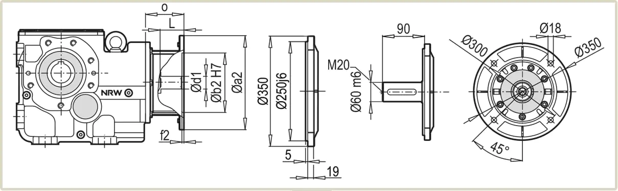
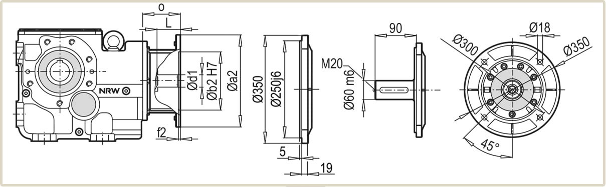
Присоединительные размеры фланцев
Присоединительные размеры угловых мотор-редукторов К-60390 подходят для агрегатации с электродвигателями европейского стандарта DIN и двигателей АИР изготовленных по ГОСТ. Для подбора электрического двигателя – ознакомьтесь с таблицей присоединительных размеров фланцев. В правой части чертежа указаны размеры фланца FB выходного вала, для подготовки посадочных для монтажа мотор-редуктора К60390 в фланцевом исполнении крепления.
| Условное обозначение | Размер в зависимости от габарита электродвигателя, мм | |||||
| 90 | 100 | 112 | 132 | 160 | 180 | |
| a2 | 200 | 250 | 250 | 300 | 350 | 350 |
| b2 | 130 | 180 | 180 | 230 | 250 | 250 |
| d1 | 24 | 28 | 28 | 38 | 42 | 48 |
| f2 | 5 | 5.5 | 5.5 | 5.5 | 7 | 7 |
| L | 52 | 62 | 62 | 82 | 112 | 112 |
| u1 | 8 | 8 | 8 | 10 | 12 | 14 |
| t1 | 27.3 | 31.3 | 31.3 | 41.3 | 45.3 | 51.8 |
| o | 61 | 76 | 76 | 101 | 148 | 148 |
| Вес, кг | 80 | 80 | 84 | 84 | 87 | 93 |
Монтажное положение и объем масла
Трехступенчатые зубчатые мотор-редукторы К-60390 имеют возможность установки в горизонтальном и вертикальном положении.
В зависимости от варианта крепления, меняется количество заправляемой смазки. В таблице указан объем масла для каждого монтажного варианта.
| Монтажное положение мотор-редуктора К-60390 | Количество смазки, л |
| M1 | 6.1 |
|---|---|
| M2 | 6.8 |
| M3 | 8 |
| M4 | 9.9 |
| M5 | 8.3 |
| M6 | 7.8 |
Расшифровка обозначения маркировки К60390
Условное обозначение маркировки модели содержит информацию о габарите, передаточном отношении и варианте крепления.
Мотор редуктор K 60390 9.63 DA — 132S/4A BRE, где
- K — обозначение конической передачи;
- 60390 — условный габарит;
- 9.63 — передаточное отношение;
- DA — вариант исполнения корпуса редуктора;
- 132S/4 BRE — типоразмер электродвигателя.
Купить мотор-редуктор К-60390 коническо-цилиндрический
У нас вы можете купить коническо-цилиндрический мотор-редуктор К-60390 производства немецкой компании NRW на турецком заводе PGR. Специалисты «Системы Качества» помогут вам подобрать и заказать нужный угловой редуктор К60390 для конвейера, транспортерной ленты и тд. Гарантия на оборудование – 12 месяцев. Оплата с НДС или без НДС, наложенным платежом на почте. Отправка перевозчиками: Новая Почта, Деливери, САТ, самовывоз со склада.
Цена К 60390 зависит от мощности и оборотов электродвигателя. Для опта действует система скидок 5-15% от прайса. Для просчета стоимости нужной модели – обратитесь к менеджеру или отправьте запрос на почту.









Виктория Владимировна