Характеристики мотор-редуктора К70390
В таблице указаны технические характеристики мотор-редуктора коническо-цилиндрического К70390 с электродвигателем 1500 об/мин. Мощность двигателя рассчитана с учетом сервис-фактора, который равен “1”. Допустимая частота вращения электромотора – 3000, 1500, 1000, 750 об/мин, для подробных просчетов характеристик и параметров, свяжитесь с менеджером для бесплатной консультации.
| Мотор-редуктор | Передаточное число | Количество оборотов на выходе, об/мин | Крутящий момент, Нм | Мощность двигателя на 1400 об/мин | Радиальная нагрузка, кН | Габарит электродвигателя DIN | ||||||
|---|---|---|---|---|---|---|---|---|---|---|---|---|
| Входной вал | Выходной вал | |||||||||||
| К 70390 | 183.27 | 7.6 | 5000 | 4.44 | 3.8 | 45.0 | 100 | 112 | 132 | – | – | – |
| 162.98 | 8.6 | 5.00 | 100 | 112 | 132 | 160 | 180 | – | ||||
| 146.38 | 9.6 | 5.56 | 100 | 112 | 132 | 160 | 180 | – | ||||
| 133.53 | 10.5 | 6.10 | 100 | 112 | 132 | 160 | 180 | – | ||||
| 121.96 | 11.5 | 6.68 | 100 | 112 | 132 | 160 | 180 | – | ||||
| 109.54 | 12.8 | 7.43 | 3.7 | 43.1 | 100 | 112 | 132 | 160 | 180 | – | ||
| 104.68 | 13.4 | 7.78 | 42.0 | 100 | 112 | 132 | – | – | – | |||
| 93.09 | 15.0 | 8.75 | 39.7 | 100 | 112 | 132 | 160 | 180 | – | |||
| 83.66 | 16.7 | 9.73 | 3.6 | 37.9 | 100 | 112 | 132 | 160 | 180 | 200 | ||
| 76.27 | 18.4 | 10.68 | 36.0 | 100 | 112 | 132 | 160 | 180 | – | |||
| 69.66 | 20.1 | 11.69 | 34.4 | 100 | 112 | 132 | 160 | 180 | – | |||
| 63.37 | 22.1 | 12.85 | 3.5 | 33.0 | 100 | 112 | 132 | 160 | 180 | 200 | ||
| 58.32 | 24.0 | 13.96 | 31.5 | 100 | 112 | 132 | 160 | 180 | 200 | |||
| 53.98 | 25.9 | 15.09 | 3.4 | 30.2 | 100 | 112 | 132 | 160 | 180 | 200 | ||
| 51.92 | 27.0 | 15.69 | 29.8 | 100 | 112 | 132 | 160 | 180 | 200 | |||
| 47.78 | 29.3 | 17.05 | 28.3 | 100 | 112 | 132 | 160 | 180 | 200 | |||
| 43.64 | 32.1 | 4800 | 17.92 | 3.3 | 27.7 | 100 | 112 | 132 | 160 | 180 | 200 | |
| 39.27 | 35.6 | 19.91 | 26.3 | – | – | 132 | 160 | 180 | 200 | |||
| 36.20 | 38.7 | 21.60 | 3.2 | 25.0 | 100 | 112 | 132 | 160 | 180 | 200 | ||
| 32.18 | 43.5 | 4700 | 23.79 | 3.1 | 23.9 | – | – | 132 | 160 | 180 | 200 | |
| 29.66 | 47.2 | 25.81 | 3.0 | 22.7 | 100 | 112 | 132 | 160 | 180 | 200 | ||
| 27.09 | 51.7 | 4600 | 27.66 | 21.9 | 100 | 112 | 132 | 160 | 180 | 200 | ||
| 24.90 | 56.2 | 30.09 | 2.9 | 21.0 | – | – | 132 | 160 | 180 | 200 | ||
| 22.43 | 62.4 | 4400 | 31.95 | 2.8 | 20.3 | – | – | 132 | 160 | 180 | 200 | |
| 20.40 | 68.6 | 4000 | 31.94 | 20.8 | – | – | 132 | 160 | 180 | 200 | ||
| 18.38 | 76.2 | 3600 | 31.90 | 20.9 | – | – | 132 | 160 | 180 | 200 | ||
| 16.79 | 83.4 | 3200 | 31.04 | 21.3 | – | – | 132 | 160 | 180 | 200 | ||
| 14.23 | 98.4 | 3100 | 35.48 | 2.7 | 19.9 | – | – | 132 | 160 | 180 | 200 | |
| 11.65 | 120.1 | 43.34 | 2.4 | 18.0 | – | – | 132 | 160 | 180 | 200 | ||
| 10.64 | 131.5 | 3000 | 45.93 | 2.3 | 17.5 | – | – | 132 | 160 | 180 | 200 | |
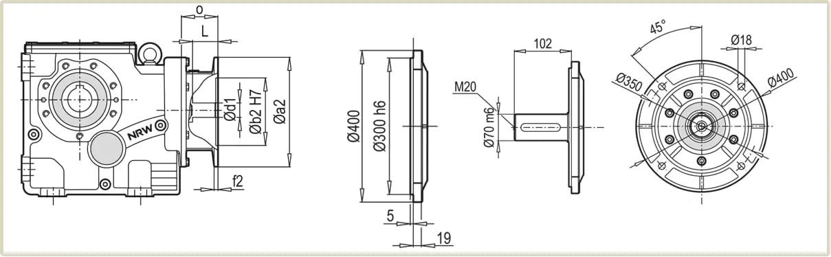
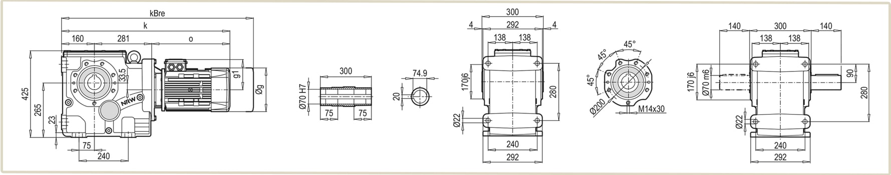
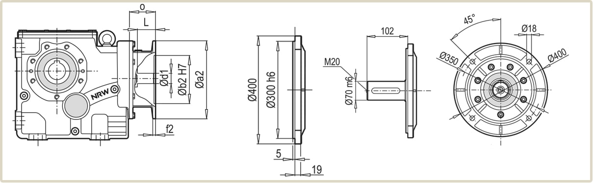
Чертеж размеров редуктора К 70390
На чертеже указаны габаритные и присоединительные размеры редуктора К 70390 в наличии фланца, размеры которого указаны в левой части чертежа.
| Условное обозначение | Размер в зависимости от габарита электродвигателя, мм | ||||||
| 100L | 112M | 132S | 132M | 160M/L | 180M/L | 200L | |
| g | 217 | 232 | 279 | 279 | 323 | 370 | 415 |
| g1 | 160 | 168 | 182 | 182 | 200 | 248 | 260 |
| k | 767 | 821 | 827 | 862 | 949 | 1014 | 1051 |
| kBre | 848 | 901 | 935 | 1003 | 1101 | 1176 | 1198 |
| o | 326 | 380 | 386 | 421 | 508 | 573 | 610 |
Присоединительные размеры фланцев
Присоединительные размеры угловых мотор-редукторов К-70390 подходят для агрегатации с электродвигателями европейского стандарта DIN и двигателей АИР изготовленных по ГОСТ. Для подбора электрического двигателя – ознакомьтесь с таблицей присоединительных размеров фланцев. В правой части чертежа указаны размеры фланца FB выходного вала, для подготовки посадочных для монтажа мотор-редуктора К70390 в фланцевом исполнении крепления.
| Условное обозначение | Размер в зависимости от габарита электродвигателя, мм | |||||
| 100 | 112 | 132 | 160 | 180 | 200 | |
| a2 | 250 | 250 | 300 | 350 | 350 | 400 |
| b2 | 180 | 180 | 230 | 250 | 250 | 300 |
| d1 | 28 | 28 | 38 | 42 | 48 | 55 |
| f2 | 5.5 | 5.5 | 5.5 | 7 | 7 | 7 |
| L | 62 | 62 | 82 | 112 | 112 | 112 |
| u1 | 8 | 8 | 10 | 12 | 14 | 16 |
| t1 | 31.3 | 31.3 | 41.3 | 45.3 | 51.8 | 59.3 |
| o | 76 | 76 | 101 | 148 | 148 | 185 |
| Вес, кг | 129.5 | 129.5 | 132.5 | 138.5 | 138.5 | 154.5 |
Монтажное положение и объем масла
Трехступенчатые зубчатые мотор-редукторы К-70390 имеют возможность установки в горизонтальном и вертикальном положении.
В зависимости от варианта крепления, меняется количество заправляемой смазки. В таблице указан объем масла для каждого монтажного варианта.
| Монтажное положение мотор-редуктора К-70390 | Количество смазки, л |
| M1 | 12 |
|---|---|
| M2 | 11.7 |
| M3 | 13.5 |
| M4 | 19.5 |
| M5 | 14.8 |
| M6 | 14.8 |
Расшифровка обозначения маркировки К70390
Условное обозначение маркировки модели содержит информацию о габарите, передаточном отношении и варианте крепления.
Мотор редуктор K 70390 7.32 DA — 132S/4A BRE, где
- K — обозначение конической передачи;
- 70390 — условный габарит;
- 10.64 — передаточное отношение;
- DA — вариант исполнения корпуса редуктора;
- 132S/4 BRE — типоразмер электродвигателя.
Купить мотор-редуктор К-70390 коническо-цилиндрический
У нас вы можете купить коническо-цилиндрический мотор-редуктор К-70390 производства немецкой компании NRW на турецком заводе PGR. Специалисты «Системы Качества» помогут вам подобрать и заказать нужный угловой редуктор К70390 для конвейера, транспортерной ленты и тд. Гарантия на оборудование – 12 месяцев. Оплата с НДС или без НДС, наложенным платежом на почте. Отправка перевозчиками: Новая Почта, Деливери, САТ, самовывоз со склада.
Цена К 70390 зависит от мощности и оборотов электродвигателя. Для опта действует система скидок 5-15% от прайса. Для просчета стоимости нужной модели – обратитесь к менеджеру или отправьте запрос на почту.









Виктория Владимировна