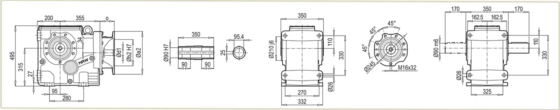
Характеристики мотор-редуктора К90390
В таблице указаны технические характеристики мотор-редуктора коническо-цилиндрического К90390 с электродвигателем 1500 об/мин. Мощность двигателя рассчитана с учетом сервис-фактора, который равен “1”. Допустимая частота вращения электромотора – 3000, 1500, 1000, 750 об/мин, для подробных просчетов характеристик и параметров, свяжитесь с менеджером для бесплатной консультации.
| Мотор-редуктор | Передаточное число | Количество оборотов на выходе, об/мин | Крутящий момент, Нм | Мощность двигателя на 1400 об/мин | Радиальная нагрузка, кН | Габарит электродвигателя DIN | |||||
|---|---|---|---|---|---|---|---|---|---|---|---|
| Входной вал | Выходной вал | ||||||||||
| К 90390 | 168.56 | 8.3 | 8000 | 7.73 | 9.6 | 65.0 | 132 | 160 | 180 | – | – |
| 151.10 | 9.3 | 8.62 | 9.5 | 132 | 160 | 180 | – | – | |||
| 136.87 | 10.2 | 9.52 | 132 | 160 | 180 | – | – | ||||
| 126.23 | 11.1 | 10.32 | 9.4 | 132 | 160 | 180 | – | – | |||
| 105.17 | 13.3 | 12.39 | 132 | 160 | 180 | 200 | 225 | ||||
| 94.90 | 14.8 | 13.73 | 9.3 | 132 | 160 | 180 | 200 | 225 | |||
| 88.87 | 15.8 | 14.66 | 132 | 160 | 180 | – | – | ||||
| 85.54 | 16.4 | 15.23 | 9.2 | 132 | 160 | 180 | – | – | |||
| 78.76 | 17.8 | 16.54 | 64.1 | 132 | 160 | 180 | 200 | 225 | |||
| 72.16 | 19.4 | 18.06 | 9.1 | 62.1 | 132 | 160 | 180 | – | – | ||
| 64.83 | 21.6 | 20.10 | 9.0 | 59.4 | 132 | 160 | 180 | 200 | 225 | ||
| 62.21 | 22.5 | 20.95 | 58.4 | 132 | 160 | 180 | 200 | 225 | |||
| 58.50 | 23.9 | 22.27 | 8.9 | 57.0 | 132 | 160 | 180 | 200 | 225 | ||
| 55.45 | 25.2 | 23.50 | 55.9 | 132 | 160 | 180 | 200 | 225 | |||
| 51.63 | 27.1 | 25.24 | 8.8 | 54.2 | 132 | 160 | 180 | 200 | 225 | ||
| 48.55 | 28.8 | 26.84 | 52.9 | 132 | 160 | 180 | 200 | 225 | |||
| 42.94 | 32.6 | 30.35 | 8.6 | 50.5 | 132 | 160 | 180 | 200 | 225 | ||
| 39.74 | 35.2 | 32.79 | 8.5 | 48.7 | – | 160 | 180 | 200 | 225 | ||
| 35.85 | 39.1 | 36.35 | 8.4 | 46.7 | – | 160 | 180 | 200 | 225 | ||
| 34.18 | 41.0 | 38.12 | 8.3 | 45.9 | 132 | 160 | 180 | 200 | 225 | ||
| 30.84 | 45.4 | 42.25 | 8.1 | 44.0 | 132 | 160 | 180 | 200 | 225 | ||
| 28.71 | 48.8 | 45.39 | 8.0 | 42.7 | 132 | 160 | 180 | 200 | 225 | ||
| 25.60 | 54.7 | 6800 | 43.27 | 8.1 | 42.4 | 132 | 160 | 180 | 200 | 225 | |
| 24.50 | 57.1 | 6700 | 44.54 | 8.0 | 41.7 | – | 160 | 180 | 200 | 225 | |
| 20.95 | 66.8 | 6500 | 50.54 | 7.8 | 39.5 | – | 160 | 180 | 200 | 225 | |
| 18.90 | 74.1 | 6000 | 51.71 | 7.7 | 38.6 | – | 160 | 180 | 200 | 225 | |
| 15.69 | 89.2 | 5000 | 51.91 | 37.2 | – | 160 | 180 | 200 | 225 | ||
| 14.32 | 97.8 | 56.87 | 7.5 | 35.9 | – | 160 | 180 | 200 | 225 | ||
| 12.92 | 108.5 | 4500 | 56.73 | 35.1 | – | 160 | 180 | 200 | 225 | ||
| 10.72 | 130.6 | 68.38 | 7.0 | 32.7 | – | 160 | 180 | 200 | 225 | ||
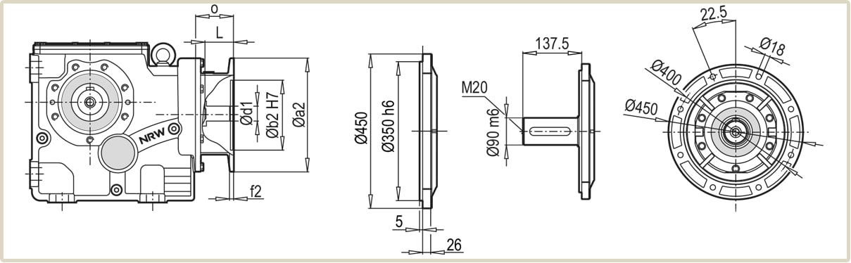
Чертеж размеров редуктора К 90390
На чертеже указаны габаритные и присоединительные размеры редуктора К 90390 в наличии фланца, размеры которого указаны в левой части чертежа.
Присоединительные размеры угловых мотор-редукторов К-90390 подходят для агрегатации с электродвигателями европейского стандарта DIN и двигателей АИР изготовленных по ГОСТ. Для подбора электрического двигателя – ознакомьтесь с таблицей присоединительных размеров фланцев. В правой части чертежа указаны размеры фланца FB выходного вала, для подготовки посадочных для монтажа мотор-редуктора К90390 в фланцевом исполнении крепления.
| Условное обозначение | Размер в зависимости от габарита электродвигателя, мм | ||||
| 132 | 160 | 180 | 200 | 225 | |
| a2 | 300 | 350 | 350 | 400 | 450 |
| b2 | 230 | 250 | 250 | 300 | 350 |
| d1 | 38 | 42 | 48 | 55 | 60 |
| f2 | 5.5 | 7 | 7 | 7 | 7 |
| L | 82 | 112 | 112 | 112 | 142 |
| u1 | 10 | 12 | 14 | 16 | 18 |
| t1 | 41.3 | 45.3 | 51.8 | 59.3 | 64.4 |
| o | 76 | 124 | 124 | 161 | 161 |
| Вес, кг | 203.5 | 211.5 | 211.5 | 226.5 | 229.5 |
Монтажное положение и объем масла
Трехступенчатые зубчатые мотор-редукторы К-90390 имеют возможность установки в горизонтальном и вертикальном положении.
В зависимости от варианта крепления, меняется количество заправляемой смазки. В таблице указан объем масла для каждого монтажного варианта.
| Монтажное положение мотор-редуктора К-90390 | Количество смазки, л |
| M1 | 20.3 |
|---|---|
| M2 | 19.7 |
| M3 | 21.8 |
| M4 | 31 |
| M5 | 24.5 |
| M6 | 25.1 |
Расшифровка обозначения маркировки К90390
Условное обозначение маркировки модели содержит информацию о габарите, передаточном отношении и варианте крепления.
Мотор редуктор K 90390 168.56 DA — 132S/4A BRE, где
- K — обозначение конической передачи;
- 90390 — условный габарит;
- 168.56 — передаточное отношение;
- DA — вариант исполнения корпуса редуктора;
- 132S/4 BRE — типоразмер электродвигателя.
Купить мотор-редуктор К-90390 коническо-цилиндрический
У нас вы можете купить коническо-цилиндрический мотор-редуктор К-90390 производства немецкой компании NRW на турецком заводе PGR. Специалисты «Системы Качества» помогут вам подобрать и заказать нужный угловой редуктор К90390 для конвейера, транспортерной ленты и тд. Гарантия на оборудование – 12 месяцев. Оплата с НДС или без НДС, наложенным платежом на почте. Отправка перевозчиками: Новая Почта, Деливери, САТ, самовывоз со склада.
Цена К 90390 зависит от мощности и оборотов электродвигателя. Для опта действует система скидок 5-15% от прайса. Для просчета стоимости нужной модели – обратитесь к менеджеру или отправьте запрос на почту.









Виктория Владимировна