
Применяется для комплектации ПТО – кранов, приводов редукторов мостовых и козловых кранов, лебедок, тельферов, редукторов кран-балок, электрических талей и прочих механизмов перемещения грузов.
Таблица технических характеристик
Короткозамкнутые двигатели МТКН 111-6 3,5 кВт предназначены для работы с напряжением 220/380 и 380/660 В, со схемами подключения выводов обмоток звезда и треугольник. Подбор кабеля производится согласно ГОСТ 31996—2012. В таблице указаны технические характеристики: фактическая частота вращения и диаметр вала, мощность, максимальный и пусковой крутящие моменты, КПД, вес и тд.
| Тип двигателя | Характеристики | ||||||||||
| P, кВт (ПВ=40%) | N, об/мин | КПД, % | I пусковой, А | М, Нм | Соs ф | Вес, кг | Размеры вала, мм | Термостойкость, °C | |||
| max | пусковой | Ø | L | ||||||||
| МТКН 111 6 | 3,5 | 865 | 74,5 | 34 | 106 | 106 | 0,80 | 78 | 35 | 592 | 180 |
| MTKF 111-6 | 150 | ||||||||||
| МТКВ 111-6 | 130 | ||||||||||
Виды электродвигателей МТК 111

В Украине наиболее распространенные такие модели крановых двигателей с короткозамкнутым ротором и мощностью 3,5 кВт:
- МТКН 111-6 – классический мотор производства Сибэлектромотор (класс изоляции до 180 °C)
- МТКF 111-6 – продукция «Ржевского краностроительного завода» (изоляция до 155 °C)
- MTKB 111-6 – устаревшая модель с температурным пределом изоляции 130 °C;
- МТКНУ 111-6 – импорт из Китая.
Где купить двигатель МТКН 111-6?
«Системы Качества» предлагают купить крановые электродвигатели МТКН 111-6 3,5 кВт 865 об/мин производства Сибэлектромотор или Ржевского завода с складских запасов. Вы получите надежный российский электромотор, прошедший заводскую подготовку, испытания на стендах, с украинской гарантией 12 месяцев и последующим сервисом в Украине.
Цены
В сравнении с фазными двигателями мтн 111 6, асинхронные короткозамкнутые электродвигатели применяются гораздо реже – имеют ограничения по частоте пусков, сложность в регулировании частоты вращения. Менее затратны в производстве, разница в цене до 30 %.
| Электродвигатель типа МТКН 3,5 кВт 865 об/мин | Цена, грн | |
| без НДС | с НДС | |
| МТКН 111-6 | 9000 | 10800 |
| МТКН 111-6 БУ* | от 7000 | от 8400 |
| МТКФ 111-6 | 8900 | 10680 |
| МТКВ 111-6 | 9000 | 10800 |
| Импорт нового из России | договорная | договорная |
| Производство Украины | не существует | не существует |
*Покупка двигателей БУ, крайне не рекомендуется в связи с опасностью эксплуатации в приводах подъемных механизмах.
Справка
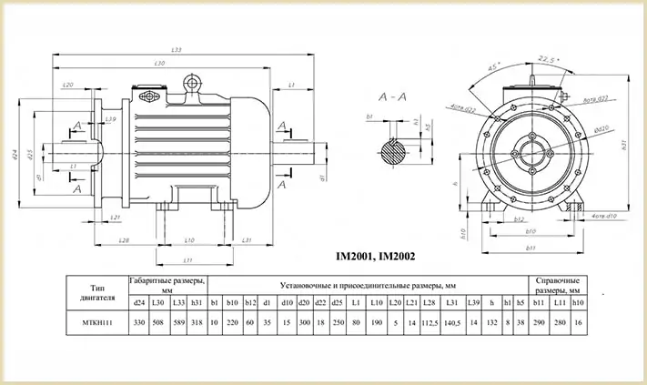
Чертежи и габаритные размеры
Ниже представлены габаритные, справочные и установочно-присоединительные размеры: длина, высота диаметр вала; крепеж по лапам, диаметр фланца и т.д. Чтобы рассмотреть чертеж ближе, кликните на картинку.
Подшипники, смазка, сопротивление
В таблице приведены маркировки подшипников, тип и объем смазки применяемых при эксплуатации электромоторов МТКН 111-6, сопротивление обмоток и вибростойкость.
| Подшипники | Смазка | Сопротивление обмоток, МОм | Вибростойкость, мм/с | ||
| Маркировка | Размер | Тип | Объем, кг | ||
| 76-180309C9Ш2У | 45×100×25 | УНИОЛ 2М/1 | 0,2 | >10 | 1,8 |
Монтажные исполнения
Для исполнений IM 1002, IM 2002 суммарная нагрузка на двух валах, не должна превышать допустимую для данной модели электродвигателя. Изготавливаем спец исполнения с цилиндрическими валами, нестандартной длиной или диаметром по чертежам заказчиков.




Расшифровка маркировки
Для правильно оформления заказа, приводим расшифровку асинхронного двигателя МТКН 111-6 У1 IM 1001.
- МТК – серия электродвигателя с короткозамкнутым ротором
- Н – класс изоляции
- 1 – условный габарит
- 1 – номер серии
- 1 – длина сердечника статора
- 6 – количество полюсов
- У1 – климатическое исполнение, категория размещения
- IM 1001 – монтажное исполнение
Звоните и узнайте актуальные цены, наличие на складе электродвигателей МТКН 111-6!






Виктория Владимировна