
Применяется в приводах редукторов, лебедках, металлургических агрегатах, тельферах, башенных кранах и других механизмах подъема.
Преимущества модернизированной серии промышленных асинхронных электродвигателей 4MTM 280L6 и 4МТН280L6:
- улучшенные технико-экономические показатели работы,
- расширенный диапазон мощностей,
- более высокий уровень стандартизации.
Технические характеристики
Ниже представлены основные параметры и отличия электродвигателя 4MTM 280L6 и его аналога: мощность, номинальная частота вращения, номинальный ток и момент.
| Электродвигатель | Характеристики | ||||||||
| P, кВт | N, об/мин | КПД, % | Cos φ | Iном статор, А | Iном, А | U ротора,В | Mном, Н*м | Вес, кг | |
| 4MTM280L6 | 110 | 970 | 91,0 | 0,85 | 211 | 168 | 420 | 1083 | 970 |
| 4MTН 280L6 | |||||||||
| МТН 613-6 | |||||||||
Важно учесть, что разница присутствует и в крепежных размерах данных моделей электродвигателей.
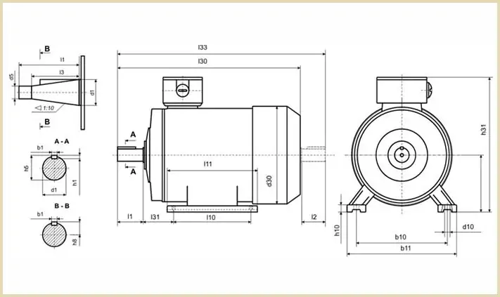
Чертеж и габаритные размеры электродвигателей 4МТН 280L6 и 4МТМ 280L6
| Двигатель | Монтажное исполнение | b1 | b11 | d1, d2 | h | h1 | h5 | h10 | l11 | l30 | l33 | |
| 4MTM 280L6 | 1003, 1004 | 22 | 540 | 90 | 280 | 14 | – | 40 | 520 | 1260 | 1439 | |
Ремонт и перемотка
Решили отремонтировать ваш собственный агрегат? В комплекс сервисных услуг Систем качества входит: перемотка статора и ротора фазного электродвигателя, восстановление и замена крышек, подшипников, щеток и щеткодержателей, фазных головок.
Проводятся испытания, выдается заключение и реальная гарантия – от 6 месяцев. В результате Вы получаете свой двигатель 4 MTM 280L6, который сможет надежно выполнять функцию привода редукторов хода кран-балок и редукторов мостовых и козловых кранов Вашего производства.
Покупка и цены в Украине

В отличии от общепрома, двигатели типа МТ подвержены более жестким эксплуатационным условиям: частые включения, постоянные вибрации, тряски и переходные моменты. Поэтому имеют более надежную конструкцию, что отражается на стоимости. Цены на рынке начинаются от 95 000 грн.
Для бесплатной технической консультации и заказа электродвигателя 4MTM 280L6 (4MTH 280L6) звоните по указанным телефонам!



Виктория Владимировна