
Условия эксплуатации одноребордных крановых колес к1р 320х80:
- Ширина колеи наземных кранов – до 4м;
- Оба пути лежат на одном уровне;
- При движении крана по двум рельсам, расположение реборд колес противоположное.
Чертежи
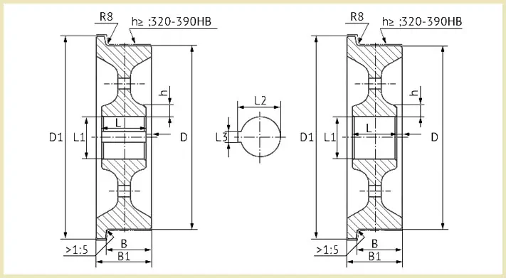
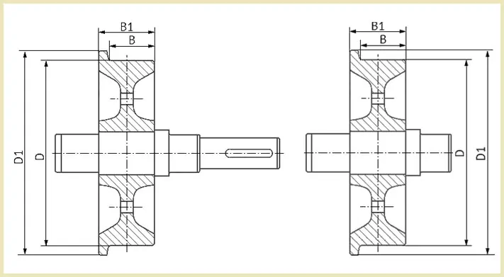
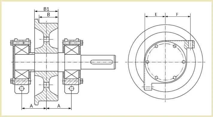
Изображены чертежи ведомых и ведущих крановых колес К1Р 320х80, колес в сборе с валом и колесные установки с буксами, крышками и подшипниками. Для удобного просмотра чертежа – кликните на картинку.
| Колесо крановое | L | L1 | L2, L3 | D | D1 | B | B1 | A/E/F/ | Вес колеса/установки, кг |
| к1р 320х80 | 100 | 65-90 | по заказу | 320 | 360 | 80 | 100 | 100/80/120 | 31/70 |
Цена
На цену кранового колеса к1р 320х80 влияют исполнение (приводное или холостое) и комплектация (отдельно колесо или колесная установка в сборе). У Систем Качества можно купить одноребордные колеса к1р 320х80 со складских запасов или заказать новые согласно вашего тех задания.
Для актуализации стоимости и оформления заказа – свяжитесь с менеджером!





Виктория Владимировна