Технические характеристики
Основные технические характеристики червячных редукторов ЧГ, заявленные в паспорте, сведены в таблице. Ряд передаточных чисел, номинальный крутящий момент на выходе, нагрузка на тихоходном валу, вес, объем масла (смазки) и прочее.
| Типоразмер редуктора | Передаточное число | Частота вращения, мин-1 | КПД | Радиально-консольные нагрузки, Н | Вес, кг | Объем масла, л | |||||
| 750 | 1000 | 1500 | |||||||||
| P1, кВт | T2, Нм | P1, кВт | T2, Нм | P1, кВт | T2, Нм | ||||||
| ЧГ-63 | 10 | 1,2 | 120 | 1,5 | 110 | 1,9 | 110 | 0,83 | 2800 | 18 | 0,7 |
| 12,5 | 1,1 | 130 | 1,3 | 130 | 1,7 | 110 | 0,82 | ||||
| 16 | 1,0 | 150 | 1,2 | 150 | 1,5 | 130 | 0,81 | ||||
| 20 | 0,8 | 150 | 0,9 | 150 | 1,3 | 130 | 0,80 | ||||
| 25 | 0,5 | 125 | 0,6 | 110 | 0,8 | 110 | 0,79 | ||||
| 31,5 | 0,4 | 110 | 0,5 | 110 | 0,6 | 90 | 0,76 | ||||
| 40 | 0,3 | 110 | 0,3 | 100 | 0,5 | 90 | 0,74 | ||||
| 50 | 0,2 | 100 | 0,3 | 100 | 0,3 | 90 | 0,71 | ||||
| 63 | 0,1 | 90 | 0,2 | 90 | 0,3 | 80 | 0,67 | ||||
| ЧГ-80 | 10 | 2,4 | 250 | 2,8 | 220 | 3,1 | 170 | 0,83 | 4000 | 33 | 1,5 |
| 12,5 | 2,0 | 260 | 2,4 | 240 | 2,6 | 180 | 0,82 | ||||
| 16 | 1,6 | 260 | 1,9 | 240 | 2,1 | 180 | 0,81 | ||||
| 20 | 1,5 | 300 | 1,7 | 260 | 1,8 | 200 | 0,80 | ||||
| 25 | 1,0 | 250 | 1,1 | 220 | 1,5 | 190 | 0,79 | ||||
| 31,5 | 0,7 | 220 | 0,8 | 200 | 1,1 | 180 | 0,76 | ||||
| 40 | 0,6 | 220 | 0,7 | 200 | 0,9 | 180 | 0,74 | ||||
| 50 | 0,5 | 210 | 0,5 | 180 | 0,6 | 160 | 0,71 | ||||
| 63 | 0,3 | 200 | 0,4 | 170 | 0,5 | 150 | 0,67 | ||||
| ЧГ-100 | 10 | 4,3 | 460 | 4,7 | 380 | 6,3 | 350 | 0,83 | 5600 | 52 | 2,5 |
| 12,5 | 3,8 | 500 | 4,0 | 400 | 5,5 | 380 | 0,82 | ||||
| 16 | 3,0 | 500 | 3,6 | 450 | 4,6 | 400 | 0,81 | ||||
| 20 | 2,7 | 550 | 3,2 | 500 | 3,9 | 420 | 0,80 | ||||
| 25 | 2,0 | 500 | 2,3 | 450 | 3,0 | 400 | 0,79 | ||||
| 31,5 | 1,4 | 420 | 1,6 | 380 | 2,1 | 350 | 0,76 | ||||
| 40 | 1,2 | 420 | 1,3 | 380 | 1,8 | 350 | 0,74 | ||||
| 50 | 0,9 | 400 | 1,0 | 350 | 1,3 | 320 | 0,71 | ||||
| 63 | 0,7 | 380 | 0,8 | 320 | 1,1 | 300 | 0,67 | ||||
| ЧГ-125 | 10 | 8,4 | 900 | 10,4 | 850 | 12,3 | 700 | 0,83 | 8000 | 90 | 7,5 |
| 12,5 | 7,1 | 950 | 8,9 | 900 | 10,0 | 700 | 0,82 | ||||
| 16 | 5,6 | 950 | 7,0 | 900 | 8,5 | 750 | 0,81 | ||||
| 20 | 5,3 | 1100 | 6,3 | 1000 | 7,8 | 850 | 0,80 | ||||
| 25 | 4,0 | 1000 | 4,6 | 900 | 5,2 | 700 | 0,79 | ||||
| 31,5 | 2,9 | 900 | 3,4 | 800 | 3,9 | 650 | 0,76 | ||||
| 40 | 2,4 | 900 | 2,8 | 800 | 3,2 | 650 | 0,74 | ||||
| 50 | 1,7 | 800 | 2,1 | 750 | 2,6 | 650 | 0,71 | ||||
| 63 | 1,4 | 750 | 1,7 | 700 | 2,1 | 600 | 0,67 | ||||
| ЧГ-160 | 10 | 16,7 | 1850 | 20,3 | 1700 | 28,3 | 1600 | 0,83 | 11200 | 165 | 10 |
| 12,5 | 13,9 | 1900 | 16,3 | 1700 | 22,8 | 1600 | 0,82 | ||||
| 16 | 11,0 | 1900 | 13,7 | 1800 | 18,6 | 1650 | 0,81 | ||||
| 20 | 9,7 | 2050 | 11,9 | 1900 | 16,5 | 1800 | 0,80 | ||||
| 25 | 7,6 | 1950 | 8,6 | 1700 | 11,2 | 1500 | 0,79 | ||||
| 31,5 | 5,7 | 1800 | 6,4 | 1550 | 8,2 | 1350 | 0,76 | ||||
| 40 | 4,6 | 1800 | 5,1 | 1550 | 6,6 | 1350 | 0,74 | ||||
| 50 | 3,6 | 1650 | 4,0 | 1450 | 5,0 | 1250 | 0,71 | ||||
| 63 | 2,8 | 1550 | 3,4 | 1450 | 4,1 | 1200 | 0,67 | ||||
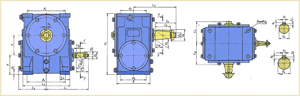
Чертежи и габаритные размеры
Чертеж с габаритными и присоединительными размерами согласно технического паспорта приведен для простоты подбора и подготовки к монтажу редукторов ЧГ-63, ЧГ-80, ЧГ-100, ЧГ-125, ЧГ-160.
| Редуктор | а | А1 | А2 | В | Н | Н1 | H2 | L1 | L2 | L3 | L4 | L5 | L6 | L7 | b1 | b2 | d1 | d2 |
| Чг-63 | 63 | 120 | 90 | 120 | 62 | 205 | 14 | 150 | 140 | 90 | 35 | 150 | 80 | 85 | 4 | 5 | 22 | 28 |
| Чг-80 | 80 | 160 | 120 | 150 | 80 | 250 | 15 | 185 | 185 | 105 | 42 | 190 | 95 | 100 | 5 | 6 | 28 | 35 |
| Чг-100 | 100 | 200 | 140 | 175 | 100 | 312 | 18 | 210 | 225 | 125 | 50 | 240 | 105 | ПО | 5 | 12 | 28 | 45 |
| Чг-125 | 125 | 230 | 160 | 200 | 140 | 425 | 22 | 245 | 230 | 150 | 60 | 270 | 120 | 125 | 6 | 14 | 32 | 55 |
| Чг-160 | 160 | 300 | 175 | 224 | 160 | 505 | 30 | 315 | 280 | 190 | 75 | 350 | 135 | 140 | 10 | 18 | 40 | 70 |
| d3 | d4 | d5 | d6 | d7 | d8 | d9 | h1 | h2 | l1 | l2 | l3 | l4 | t1 | t2 |
| 20,90 | 26,80 | M12×l,25 | 19 | M16×l,5 | 24 | 14 | 4 | 5 | 36 | 42 | 50 | 60 | 2,5 | 3,0 |
| 26,80 | 33,20 | M16×l,5 | 24 | М20×1,5 | 30 | 14 | 5 | 6 | 42 | 58 | 60 | 80 | 3,0 | 3,5 |
| 26,80 | 42,30 | М16×1,5 | 24 | М30×2 | 46 | 18 | 5 | 8 | 42 | 82 | 60 | 110 | 3,0 | 5,0 |
| 30,20 | 52,30 | М20×1,5 | 30 | М36×3 | 55 | 18 | 6 | 9 | 58 | 82 | 80 | 110 | 3,5 | 5,5 |
| 37,30 | 66,50 | М24×2 | 36 | М48×3 | 75 | 22 | 8 | 11 | 82 | 105 | 110 | 140 | 5,0 | 7,0 |
Варианты сборки
Вариант сборки редуктора ЧГ – это схема компоновки и расположения основных элементов редуктора. Редукторы ЧГ-63, ЧГ-80, ЧГ-100, ЧГ-125, ЧГ-160 изготавливаются с вариантами сборки 51, 52, 53, 56, 61, 62, 63, 66. Количество и исполнение быстроходных и тихоходных валов, влияют на цену редуктора.
Варианты расположения червячной пары – это расположения основных элементов редуктора относительно горизонтальной плоскости. Стоит отметить, что наиболее распространенными и востребованными являются редукторы ЧГ с вариантом расположения червячной пары червяк под колесом и червяк над колесом.
Расшифровка маркировки
Условное обозначение полного названия модели содержит информацию о передаточном числе, варианте сборки, межосевом расстоянии и климатическом исполнении.
Цены
Цена редуктора ЧГ по Украине варьируется в зависимости от новизны и качества. Надежный ЧГ-100 с заводской подготовкой и рабочей гарантией может достигать по цене 6800 грн. Цена бу – 3200 грн без НДС. Но с ними осторожней.
Кроме того, на стоимость влияет вариант сборки и передаточное число. На редуктор ЧГ цену Вам подскажут наши специалисты.
Редуктор ЧГ работает с высоким крутящим моментом. Некачественный ЧГ100 может стать причиной простоя предприятия и даже травматизма. Покупая у «Систем Качества», вы исключите вероятность неприятных сюрпризов. Европейские стандарты технического контроля дают «Системам» абсолютную статистику безотказности промышленного оборудования.
Редуктор ЧГ-160, ЧГ-125, ЧГ-100, ЧГ-80, ЧГ-63 с передаточными числами 63; 50; 40; 31,5; 25; 20; 16; 12,5; 10 заказывайте специалистам «Систем Качества»










Виктория Владимировна