Цилиндрический редуктор РК-450 – двухступенчатый крановый редуктор, используется при повторно-кратковременных режимах и постоянных режимах работы. Основная сфера применения это приводы грузоподъемных кранов. Производятся на основе конструкции редуктора РМ, единственной конструктивной особенностью является исполнение валов.
«Системы качества» известны в Украине своим подходом к надежности и контролю качества. Предлагаем добротный редуктор РК-450 с передаточными числами 8; 10; 12,5; 16; 20; 22,4; 31,5; 40; 50. Вал – конический или цилиндрический, любой вариант сборки.
Технические характеристики
Основные технические характеристики редуктора РК-450, заявленные в паспорте, сведены в таблице. Диапазон передаточных чисел, предельный крутящий момент на выходе, нагрузка на тихоходном валу, вес и прочее. Характеристики других моделей, можно найти в разделе каталог цилиндрических редукторов.
| Типоразмер редуктора | Номинальное передаточное число | Номинальная радиальная нагрузка на тихоходном валу, Н | Номинальный крутящий момент на тихоходном валу, Нм | Вес, кг | КПД |
| РК-450 | 8;10;12,5;16;20;22,4;31,5;40;50 | 79000 | 7500 | 1030 | 0,98 |
Особенности эксплуатации
- Допустима постоянная и плавающая нагрузка;
- Возможно реверсивное включение;
- Для продолжительных режимов и частых включений;
- Максимальная скорость на входе – 1500 об/мин;
- Концентрация пыли свыше 10 мг/м³.
Марка подшипников
Перечислены марки подшипников устанавливаемые на быстроходный, тихоходный, промежуточный валы. Данная таблица будет необходима при замене вышедших из строя подшипников.
| Редуктор | Выходной вал | Количество | Промежуточный вал | Количество | Входной вал | Количество | |
| РК-450 | 7526 | 2 | 7318 | 2 | 412 | 2 | |
Объем заливаемого масла
В данной таблице указан объем заливаемого масла в редукторах РК-450. Правильное объем заливаемого масла является основополагающим фактором продолжительности и безотказной работы. Запуск без масла запрещен!
| Тип редуктора | Объем заливаемого масла |
| РК-450 | 42 |
Размеры и чертеж редуктора РК-450
Чертеж с габаритными и присоединительными размерами согласно технического паспорта приведен для простоты подбора и подготовки к монтажу редуктора РК-450.
| awt | awb | H | H1 | H2 | h | L | L1 | L2 | l | l1 | l2 | l3 | l4 | l5 | B | B1 | B2 | B3 | d |
| 450 | 300 | 743 | 320 | 130 | 35 | 1500 | 450 | 472 | 1030 | 620 | 275 | 230 | 491 | 525 | 510 | 450 | 510 | 356 | 25 |
Размеры и чертеж валов
Цилиндрический вал
Цилиндрический входной или выходной вал зачастую используется при присоединении к исполнительному механизму с помощью крановых муфт МЗ, МУВП и тд. Диаметр, вынос и прочие размеры указаны на чертеже.

| Вал | l | d | d0 | d1 | d2 | b | t |
| Выходной | 165 | 110m6 | 60 | 130 | M16 | 28 | 120 |
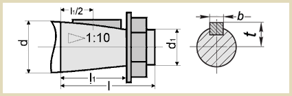
Конический вал
Конический вал наиболее практичен, так как не требует больших усилий при монтаже в сравнении с цилиндрическими валами, зачастую используется для посадки шкивов для ременной передачи. Диаметр, вынос и прочие размеры указаны на чертеже.

| Вал | l | l1 | d | d1 | b | t |
| Входной | 140 | 105 | 60 | M42*3,0 | 16 | 31,38 |
Вал в виде части зубчатой муфты

| L | l | l1 | d | d1 | d2 | b | k | Зацепление | |
| m | z | ||||||||
| 75 | 16 | 68 | 170 | 260 | 348 | 40 | 32 | 6 | 56 |
Варианты сборки редуктора РК-450
Варианты сборки – это схема компоновки и расположения основных элементов редуктора. Стоит отметить, что наиболее распространенными и востребованными являются редукторы РК-450 с вариантом сборки 12, 21, 22, 11. Сборки 31, 32, 33 используются при установке тормозных шкивов с крановыми тормозами ТКГ на второй конец первичного вала.
При этом некоторые варианты сборки являются крайне дефицитными и изготавливаются только под заказ.
Расшифровка маркировки
Для оформления правильного запроса, приводим расшифровку маркировки. Условное обозначение полного названия модели содержит информацию о передаточном числе, варианте сборки, межосевом расстоянии и климатическом исполнении.
Все варианты сборки РК450 и передаточные числа
На четыре наиболее распространенные варианта сборки двухступенчатых РК 450 приходится 36 моделей с разными передаточными числами, маркировки которых приведены в таблице. Узнавайте характеристики, подбирайте интересующую Вас маркировку и заказывайте специалистам «Систем Качества»
| Вариант сборки/Передаточное число | 12 | 11 | 22 | 21 |
| 8 | РК-450-8-12 | РК-450-8-11 | РК-450-8-22 | РК-450-8-21 |
| 10 | РК-450-10-12 | РК-450-10-11 | РК-450-10-22 | РК-450-10-21 |
| 12,5 | РК-450-12,5-12 | РК-450-12,5-11 | РК-450-12,5-22 | РК-450-12,5-21 |
| 16 | РК-450-16-12 | РК-450-16-11 | РК-450-16-22 | РК-450-16-21 |
| 20 | РК-450-20-12 | РК-450-20-11 | РК-450-20-22 | РК-450-20-21 |
| 22,4 | РК-450-22,4-12 | РК-450-22,4-11 | РК-450-22,4-22 | РК-450-22,4-21 |
| 31,5 | РК-450-31,5-12 | РК-450-31,5-11 | РК-450-31,5-22 | РК-450-31,5-21 |
| 40 | РК-450-40-12 | РК-450-40-11 | РК-450-40-22 | РК-450-40-21 |
| 50 | РК-450-50-12 | РК-450-50-11 | РК-450-50-22 | РК-450-50-21 |
Цена
Цена редуктора РК-450 по Украине варьируется в зависимости от новизны и качества. Надежный РК-450 с заводской подготовкой и рабочей гарантией может достигать по цене 50000 грн. Цена бу – 25000. Но с ними осторожней.
Кроме того, на цену влияет вариант сборки и передаточное число. Дефицитные модели будут стоить дороже. На редуктор РК-450 цену Вам подскажут наши специалисты.
Редуктор РК-450 работает с подъемными механизмами и высоким крутящим моментом. Некачественный РК-450 может стать причиной простоя предприятия и даже травматизма. Покупая у «Систем Качества», вы исключите вероятность неприятных сюрпризов. Европейские стандарты технического контроля дают «Системам» абсолютную статистику безотказности промышленного оборудования.
Редуктор РК-450 с передаточными числами 50; 40; 31,5; 22,4; 20; 16; 12,5; 10; 8 заказывайте специалистам «Систем Качества»








Виктория Владимировна