Каталог
Технические характеристики
Основными техническими характеристиками лебедок скреперных установок являются тяговое усилие и мощность. Для более детального просмотра паспортных параметров переходите к интересующей модели кликнув на маркировку скреперной лебедки в таблице.
| Скреперная лебедка | Тяговое усилие, кгс | Канатоемкость барабана, м | Диаметр каната, мм | Средняя скорость каната, м/с | Номинальная мощность, кВт | Габариты, мм | Масса, кг | ||
| рабочего хода | холостого хода | без каната | с магнитным пускателем, | ||||||
| 10ЛС-2СМА | 1000 | 45 | 12 | 1,25 | 1,7 | 11 | 1350×570×561 | 508 | 558 |
| 17ЛС-2СМА | 1600 | 60 | 14 | 1,26 | 1,74 | 18,5 | 1550×650×632 | 760 | 810 |
| 30ЛС-2СМА | 2800 | 90 | 14 | 1,3 | 1,77 | 30 | 1938×806×770 | 1320 | 1370 |
| 30ЛС-2ПМА | 1540×1220×893 | 1450 | 1500 | ||||||
| 30ЛС-3СМА | 2400×860×770 | 1810 | 1860 | ||||||
| 55ЛС-2СМА | 4500 | 100 | 20 | 1,46 | 2 | 55 | 2320×995×924 | 2260 | 2310 |
| 55ЛС-2ПМА | 1990×1380×895 | 2220 | 2270 | ||||||
| 55ЛС-3СМА | 2865×1205×925 | 2960 | 3110 | ||||||
| 100ЛС 2СКА | 6900 | 310 | 23 | 1,9 | 2,7 | 110 | 3325×1675×1435 | 7246 | – |
| 110ЛС-2СМА | 8000 | 125 | 23 | 1,5 | 2,1 | 110 | 2800×1202×1221 | 4320 | 4370 |
| 110ЛС-2ПМА | 2240×1630×1221 | 4660 | 4710 | ||||||
| 110ЛС-3СМА | 3480×1550×1221 | 5420 | 5470 | ||||||
Устройство
В зависимости от устройства скреперные лебедки могут иметь два или три барабана. Расположение барабанов и двигателя может быть соосным или параллельным. Соосные предназначены для скреперования в широких нишах, параллельное – в узких выработках. Для привода электрических скреперных лебедок используют асинхронные моторы с планетарными редукторами. Блоки рабочего и холостого барабана имеют идентичные размеры и конструкцию, отличие в передаточном числе редуктора.
Тип конструкции указывается в маркировке скреперной лебедки, условные обозначения классификации приведены ниже:
- 2С – двухбарабанная с соосным расположением двигателя и барабанов;
- 2СК – двухбарабанная с соосным расположением двигателя и барабанов для калийной промышленности;
- 2П – двухбарабанная с параллельным расположением двигателя и барабанов;
- 3С – трехбарабанная с соосным расположением двигателя и барабанов.
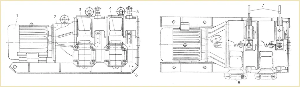
Для примера, рассмотрим устройство подземной скреперной лебедки с соосным расположением барабанов. Для удобного просмотра кликните чертеж.
- Трехфазный электродвигатель;
- Редуктор привода;
- Блок рабочего барабана;
- Блок холостого барабана;
- Притормаживающее устройство;
- Рама;
- Рычаги управления;
- Направляющая рама.
Принцип работы

На кинематической схеме изображены рабочие элементы привода скреперной лебедки:
- 1 – приводной редуктор;
- 2 – центральный вал;
- 3, 9 – солнечные шестерни;
- 4, 10 – сателлиты;
- 7, 12 – водила;
- 5, 11 – венцы;
- 6 – тормозное устройство;
- 8, 13 – барабаны.
Где купить скреперную лебедку в Украине?
У Систем Качества вы можете купить электрические скреперные лебедки ЛС мощностью 11, 18.5, 30, 55, 100, 110 кВт. Производим подземные шахтные лебедки скреперных установок с двумя и тремя соосными или параллельными барабанами, комплектуя электродвигателями взрывозащищенного, рудничного или общепромышленного исполнения. Все оборудование и механизмы соответствуют ГОСТ, проходят испытания и проверку ОТК.
Цена
Цена скреперной лебедки зависит от мощности, исполнения и стоимости отдельных комплектующих. Лебедки скреперных установок могут комплектоваться запчастями производства Украины, Китая и Белоруссии, адаптируя стоимость под бюджет заказчика. Для просчета цены скреперной лебедки – отправляйте техническое задание на электронную почту или свяжитесь с менеджером по телефону.







Виктория Владимировна