Технические характеристики
В таблице указаны технические характеристики электрической лебедки ТЭЛ-2 согласно технического паспорта производителя: тяговое усилие, скорость навивки каната на барабан, масса, канатоемкость и диаметр каната, марка редуктора и двигателя, габариты.
| Тяговая лебедка | Технические характеристики | ||||||||
| Тяговое усилие, кгс | Скорость навивки, м/с | Канатоёмкость, м | Диаметр каната, мм | Редуктор | Мощность, квт | Тормоз | Габариты | Вес, кг | |
| ТЭЛ-2 | 2000 | 0,25 | 150 | 11 | 1Ц3У-200 | 11 | ТКГ-200 | 900х1000х646 | 600 |
Требования к эксплуатации

- Температура окружающей среды – от – 40°С до + 40°С;
- Напряжение питания – 380/660 В;
- Частота тока – 50 Гц;
- Концентрация пыли – до 10 мг/м3;
- Рабочее положение – крепление на горизонтальной плоскости;
- Влажность – не более 85%;
- Режим работы – легкий.
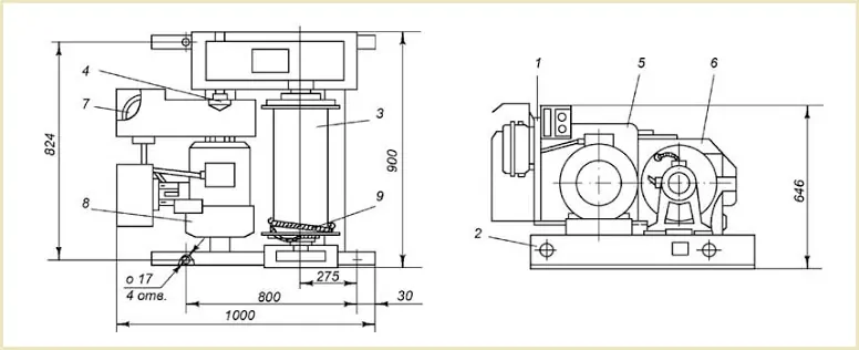
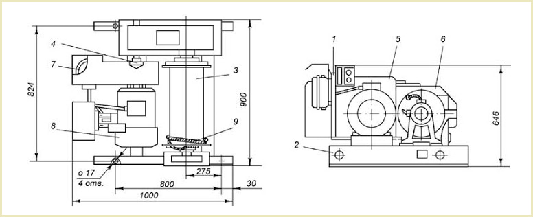
Устройство
Тяговая электрическая лебедка ТЭЛ-2 состоит из сварной рамы, на которой установлен редуктор с канатным барабаном, пусковой аппаратуры, электродвигателя и тормозной системы. В тормозную систему входит колодочный тормоз ТКГ с электрогидравлическим толкателем и тормозной шкив выполняющий роль муфты соединения двигателя и механического редуктора. Барабан представляет собой стальной или чугунный двухребордный цилиндр для многослойного наматывания троса. Крепится на тихоходный вал редуктора с одной стороны и на подшипниковую опросу с другой. Крепление каната к барабану прижимными планками.
На чертеже изображенный габаритные размеры и основные элементы конструкции лебедки ТЭЛ-2:
- Пусковая электроаппаратура;
- Сварная рама;
- Барабан для намотки троса;
- Муфта втулочно-пальцевая с тормозным шкивом.
- Защитный кожух;
- Редуктор цилиндрический Ц3У-200;
- Колодочный тормоз ТКГ-200;
- Электродвигатель;
- Канат (трос).
Где купить тяговую электрическую лебедку ТЭЛ-2 в Украине?
У Систем Качества вы можете купить лебедку ТЭЛ-2 в стандартной комплектации или согласно вашему техническому заданию. Лебедка ТЭЛ2 может поставляться в общепромышленном или взрывозащищенном исполнении. В дополнительную комплектацию входят: частотные преобразователи, радиоуправление или выносной пульт управления, канатоукладчик (тросоукладчик), звуковая сигнализация. Перед отгрузкой все оборудование проходит испытание и проверку ОТК.
В стандартную комплектацию поставки входит: лебедка ТЭЛ-2 без каната, паспорта совмещенные с руководством (инструкцией) по эксплуатации лебедки, электродвигателя, редуктора, колодочного тормоза.
Цена
Цена лебедки ТЭЛ-2 зависит от типа исполнения, комплектации, производителя основных узлов. Лебедки могут комплектоваться запчастями производства Украины, Китая и Белоруссии, адаптируя стоимость под бюджет заказчика. Для просчета цены электрической тяговой лебедки ТЭЛ-2 – свяжитесь с менеджером по телефону или пришлите техническое задание на электронную почту.







Виктория Владимировна