Технические характеристики
В таблице указаны технические характеристики лебедки ТЛ-7Б-1 согласно технического паспорта производителя: тяговое усилие, скорость навивки каната на барабан, масса, канатоемкость и диаметр каната, марка редуктора и двигателя, габариты.
| Тяговая лебедка | Технические характеристики | ||||||||
| Тяговое усилие, кгс | Скорость навивки, м/с | Канатоёмкость, м | Диаметр каната, мм | Редуктор | Мощность, квт | Тормоз | Габариты | Вес, кг | |
| ТЛ-7Б-1 | 4500 | 0,36 | 250 | 22,5 | Ц2У-400-50 | 15 | ТКГ-300 | 1870x1520x920 | 1580 |
Требования к эксплуатации

- Температура окружающей среды – от – 40°С до + 40°С;
- Напряжение питания – 380/660 В;
- Частота тока – 50 Гц;
- Концентрация пыли – до 10 мг/м3;
- Рабочее положение – крепление на горизонтальной плоскости;
- Влажность – не более 85%;
- Режим работы – легкий.
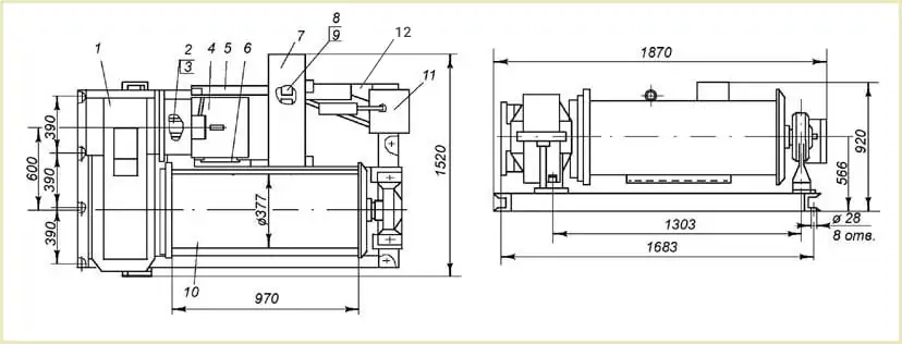
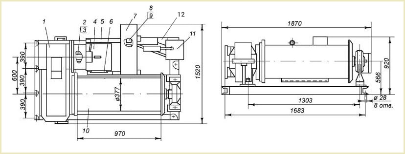
Устройство
Тяговая электрическая лебедка ТЛ-7Б-1 состоит из сварной рамы, на которой установлен редуктор с канатным барабаном, пусковой аппаратуры, электродвигателя и тормозной системы. В тормозную систему входит колодочный тормоз ТКГ с электрогидравлическим толкателем и тормозной шкив выполняющий роль муфты соединения двигателя и механического редуктора. Барабан представляет собой стальной или чугунный двухребордный цилиндр для многослойного наматывания троса. Крепится на тихоходный вал редуктора с одной стороны и на подшипниковую опросу с другой. Крепление каната к барабану прижимными планками.
- Цилиндрический двухступенчатый редуктор Ц2У-400Н-50;
- Зубчатая втулка;
- Втулка;
- Электродвигатель 15 кВт;
- Кронштейн;
- Кронштейн;
- Защитный кожух;
- Электрогидравлический колодочный тормоз ТКГ-300;
- Муфта втулочно-пальцевая с тормозным шкивом.
- Барабан для намотки каната (троса);
- Пусковой шкаф электроаппаратуры;
- Сварная рама;
Где купить тяговую электрическую лебедку ТЛ-7Б-1 в Украине?
У Систем Качества вы можете купить лебедку ТЛ-7Б-1 в стандартной комплектации или согласно вашему техническому заданию. Лебедка ТЛ-7Б может поставляться в общепромышленном или взрывозащищенном исполнении. В дополнительную комплектацию входят: частотные преобразователи, радиоуправление или выносной пульт управления, канатоукладчик (тросоукладчик), звуковая сигнализация. Перед отгрузкой все оборудование проходит испытание и проверку ОТК.
В стандартную комплектацию поставки входит: лебедка ТЛ-7Б-1 без каната, паспорта совмещенные с руководством (инструкцией) по эксплуатации лебедки, электродвигателя, редуктора, колодочного тормоза.
Цена
Цена лебедки ТЛ-7Б зависит от типа исполнения, комплектации, производителя основных узлов. Лебедки могут комплектоваться запчастями производства Украины, Китая и Белоруссии, адаптируя стоимость под бюджет заказчика. Для просчета цены электрической лебедки ТЛ-7Б-1 – свяжитесь с менеджером по телефону или пришлите техническое задание на электронную почту.







Виктория Владимировна