Муфта МЗП-15 имеют одну идентичную полумуфту МЗ-15, вторая фланцевая – для присоединения валов на расстоянии через промежуточный вал. Обладают высокой износоустойчивостью и длительным сроком службы.
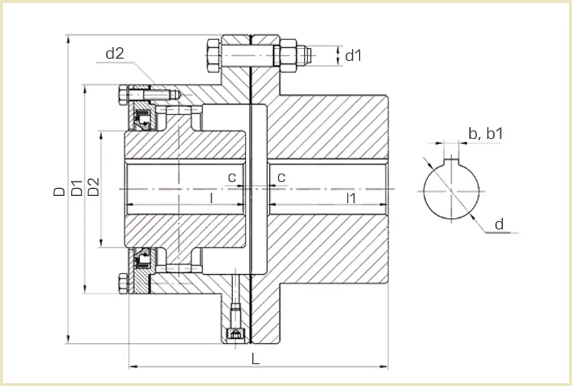
Чертеж и таблица с габаритными размерами
Муфты зубчатого типа МЗ-15 и МЗП-15 имеют идентичные размеры и посадочные места. Подробная конструкция изображена на чертеже, размеры в таблице.
| № муфты | d не более | D | D1 | D2 | L | l | c | d1 | d2 | Вес, кг |
| МЗ-15 | 360 | 780 | 660 | 480 | 647 | 320 | 7,5 | М36 | М10 | 1288 |
Технические характеристики
Правильно ли подобран типоразмер зубчатой муфты МЗ-15 можно проверить по формуле, включающей требуемый крутящему момент умноженный на коэффициенты степени ответственности, условий работы и углового смещения. Скачать инструкцию по расчету.
| Характеристика муфты зубчатой | МЗ-15 |
| Номинальный крутящий момент Нм | 250000 |
| Максимальная частота вращения, об/мин | 800 |
| Диаметр вала, мм | 360 |
| Маховый момент, кг*м2 | 325 |
| Количество зубьев | 58 |
| Длина, мм | 647 |
| Внешний диаметр муфты, мм | 780 |
| Масса, кг | 1288 |
| Обозначение по ГОСТ Р50895-96 | 1-250000-1-У2 |
Расшифровка условного обозначения
Конструкция

- Втулка
- Обойма
- Фланцевая полумуфта
- Промежуточный вал
Где покупать зубчатые муфты в Украине?
Помимо новых зубчатых муфт от производителя, в Украине активно продаются МЗ-15 и МЗП-15 складского хранения и БУ после ремонта. Для тяжелого машиностроения критически важно соблюдение таких норм точности ГОСТ как:
- предельная разность соседних окружных шагов
- отклонение длины общей нормали
- допуск толщины зуба
Настойчиво рекомендуем покупать новые зубчатые муфты МЗ15, либо заказывать неликвиды только у проверенных поставщиков как «Системы Качества»
Цены производителей
Единой актуальной цены на зубчатую муфту МЗ-15 нет из-за диапазона вариантов имеющихся на складе «Систем качества». Цены на зубчатые муфты МЗ-15 и МЗП-15 начинается от 115000 грн. При этом вы гарантированно получите изделие одобренное заводским отделом технического контроля.











Виктория Владимировна