Муфта МЗП-4 имеют одну идентичную полумуфту МЗ-4, вторая фланцевая – для присоединения валов на расстоянии через промежуточный вал. Обладают высокой износоустойчивостью и длительным сроком службы.
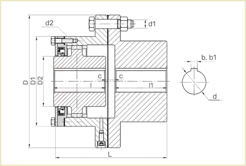
Чертеж и таблица с габаритными размерами
Муфты зубчатого типа МЗ-4 и МЗП-4 имеют идентичные размеры и посадочные места. Подробная конструкция изображена на чертеже, размеры в таблице.
| № муфты | d не более | D | D1 | D2 | L | l | c | d1 | d2 | Вес, кг |
| МЗ-4 | 75 | 250 | 185 | 120 | 215 | 105 | 2,5 | М16 | М6 | 41 |
Технические характеристики
Правильно ли подобран типоразмер зубчатой муфты МЗ-4 можно проверить по формуле, включающей требуемый крутящему момент умноженный на коэффициенты степени ответственности, условий работы и углового смещения. Скачать инструкцию по расчету.
| Характеристика муфты зубчатой | МЗ-4 |
| Номинальный крутящий момент Нм | 6300 |
| Максимальная частота вращения, об/мин | 3350 |
| Диаметр вала, мм | 75 |
| Маховый момент, кг*м2 | 0,85 |
| Количество зубьев | 40 |
| Длина, мм | 215 |
| Внешний диаметр муфты, мм | 250 |
| Масса, кг | 41 |
| Обозначение по ГОСТ … | 1-2500-1-У2 |
Расшифровка условного обозначения
Конструкция

- Втулка
- Обойма
- Фланцевая полумуфта
- Промежуточный вал
Где покупать зубчатые муфты в Украине?
Помимо новых зубчатых муфт от производителя, в Украине активно продаются МЗ-4 и МЗП-4 складского хранения и БУ после ремонта. Для тяжелого машиностроения критически важно соблюдение таких норм точности ГОСТ как:
- предельная разность соседних окружных шагов
- отклонение длины общей нормали
- допуск толщины зуба
Настойчиво рекомендуем покупать новые зубчатые муфты МЗ4, либо заказывать неликвиды только у проверенных поставщиков как «Системы Качества»
Цены производителей
Единой актуальной цены на зубчатую муфту МЗ-4 нет из-за диапазона вариантов имеющихся на складе «Систем качества». Цены на зубчатые муфты МЗ-4 и МЗП-4 колеблются между 6000 грн и 7800 грн. При этом вы гарантированно получите изделие одобренное заводским отделом технического контроля.











Виктория Владимировна